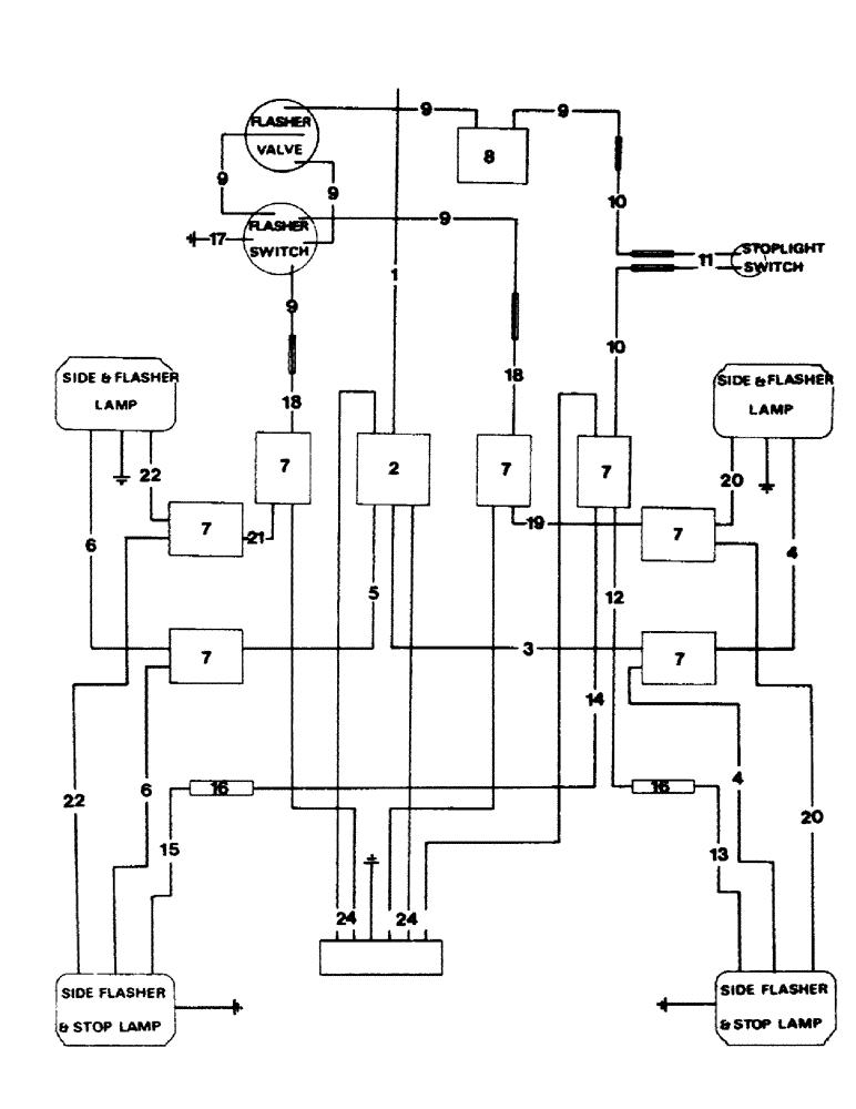
Запчасти Case 380CK (112) - ELECTRICAL WIRING, SIDE AND REAR LAMPS

Схема запчастей Case 380CK - (112) - ELECTRICAL WIRING, SIDE AND REAR LAMPS
FIT
1:1
100%

Артикул

Название

Примечание

Количество

1

K923775

ELECTRICAL WIRE

WIRE - light, Serial Range: switch-connector

1шт.

2

K908905

CONNECTOR, ELEC

CONNECTOR - three-way

1шт.

3

K925197

NO LONGER SERVICED

WIRE - R.H. side/rear lamp

1шт.

4

K940639

ELECTRICAL WIRE

WIRE - R.H. side/rear lamps

2шт.

5

K925196

NO LONGER SERVICED

WIRE - L.H. side/rear lamp

1шт.

6

K940639

ELECTRICAL WIRE

WIRE - L.H. side/rear lamps

2шт.

7

K86230

CONNECTOR, ELEC

CONNECTOR - double

7шт.

8

K925309

CONNECTOR, ELEC

CONNECTOR - four-way

1шт.

9

K929555

HARNESS

- stop and turn lights

1шт.

10

K929738

ELECTRICAL WIRE

WIRE - stop lamps

1шт.

11

K929739

ELECTRICAL WIRE

WIRE - stop lamp switch

1шт.

K621633

CABLE

CLIP - stop light switch wires

3шт.

K19930

GROMMET,3/8" ID x 5/8" Groove Dia

- 5/8", floor plate

1шт.

12

K925285

ELECTRICAL WIRE

WIRE - R.H. stop lamp

1шт.

13

K940645

ELECTRICAL WIRE

WIRE - R.H. stop lamp

1шт.

14

K925284

ELECTRICAL WIRE

WIRE - L.H. stop lamp

1шт.

15

K940645

ELECTRICAL WIRE

WIRE - L.H. stop lamp

1шт.

16

K67916

ELEC CONNECTOR

CONNECTOR - single

2шт.

17

K923592

ELECTRICAL WIRE

WIRE - turn signal switch ground

1шт.

18

K92593

WIRE - turn signal lights

1шт.

19

K925287

ELECTRICAL WIRE

WIRE - R.H., turn signal lights

1шт.

20

K940641

NO LONGER SERVICED

WIRE - R.H., turn signal lights

2шт.

21

K925286

ELECTRICAL WIRE

WIRE - L.H., turn signal lights

1шт.

22

K940640

ELECTRICAL WIRE

WIRE - L.H., turn signal lights

2шт.

K925176

COVER

- light connections

1шт.

K615404

SCREW

- #10 - 32 NF x 1/2"

1шт.

K626310

WASHER

- 3/16"

1шт.

K625167

SPRING

CONDUIT - cable, R.H.

1шт.

K925168

CABLE

CONDUIT - cable, L.H.

1шт.

K627708

GROMMET

- fender, 1-1/4"

2шт.

K627704

GROMMET

- fenders, 1"

4шт.

K19930

GROMMET,3/8" ID x 5/8" Groove Dia

- 5/8"

4шт.

24

K925489

HARNESS - 12" long, trailer socket

1шт.

K925197

NO LONGER SERVICED

WIRE - R.H., side/rear lamp

1шт.

K925196

NO LONGER SERVICED

WIRE - L.H., side/rear lamp

1шт.

K942599

WIRE HARNESS

WIRE - trailer socket

1шт.

Выбрано товаров: 36