Запчасти Case 420B (186) - D25370 HYDRAULIC PUMP (20 G.P.M.)

Схема запчастей Case 420B - (186) - D25370 HYDRAULIC PUMP (20 G.P.M.)
12
24
21
4
2
20
5
15
10
17
9
13
25
18
16
8
7
11
19
23
6
1
18
3
22
20
14
17
FIT
1:1
100%

Артикул

Название

Примечание

Количество

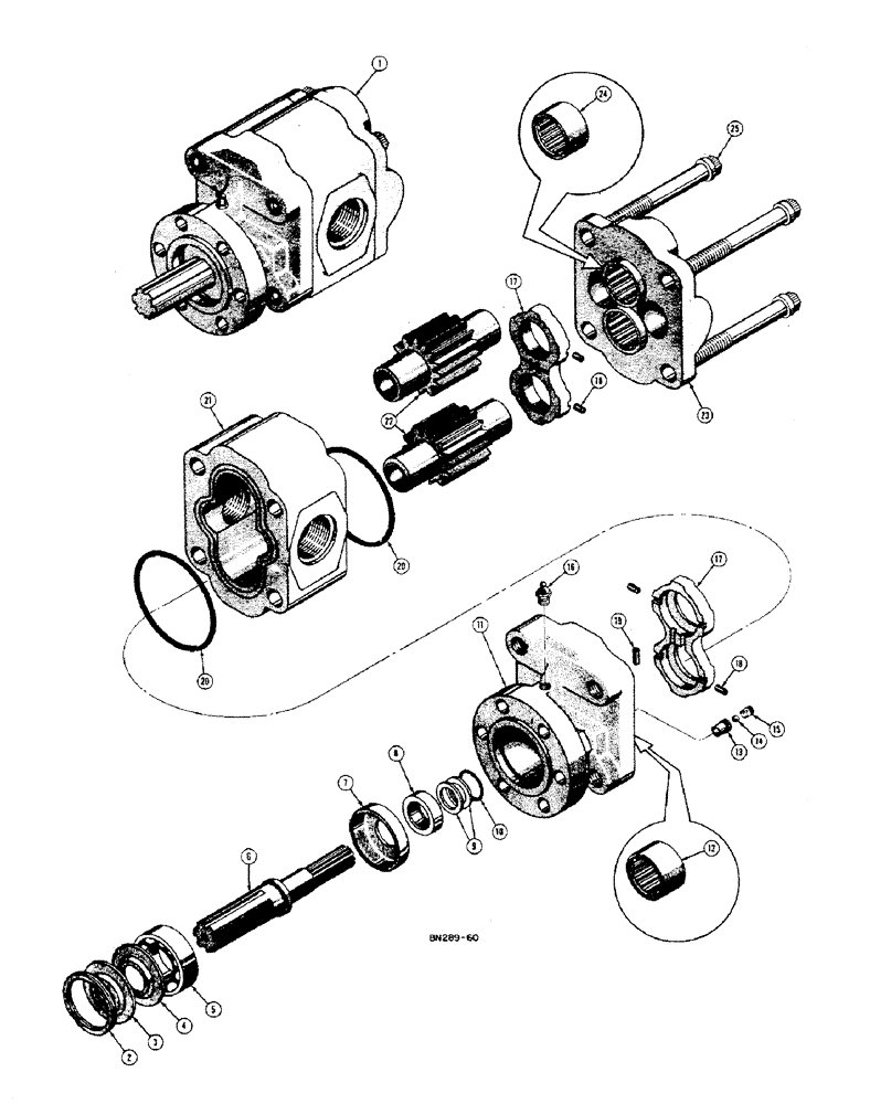
1

D25370

SPARE PART PUMP - hydraulic (Commercial shearing #P15H302BEER17-3), Includes: Ref. 2 - 25

1шт.

2

71466

SNAP RING,#206, 2.190", Int, Spiral

SNAP RING - bearing shield retaining

1шт.

3

71429

BEARING COVER

SHIELD - bearing

1шт.

4

D23270

X

SEAL - bearing

1шт.

5

R13676

BALL BEARING

BEARING - ball, drive shaft

1шт.

6

D26088

SPARE PART SHAFT - pump drive

1шт.

7

D26074

SPACER

SPACER - bearing

1шт.

8

D26070

OIL RESERVOIR

SEAL - oil

1шт.

9

D26071

RING

RING - backup

2шт.

10

D26072

X

O-RING - seal, drive shaft

1шт.

11

D26069

SPARE PART COVER - shaft end, Includes: Ref. 12 - 15

1шт.

12

D26073

ROLLER BEARING,28.575 mm ID x 41.275 mm OD x 25.4 mm

BEARING - roller

2шт.

13

71430

TOOL

SEAT - check valve

2шт.

14

O8635AB

X

BALL - check 1/4" dia.

2шт.

15

71432

TOOL

RETAINER - check ball

2шт.

16

219-1

LUBE NIPPLE,1/8" - 27 NPTF

(Lincoln #5000)

1шт.

17

D26077

LARGE PLATE

SPARE PART PLATE - thrust

2шт.

18

D26078

X

SEAL - pocket, short

8шт.

19

D26079

X

SEAL - npocket, long

4шт.

20

D26080

O-RING

SPARE PART O-RING - seal

2шт.

21

D26087

HOUSING - gear

1шт.

22

D26038

SPARE PART KIT - gear, drive and driven

1шт.

23

D26419

SPARE PART COVER - port end, Includes: Ref. 24

1шт.

24

D26073

ROLLER BEARING,28.575 mm ID x 41.275 mm OD x 25.4 mm

BEARING - roller

2шт.

25

166-97

12 PT SCREW,Flg, 1/2" - 13 x 4 1/2", Gr 8

SCREW - counter-bore, ferry cap 1/2-13 NC x 4-1/2

4шт.

Выбрано товаров: 25