Запчасти Case 420BD (170) - LOADER HYDRAULICS

Схема запчастей Case 420BD - (170) - LOADER HYDRAULICS
FIT
1:1
100%

Артикул

Название

Примечание

Количество

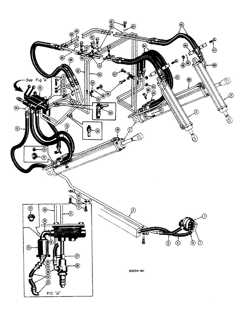
1

D25370

PUMP - hydraulic (See Figure 186 for breakdown)

1шт.

D24447

PUMP - hydraulic (See Figure 184 for breakdown) Use D25370

1шт.

2

D20700

CYLINDER - hydraulic, loader lift (See Figure. 174 for breakdown)

2шт.

3

D20411

CYLINDER - hydraulic, bucket (L.H.) (See Figure 176 for breakdown)

1шт.

4

D20412

CYLINDER - hydraulic, bucket (R.H.) (See Figure 176 for breakdown)

1шт.

5

D21237

LARGE HOSE

HOSE - suction, reservoir to pump (1" I.D. x 1-1/2" O.D. x 22")

1шт.

6

214-1420

HOSE CLAMP,#20, 0.81" - 1.75", Type F Worm

CLAMP - hose, D21237 hose

2шт.

7

D21233

TUBE - suction, pump inlet

1шт.

8

D20994

HOSE - pressure, pump to tube (3/4" I.D. x 1-5/32" O.D. x 11-1/2")

1шт.

9

D21243

TUBE - pressure, Serial Range: pump-valve

1шт.

10

49789

CLAMP

- tube

3шт.

11

14-48

BOLT,Hex, 1/4" - 28 x 1/2", Gr 5

3шт.

12

92-4

LOCK WASHER,1/4"

WASHER, LOCK, 1/4"

3шт.

13

DR10488

HOSE ASSY.

HOSE - pressure, tube to valve (3/4" I.D. x 1-5/32" O.D. x 36")

1шт.

14

218-486

ELBOW,90 Degree Elbow, 1-1/16" - 12 Male JIC x 3/4" - 14 Male NPTF

- 90 degree male (3/4 JIC x 3/4 NPT)

1шт.

15

D24387

SPOOL

VALVE - hydraulic, loader control (See Figure 180 for breakdown) "2712" on housing

1шт.

NLS

NO LONGER SERVICED

VALVE - hydraulic, loader control (See Figure 178 for breakdown) "1225" on housing

1шт.

16

14-640

BOLT,Hex, 3/8" - 24 x 2-1/2", Gr 5

HHCS - 3/8-24 NF x 2-1/2

3шт.

17

92-6

LOCK WASHER,3/8"

WASHER - med. sect. lock, 3/8"

3шт.

18

25-116

NUT,Hex, 3/8"-24, G5

- hex. (3/8-24 NF)

3шт.

19

221-211

PIPE,Nipple, 3/4" NPT x 1 3/8"

NIPPLE - pipe (3/4 NPT x 1-3/8)

1шт.

20

221-415

ELBOW,90 Degree, 3/4"-14, NPT

Street 90º, 3/4"-14, NPT

1шт.

21

D21003

FILTER

- hydraulic oil (See Figure 182 for breakdown)

1шт.

22

221-65

REDUCER,Hex, 1" x 3/4" NPT

BUSHING - reducing (1 NPT x 3/4 NPT) (If used)

2шт.

23

218-536

ELBOW,45 Degree, 1 1/1"6-12, 37 Degree x 3/4"-14, NPTF

- 45 degree male (3/4 NPT x 3/4 JIC)

1шт.

24

D21034

HOSE - bottom of filter to reservoir (3/4" I.D. x 1-5/32" O.D. x 22")

1шт.

25

218-486

ELBOW,90 Degree Elbow, 1-1/16" - 12 Male JIC x 3/4" - 14 Male NPTF

- 90 degrees male (3/4 JIC x 3/4 NPT)

1шт.

26

D24452

VALVE

- relief (See Figure 220 for breakdown) "2716" on housing

1шт.

NLS

NO LONGER SERVICED

VALVE - relief (See Figure 220 for breakdown) "985" on housing (Use D24452)

1шт.

27

D20963

TEE - special, control valve to relief valve

1шт.

28

218-493

ELBOW,90 Degree Elbow, 3/4" - 16 Male JIC x 1/2" - 14 Male NPTF

- 90 degrees male (1/2 JIC x 1/2 NPT)

1шт.

29

D21036

HOSE - bucket cylinder relief valve to reservoir (3/8" I.D. x 3/4" O.D. x 16-3/4")

1шт.

30

D20962

TUBE - valve to bucket cylinder rear hose (Inner)

1шт.

31

DR10480

TUBE - valve to bucket cylinder rear hose (Outer)

1шт.

32

218-456

HYD CONNECTOR,3/4" - 16 Male JIC x 1/2" - 14 Male NPTF

ADAPTER - male (1/2 JIC x 1/2 NPT)

2шт.

33

32978

PLATE ASSY.

CLAMP - tube

1шт.

34

14-520

BOLT,Hex, 5/16" - 24 x 1-1/4", Gr 5

1шт.

35

92-5

LOCK WASHER,5/16"

WASHER - med. sect. lock, 5/16"

1шт.

36

DR10503

HOSE - R.H. bucket cylinder to valve (Rear) (1/2" I.D. x 7/8" O.D. x 20")

2шт.

37

DR10501

TUBE - R.H. bucket cylinder, inner

1шт.

38

DR10526

TUBE - R.H. bucket cylinder, outer

1шт.

39

DR10497

TUBE - manifold, rear of L.H. bucket cylinder

1шт.

40

DR10495

TUBE - manifold, front of L.H. bucket cylinder

1шт.

41

32978

PLATE ASSY.

CLAMP - bucket cylinder tubes

6шт.

42

14-520

BOLT,Hex, 5/16" - 24 x 1-1/4", Gr 5

6шт.

43

92-5

LOCK WASHER,5/16"

WASHER - med. sect. lock, 5/16"

6шт.

44

95-5

WASHER,3/8" x 7/8" x .083"

- plain (5/16)

6шт.

45

D20736

HOSE - lift arm tube to bucket cylinder tube (1/2" I.D. x 7/8" O.D. x 27")

4шт.

46

31665

COLLAR CLAMP

CLAMP - hose

4шт.

47

14-532

BOLT,Hex, 5/16" - 24 x 2", Gr 5

HHCS - 5/16-24 NF x 2

2шт.

48

92-5

LOCK WASHER,5/16"

WASHER - med. sect. lock, 5/16"

2шт.

49

25-115

NUT,5/16"-24, G5

- hex (5/16"-24 NF)

2шт.

50

DR10505

TUBE - hose to bucket cylinder

2шт.

51

218-493

ELBOW,90 Degree Elbow, 3/4" - 16 Male JIC x 1/2" - 14 Male NPTF

- 90 degree male (1/2 JIC x 1/2 NPT)

4шт.

52

DR10478

TUBE - manifold, to L.H. lift cylinder (Front)

1шт.

53

DR10476

TUBE - manifold, to L.H. lift cylinder (Rear)

1шт.

54

50877

TEE - special, male

2шт.

55

32978

PLATE ASSY.

CLAMP - manifold tube for lift cylinder, sides

3шт.

56

14-520

BOLT,Hex, 5/16" - 24 x 1-1/4", Gr 5

2шт.

57

14-524

BOLT,Hex, 5/16" - 24 x 1-1/2", Gr 5

HHCS - 5/16-24 NF x 1-1/2

1шт.

58

92-5

LOCK WASHER,5/16"

WASHER - med. sect. lock, 5/16"

3шт.

59

95-5

WASHER,3/8" x 7/8" x .083"

- plain (5/16)

2шт.

60

38331

PLATE

CLAMP - manifold tubes for lift cylinder (Top)

2шт.

61

14-520

BOLT,Hex, 5/16" - 24 x 1-1/4", Gr 5

2шт.

62

92-5

LOCK WASHER,5/16"

WASHER - med. sect. lock, 5/16"

2шт.

63

25-115

NUT,5/16"-24, G5

- hex (5/16"-24 NF)

1шт.

64

38349

HOSE - manifold tube to L.H. lift cylinder tube (1/2" I.D. x 7/8" O.D. x 25-1/2")

2шт.

65

31665

COLLAR CLAMP

CLAMP - hose

4шт.

66

14-528

BOLT,Hex, 5/16" - 24 x 1-3/4", Gr 5

2шт.

67

92-5

LOCK WASHER,5/16"

WASHER - med. sect. lock, 5/16"

2шт.

68

25-115

NUT,5/16"-24, G5

- hex (5/16"-24 NF)

2шт.

69

D21025

TUBE - to front of lift cylinder

2шт.

70

218-493

ELBOW,90 Degree Elbow, 3/4" - 16 Male JIC x 1/2" - 14 Male NPTF

- 90 degree male (1/2 JIC x 1/2 NPT)

3шт.

71

D20359

TEE - special, R.H. lift cylinder rear hose

1шт.

72

221-2

DRAIN PLUG,Sq Hd, 1/4"-18 NPTF

PLUG - pipe (1/4 NPT)

1шт.

73

DR10486

HOSE ASSY.

HOSE - R.H. lift cylinder to control valve (1/2" I.D. x 7/8" O.D. x 30")

2шт.

Выбрано товаров: 76