Запчасти Case 430CK (009C) - CYLINDER BLOCK ASSY., (148B) SPARK IGNITION ENGINE, CASTING NO. G2034, W/ BRACKET MOUNTED OIL FILTER

Схема запчастей Case 430CK - (009C) - CYLINDER BLOCK ASSY., (148B) SPARK IGNITION ENGINE, CASTING NO. G2034, W/ BRACKET MOUNTED OIL FILTER
FIT
1:1
100%

Артикул

Название

Примечание

Количество

G10506

X

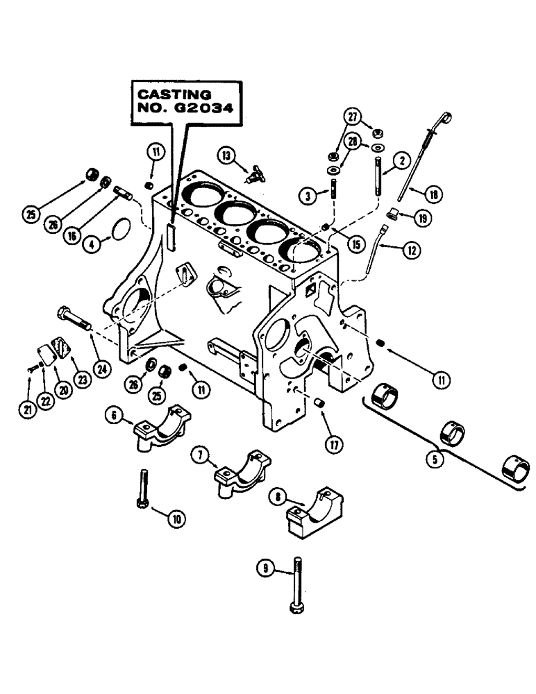
BLOCK ASSY. - short (Casting no. G2034) (Order A40586 from Figure 8 or 9A), Inlcudes: Ref. 1 - 28

1шт.

1

G11911

X

BLOCK ASSY. - stripped (Casting no. G2034), Inlcudes: Ref. 2 - 11

1шт.

2

A29436

STUD

- cyl. head, 1/2" N.C. x 5-7/8"

5шт.

3

A30057

STUD

- cyl. head, 1/2" N.C. x 2"

9шт.

4

A39241

PLUG,Exp, 2.12" dia

- rear, 2-1/8" exp

1шт.

5

A41225

KIT

BUSHING SET - camshaft (Replaces A30346)

1шт.

6

G2037

CAP

- rear bearing, crankshaft

1шт.

7

G2036

CAP

- center bearing, crankshaft

1шт.

8

G2035

CAP

- front bearing, crankshaft

1шт.

9

G49059

BOLT

- front brg. cap, 1/2 x 4-3/4" N.C. special

2шт.

10

G49037

BOLT

- bearing cap, 1/2 x 3" N.C. special

4шт.

11

217-433

PLUG,Hex Soc, 1/4" - 18 NPTF

Oil gallery Hex Soc, 1/4"-18 NPTF

3шт.

12

G45139

BRACKET

SUPPORT - dipstick

1шт.

13

217-103

COCK, DRAIN

DRAIN COCK - cylinder block, 1/4" P.T.

1шт.

15

221-1850

PLUG,Hex Soc, 1/16"-27

- L.H. side, 1/16" P.T. sckt. hd.

1шт.

16

A29333

STUD

- engine to torque tube, 5/8" N.F. x 3"

2шт.

17

A29442

RING

- dowel, timing gear cover

2шт.

18

G37037

DIPSTICK

- oil level, Inlcudes: Ref. 19

1шт.

19

G46892

OIL SEAL

- dipstick

1шт.

20

G11702

COVER

- fuel pump opening

1шт.

21

13-512

BOLT,Hex, 5/16" - 18 x 3/4", Gr 5

2шт.

22

92-5

LOCK WASHER,5/16"

2шт.

23

G46902

GASKET

- cover

1шт.

24

A30099

X

BOLT - eng. to torque tube, 5/8 x 3-1/2" N.F. special

2шт.

25

25-1110

NUT,5/8"-18, G5

- 5/8" N.F. hex.

4шт.

26

92-10

LOCK WASHER,5/8"

WASHER, LOCK, 5/8"

4шт.

27

A30021

NUT

- 1/2" N.F. hex.

14шт.

28

G49404

WASHER

- 17/32 x 27/32 x 1/16"

14шт.

Выбрано товаров: 28