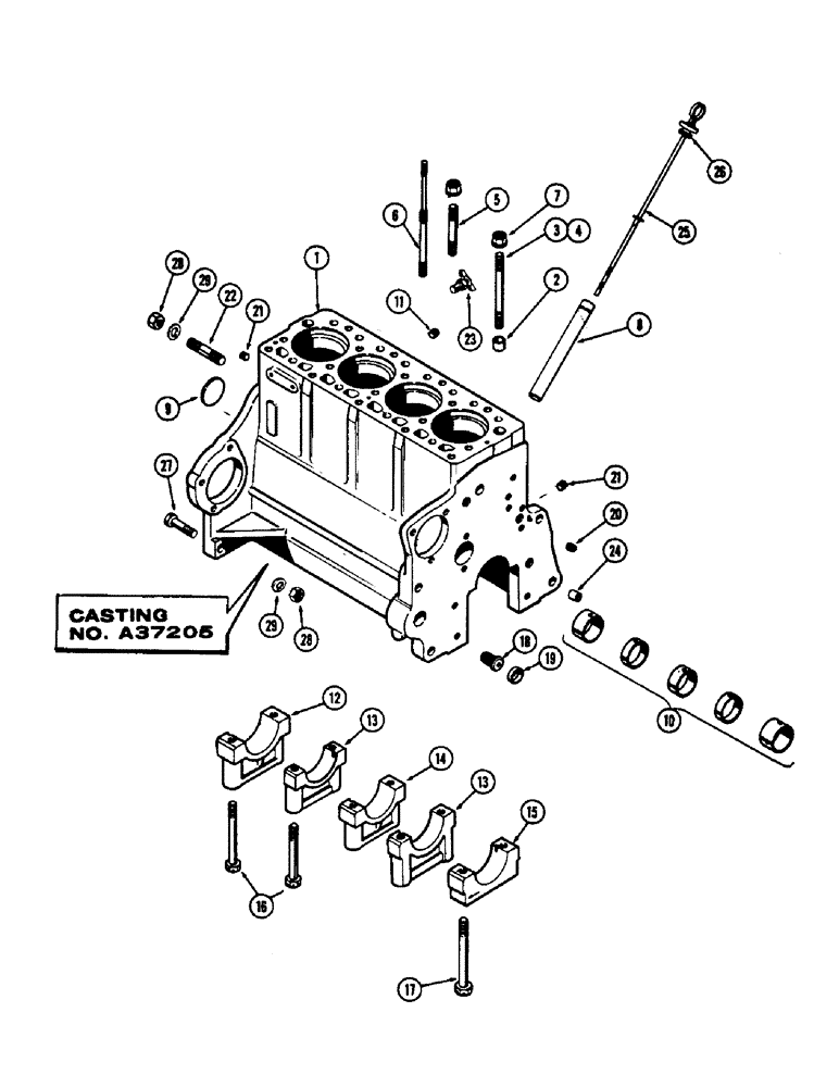
Запчасти Case 430CK (032) - CYLINDER BLOCK ASSEMBLY, (188) DIESEL ENGINE, CASTING NUMBER A37205, WITH WIDE FLANGED SLEEVES

Схема запчастей Case 430CK - (032) - CYLINDER BLOCK ASSEMBLY, (188) DIESEL ENGINE, CASTING NUMBER A37205, WITH WIDE FLANGED SLEEVES
FIT
1:1
100%

Артикул

Название

Примечание

Количество

A40592

BLOCK ASSY - short, casting no. A37205, Inlcudes: Ref. 1 - 26

1шт.

Includes stripped block, crankshaft and bearings, camshaft and gear, pistons and sleeves, connecting rods and oil pump. Late production of A40592 short block assembly, use casting no A37205, which is machined to use either narrow or wide flanged sleeves and also eliminates the oil filter bracket.

1шт.

1

A40818

BLOCK ASSY. - stripped (Casting no. A3205)

1шт.

2

G49608

RING

DOWEL -, Serial Range: head-block

2шт.

3

A36902

STUD

- head to block, 1/2" N.C. x 5-5/8"

11шт.

4

A36905

STUD

- head to block, 1/2" N.C. x 6"

2шт.

5

A36904

STUD

- head to block, 1/2" N.C. x 4"

4шт.

6

A36903

STUD

- head & cover

2шт.

7

A37030

FLANGE NUT

- head stud, 1/2" N.C. flanged

19шт.

8

A3149

TUBE - oil filler & dipstick

1шт.

9

A39241

PLUG,Exp, 2.12" dia

- camshaft hole, 2-1/8" exp. (Replaces A39241)

1шт.

10

A47746

BUSHING SET - camshaft (Replaces A36317)

1шт.

11

221-1032

DRAIN PLUG,Sq Soc, 3/8"-18 NPTF

PLUG - heater opening, 3/8" P.T.

1шт.

12

A51057

CAP

- rear brg., crankshaft (Replaces G2129)

1шт.

13

A51055

CAP

- intermediate brg., crankshaft (Replaces G2128)

2шт.

14

A51056

CAP

- center brg., crankshaft (Replaces G2127)

1шт.

15

A51054

CAP

- front brg., crankshaft (Replaces G2126)

1шт.

16

26-872

BOLT,Hex, 1/2" - 13 x 4-1/2", Gr 8

- brg. cap, 1/2 x 4-1/2" N.C. hex. special (Replaces G49078)

8шт.

17

26-882

BOLT,Hex, 1/2" - 13 x 5-1/8", Gr 8

- front brg. cap, 1/2 x 5-1/8" N.C. hex. special (Replaces G49077)

2шт.

18

A153552

ADAPTER

- oil filter

1шт.

19

A37207

X

PLUG - filter adapter, 1" cup

1шт.

20

G49070

PLUG

- drilled, oil gallery front

1шт.

21

217-433

PLUG,Hex Soc, 1/4" - 18 NPTF

Oil gallery Hex Soc, 1/4"-18 NPTF

2шт.

22

A29333

STUD

- eng. to torque tube, 5/8" N.F. x 3"

2шт.

23

217-103

COCK, DRAIN

DRAIN COCK - cylinder block, 1/4" P.T.

1шт.

24

A29442

RING

- dowel, timing gear cover

2шт.

25

A37148

DIPSTICK

ASSY. - oil level

1шт.

26

F62075

O-RING,0.139" Thk x 0.734" ID, -210, Cl 5, 75 Duro

"O" RING - 3/4 x 1 x 1/8"

2шт.

27

A30099

X

BOLT - eng. to torque tube, 5/8 x 3-1/2" N.F. hex.

2шт.

28

25-1110

NUT,5/8"-18, G5

- 5/8" N.F. hex.

4шт.

29

92-10

LOCK WASHER,5/8"

WASHER, LOCK, 5/8"

4шт.

Выбрано товаров: 31