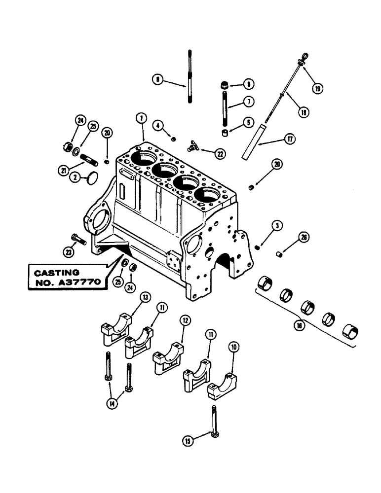
Запчасти Case 430CK (033A) - CYLINDER BLOCK ASSEMBLY, (188) DIESEL ENGINE, CASTING NUMBER A37770, WITH WIDE FLANGED SLEEVES

Схема запчастей Case 430CK - (033A) - CYLINDER BLOCK ASSEMBLY, (188) DIESEL ENGINE, CASTING NUMBER A37770, WITH WIDE FLANGED SLEEVES
FIT
1:1
100%

Артикул

Название

Примечание

Количество

NS

NOT SERVICED

BLOCK ASSY. - short (Casting no. A37770) (Order A40592 from Figure 33C) (Incl. stripped block, crankshaft & brgs., camshaft & gear, pistons & conn. rods & oil pump assy.)

1шт.

1

NS

NOT SERVICED

BLOCK ASSY. - stripped (Casting no. A37770) (Order A40818 from Figure 32)

1шт.

2

A39241

PLUG,Exp, 2.12" dia

- camshaft hole, 2-1/8" dia. (Replaces A30033)

1шт.

3

G49070

PLUG

- drilled, oil gallery front

1шт.

4

221-1032

DRAIN PLUG,Sq Soc, 3/8"-18 NPTF

PLUG - heater opening, 3/8" P.T. sckt. hd.

1шт.

5

G49608

RING

DOWEL -, Serial Range: head-block

2шт.

7

A37904

STUD - head to block, 1/2" N.C. x 4"

4шт.

7

A36902

STUD

- head to block, 1/2" N.C. x 5-5/8"

11шт.

7

A36905

STUD

- head to block, 1/2" N.C. x 6"

2шт.

8

A36903

STUD

- head and cover

2шт.

9

A37030

FLANGE NUT

- head stud, 1/2" N.C. hex. flanged

19шт.

10

A51054

CAP

- front brg., crankshaft (Replaces G2126)

1шт.

11

A51055

CAP

- intermediate brg., crankshaft (Replaces G2128)

2шт.

12

A51056

CAP

- center brg., crankshaft (Replaces G2127)

1шт.

13

A51057

CAP

- rear brg., crankshaft (Replaces G2129)

1шт.

14

26-872

BOLT,Hex, 1/2" - 13 x 4-1/2", Gr 8

- brg. cap, 1/2 x 4-1/2" N.C. hex. special (Replaces G49078)

8шт.

15

26-882

BOLT,Hex, 1/2" - 13 x 5-1/8", Gr 8

- front brg. cap, 1/2 x 5-1/8" N.C. hex. special (Replaces G49077)

2шт.

16

A42746

CAM

BUSHING SET - camshaft (Replaces A36317)

1шт.

17

A3149

TUBE - dipstick

1шт.

18

A37148

DIPSTICK

- oil level

1шт.

19

F62075

O-RING,0.139" Thk x 0.734" ID, -210, Cl 5, 75 Duro

"O" RING - 3/4 x 1 x 1/8"

2шт.

20

217-433

PLUG,Hex Soc, 1/4" - 18 NPTF

Oil gallery Hex Soc, 1/4"-18 NPTF

2шт.

21

A29333

STUD

- eng. mtg., 5/8" N.C. x 2-1/2"

2шт.

22

217-103

COCK, DRAIN

COCK - drain, cyl. block, 1/4" P.T.

1шт.

23

A30099

X

BOLT - eng. to torque tube, 5/8 x 3-1/2" N.F. hex.

2шт.

24

25-1110

NUT,5/8"-18, G5

- 5/8" N.F. hex.

4шт.

25

92-10

LOCK WASHER,5/8"

WASHER, LOCK, 5/8"

4шт.

26

A29442

RING

- dowel, timing gear cover

1шт.

Выбрано товаров: 28