Запчасти Case 430CK (040) - MANIFOLD, MUFFLER AND AIR CLEANER, (188) DIESEL ENGINE

Схема запчастей Case 430CK - (040) - MANIFOLD, MUFFLER AND AIR CLEANER, (188) DIESEL ENGINE
FIT
1:1
100%

Артикул

Название

Примечание

Количество

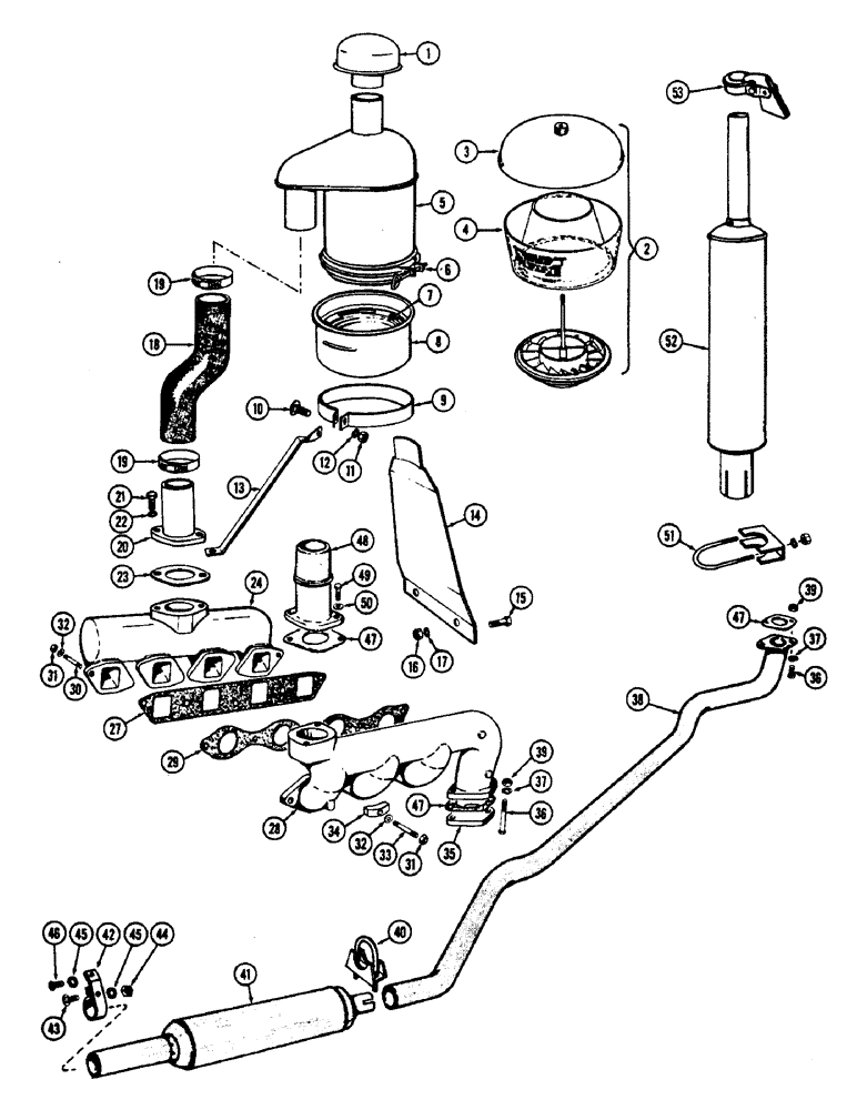
1

D22685

CAP

- air cleaner

1шт.

2

D20604

PRECLEANER

PRE-CLEANER ASSY, Inlcudes: Ref. 3 and 4

1шт.

3

D30676

COVER

1шт.

4

D30675

BODY

- (Plastic)

1шт.

5

A35585

AIR CLEANER

- complete, Inlcudes: Ref. 6 - 8

1шт.

6

G45153

CLAMP

- oil cup

1шт.

7

G46324

CUP

- oil, inner

1шт.

8

G46325

CUP

- oil, outer

1шт.

9

G15614

BAND - mtg., air cleaner

2шт.

10

11-420

BOLT - 1/4 x 1-1/4" rd. hd. sq. nk.

1шт.

11

131-48

LOCK NUT,1/4"-20, GB

NUT - 1/4" N.C. hex. (nylon locking)

1шт.

12

92-4

LOCK WASHER,1/4"

WASHER, LOCK, 1/4"

1шт.

13

A37788

BRACE - air, Serial Range: cleaner-engine

1шт.

14

A36613

BRACKET

- mounting, air cleaner

1шт.

15

14-612

BOLT,Hex, 3/8" - 24 x 3/4", Gr 5, Full Thd

2шт.

16

25-116

NUT,Hex, 3/8"-24, G5

- 3/8" N.F. hex.

2шт.

17

92-6

LOCK WASHER,3/8"

std. 3/8"

2шт.

18

A35589

LARGE HOSE

HOSE - air, Serial Range: cleaner,-manifold

1шт.

19

214-262

HOSE CLAMP,#44, 2.31" - 3.25", Type F Worm

CLAMP - hose

2шт.

20

A37098

FLANGE

-, Serial Range: hose-manifold

1шт.

21

13-618

BOLT,Hex, 3/8" - 16 x 1-1/8", Gr 5

2шт.

22

92-6

LOCK WASHER,3/8"

std. 3/8"

2шт.

23

D22670

GASKET

-, Serial Range: flange-manifold

1шт.

24

A35782

MANIFOLD

- intake

1шт.

27

G46871

GASKET

- intake manifold

1шт.

28

G2113

EXHAUST MANIFOLD

MANIFOLD - exhaust

1шт.

29

G46872

MANIFOLD GASKET

- exhaust manifold

1шт.

30

A29431

STUD

- manifold to hd. (3/8 x 1-3/4")

4шт.

31

131-903

NUT,3/8"-16

NUT - 3/8" N.C. (Seez-Pruf)

10шт.

32

92-6

LOCK WASHER,3/8"

std. 3/8"

10шт.

33

A35175

STUD

- manifold clamp (3/8 x 2-7/16")

6шт.

34

A35028

CLAMP

-, Serial Range: manifold-head

6шт.

35

G2044

LARGE PLATE

COVER - exhaust opening

1шт.

36

13-624

BOLT,Hex, 3/8" - 16 x 1-1/2", Gr 5

- 3/8 x 1-1/2" N.C. hex. hd.

1шт.

37

92-6

LOCK WASHER,3/8"

std. 3/8"

2шт.

38

A36908

PIPE, EXHAUST SYSTEM

PIPE - exhaust, underneath muffler

1шт.

39

25-106

NUT,3/8"-16, G5

- 3/8" N.C. hex.

6шт.

40

A27077

CLAMP

-, Serial Range: muffler-pipe

1шт.

41

G45287

MUFFLER

- underneath

1шт.

42

A36909

BRACKET

CLAMP - muffler rear

1шт.

43

11-516

BOLT,Short NK, 5/16"-18 x 1", G2

CARRIAGE, Short NK, 5/16"-18 x 1", G2

1шт.

44

9635082

NUT,5/16" - 18, Gr 5

- 5/16" N.C. hex.

1шт.

45

92-5

LOCK WASHER,5/16"

std. 5/16"

2шт.

46

13-516

BOLT,Hex, 5/16" - 18 x 1", Gr 5

1шт.

47

G46853

MANIFOLD GASKET

- exhaust opening

2шт.

48

62095

ELBOW - exhaust, upright muffler

1шт.

49

13-616

BOLT,Hex, 3/8" - 16 x 1", Gr 5, Full Thd

2шт.

50

92-6

LOCK WASHER,3/8"

std. 3/8"

2шт.

51

A13240

CLAMP,2-5/8" ID

- muffler

1шт.

52

G45239

MUFFLER

- upright

1шт.

53

G45048

CAP

- weather, upright muffler

1шт.

Выбрано товаров: 51