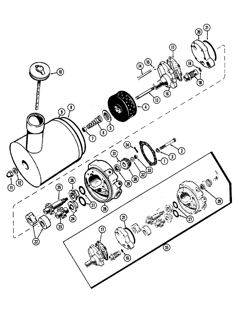
Запчасти Case 430CK (096) - A36559 PUMP

Схема запчастей Case 430CK - (096) - A36559 PUMP
FIT
1:1
100%

Артикул

Название

Примечание

Количество

A36559

PUMP

- power steering, Inlcudes: Ref. 1 - 34

1шт.

1

A30042

GASKET

- Pump Engin

1шт.

2

13-652

BOLT,Hex, 3/8" - 16 x 3-1/4", Gr 5

- 3/8 x 3-1/4" N.C. hex.

3шт.

3

92-6

LOCK WASHER,3/8"

3шт.

4

A30834

ELEMENT

- filter

1шт.

5

A35962

CAP

- filter element

1шт.

6

A35963

SPRING

- filter element

1шт.

7

25-156

JAM NUT,Jam, 3/8"-24, G5

- 3/8" N.F. hex. jam

1шт.

8

A35965

O-RING,2.87mm Thk x 120.27mm ID

GASKET - reservoir to pump

1шт.

9

A35951

RESERVOIR

1шт.

10

A35967

GAUGE

CAP - filler (Incl. dipstick)

1шт.

10

A35967AM

DIPSTICK

CAP - filler (Incl. dipstick)

1шт.

11

129-525

CROWN NUT,Crown, 3/8"-16

- 5/16" N.F. acorn

1шт.

12

A35961

WASHER

- fiber

1шт.

13

A35952

STUD

- Reservoir Pump

1шт.

14

A35964

BOLT (SPREADER)

BOLT - pump cover

6шт.

15

92-4

LOCK WASHER,1/4"

WASHER, LOCK, 1/4"

6шт.

16

A35950

COVER

- rear

1шт.

17

A35966

GASKET

- rear cover

1шт.

Part of repair seal kit P/N A35970

1шт.

18

A35968

CARTRIDGE

VALVE ASSY. - relief, Inlcudes: Ref. 19

1шт.

19

A42187

O-RING,0.426" ID x 0.566" OD x 0.07"

"O" RING - relief valve (Replaces A35969)

1шт.

Part of repair seal kit P/N A35970

1шт.

20

A35949

COVER

- intermediate

1шт.

21

A35959

O-RING,2.55" ID x 2.756" OD x 0.103"

GASKET - intermediate cover

1шт.

22

A35956

BEARING

- rear

2шт.

23

A35954

GEAR

- driven

1шт.

24

A35955

BEARING

- driven gear, front

1шт.

25

A25593

GEAR

- drive

1шт.

26

A35957

BEARING

- drive gear, front

1шт.

27

A35958

O-RING,0.103" Thk x 1.049" ID, -121, Cl 5, 75 Duro

"O" RING - front bearing

2шт.

Part of repair seal kit P/N A35970

1шт.

28

A35948

BODY

- pump

1шт.

29

G13827

OIL SEAL

- drive shaft (Replaces A35960)

1шт.

Part of repair seal kit P/N A35970

1шт.

30

A25594

GEAR

- pump drive

1шт.

31

126-109

WOODRUFF KEY,#3, 1/8" x 1/2", HT

Drive gear #3, 1/8" x 1/2", HT

1шт.

32

195-25

WASHER,3/8"

- 13/32 x 13/16 x 5/64"

1шт.

33

F18390

NUT

- gear

1шт.

34

132-5

COTTER PIN,1/16" x 1/2"

Pin, Split (Cotter), 1/16" x 1/2"

1шт.

35

A35970

KIT

- seal, repair, Includes: Ref. 17, 19, 21, 27 and 29

1шт.

Выбрано товаров: 41