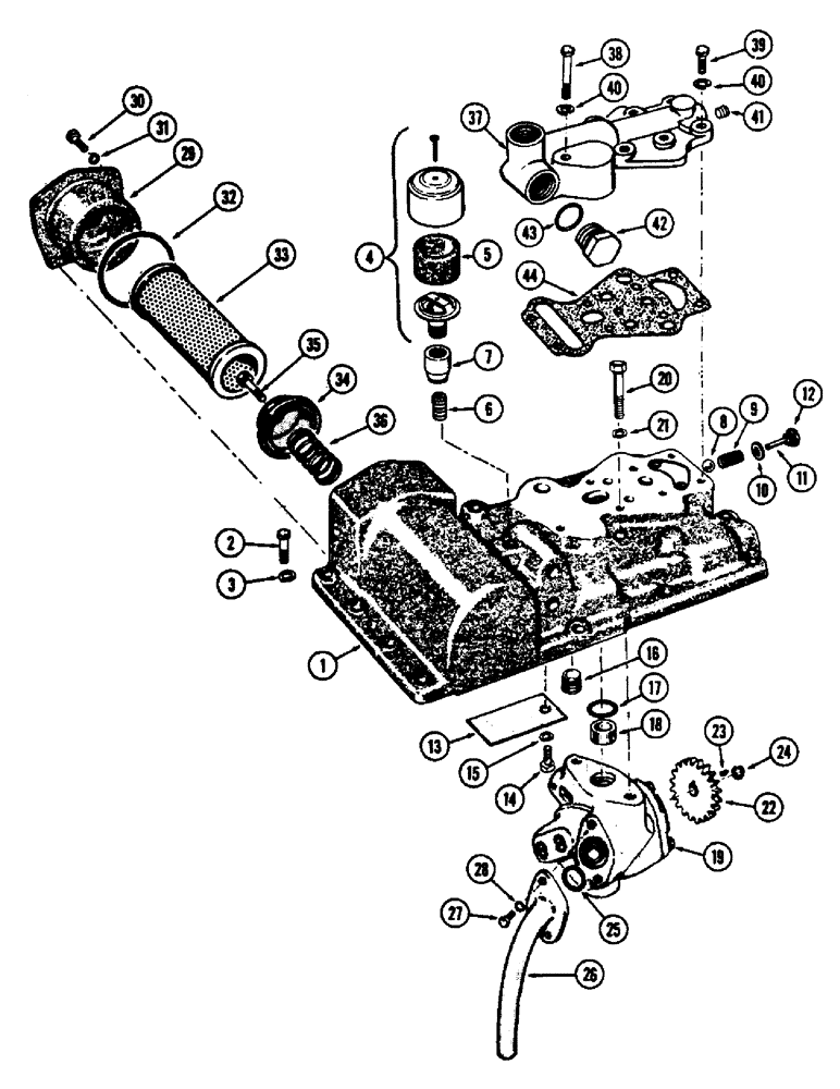
Запчасти Case 430CK (110) - HYDRAULIC PUMP AND ADAPTER

Схема запчастей Case 430CK - (110) - HYDRAULIC PUMP AND ADAPTER
FIT
1:1
100%

Артикул

Название

Примечание

Количество

1

A35424

HOUSING

- adapter, hydraulic

1шт.

2

13-616

BOLT,Hex, 3/8" - 16 x 1", Gr 5, Full Thd

9шт.

13-628

BOLT,Hex, 3/8" - 16 x 1-3/4", Gr 5

2шт.

3

92-6

LOCK WASHER,3/8"

std. 3/8"

11шт.

4

A9238

BREATHER

- oil, Inlcudes: Ref. 5

1шт.

5

A10059

FILTER, ELEMENT

ELEMENT - filter, breather

1шт.

6

221-130

PIPE,Nipple, 1/4" NPT x 7/8"

NIPPLE - pipe, 1/4" P.T. x 7/8"

1шт.

7

221-731

COUPLING - reducer, 3/4" x 1/4"

1шт.

8

211-14

BALL,9/16" Dia

- drop check valve (.) 9/16" Dia

1шт.

9

A35427

SPRING

- drop check valve

1шт.

10

A27927

OIL PAN GASKET SET

- plug, drop check valve

1шт.

11

138-106

LOCK PIN,3/16" x 2 1/2", Slotted

PIN, 3/16" x 2 1/2", Slotted

1шт.

12

A14280

PLUG

- drop check valve

1шт.

13

G10922

BAFFLE - oil

1шт.

14

13-48

BOLT,Hex, 1/4" - 20 x 1/2", Gr 5

1шт.

15

92-4

LOCK WASHER,1/4"

WASHER, LOCK, 1/4"

1шт.

16

221-32

PLUG,Sq Soc, 3/8"-18 NPTF

- pipe, 3/8" socket hd.

1шт.

17

A7623

O-RING,0.139" Thk x 0.984" ID, -214, Cl 5, 75 Duro

"O" RING - pump to adapter

1шт.

18

G10929

BUSHING

- dowel, Serial Range: pump-hsg.

1шт.

19

A35081

PUMP

- hyd. (For repairs see Figure 112)

1шт.

20

13-732

BOLT,Hex, 7/16" - 14 x 2", Gr 5

2шт.

21

92-7

LOCK WASHER,7/16"

std. 7/16"

2шт.

22

A35082

GEAR

- pump drive

1шт.

23

126-11

WOODRUFF KEY,#5, 1/8" x 5/8"

1шт.

24

G46176

SNAP RING,#56, Ext

RING - Snap, , gear to pump #56, Ext

1шт.

25

A27352

O-RING,0.859" ID x 1.137" OD x 0.139"

"O" RING - suction tube to pump

1шт.

26

A35213

TUBE

- suction pump

1шт.

27

13-512

BOLT,Hex, 5/16" - 18 x 3/4", Gr 5

2шт.

28

92-5

LOCK WASHER,5/16"

std. 5/16"

2шт.

29

A35108

CAP

- cover, oil filter

1шт.

30

13-512

BOLT,Hex, 5/16" - 18 x 3/4", Gr 5

4шт.

31

92-5

LOCK WASHER,5/16"

std. 5/16"

4шт.

32

A30095

O-RING,0.139" Thk x 2.984" ID, -234, Cl 5, 75 Duro

"O" RING - cap to housing

1шт.

33

A36524

FILTER, ELEMENT

ELEMENT - filter, hydraulic oil

1шт.

34

A36523

CAP

- retainer, filter element

1шт.

35

13-428

BOLT,Hex, 1/4" - 20 x 1-3/4", Gr 5

1шт.

36

A29993

VALVE SPRING

SPRING - retainer, filter element

1шт.

37

A35425

COVER ASSY

COVER - valve or housing (w/Draft-O-Matic)

1шт.

38

13-528

BOLT,Hex, 5/16" - 18 x 1-3/4", Gr 5

- 5/16" x 1-3/4" N.C. hex. hd.

1шт.

39

13-520

BOLT,Hex, 5/16" - 18 x 1-1/4", Gr 5

- 5/16" x 1-1/4" N.C. hex. hd.

7шт.

40

92-5

LOCK WASHER,5/16"

std. 5/16"

8шт.

41

221-849

PLUG,Hex Soc, 1/8"-27

- pipe, 1/8" socket hd.

1шт.

42

86512512

PLUG,7/8" - 14 ORB

5/8" O.D., Incl. Ref. 43 Hex Hd, 7/8"-14 ORB

1шт.

43

237-6010

O-RING,0.097" Thk x 0.755" ID, -910, Cl 6, 90 Duro

"O" RING - plug

1шт.

44

A35617

GASKET

- cover

1шт.

Выбрано товаров: 45