Запчасти Case 480B (141A) - REAR AXLE AND FINAL DRIVE

Схема запчастей Case 480B - (141A) - REAR AXLE AND FINAL DRIVE
FIT
1:1
100%

Артикул

Название

Примечание

Количество

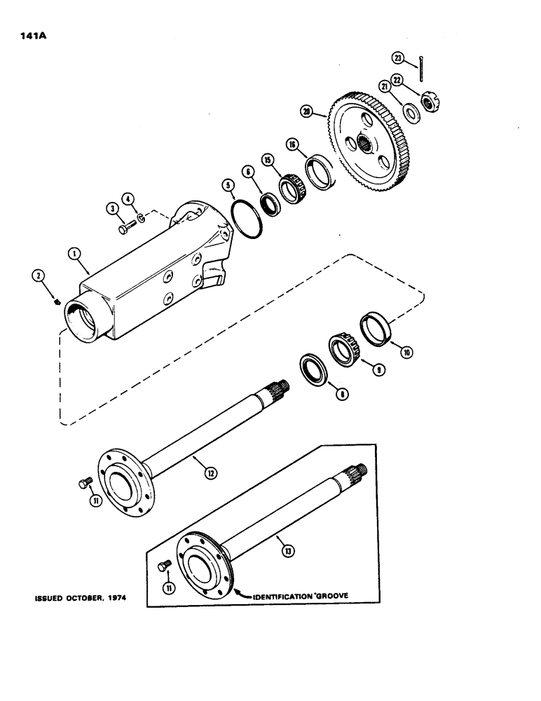
1

A51892

HOUSING

- axle. R.H. (Replaces A37068)

1шт.

1

A51893

HOUSING

- axle, L.H. (Replaces A37069)

1шт.

2

219-36

LUBE NIPPLE,45 Degree Elbow, 1/8" - 27 NPTF

FITTING - lube, 1/8" P.T. 45 deg.

2шт.

3

113-604

BOLT,Hex, 5/8" - 11 x 2", Gr 5

2шт.

3

113-620

BOLT,Hex, 5/8" - 11 x 2-1/4", Gr 5

- 5/8 x 2-1/4" N.C. hex.

6шт.

3

113-618

BOLT,Hex, 5/8" - 11 x 4", Gr 5

- 5/8 x 4" N.C. hex.

2шт.

4

92-10

LOCK WASHER,5/8"

WASHER, LOCK, 5/8"

10шт.

5

G10347

O-RING,0.139" Thk x 4.984" ID, -250, Cl 5, 75 Duro

"O" RING - housing to case (5 x 5-1/4 x 1/8")

2шт.

6

G13801

OIL SEAL

- oil, axle shaft inner (2-1/4 x 3-1/8 x 1/2")

2шт.

8

G13822

SEAL,73.66mm ID x 110.13mm OD x 11mm Thk

- oil, axle shaft outer (3 x 4-11/32 x 1/2")

2шт.

9

G15207

ROLLER BEARING

CONE - outer bearing, axle shaft

2шт.

10

G15208

BEARING CUP,110mm OD x 18.82mm W

CUP - outer bearing, axle shaft

2шт.

11

A38208

WHEEL BOLT,5/8-18 UNF Class 2A

BOLT - wheel to axle (5/8 x 1" N.F. spec.)

16шт.

12

A38209

SHAFT

- rear axle (w/o ident. groove) (Order ref. 13 & 15) (used prior to trans. ser. no. 2938061)

2шт.

13

A138233

SHAFT

- rear axle (w/identification groove) (1st used trans. ser. no. 2438061)

2шт.

14

G10414

ROLLER BEARING

CONE - inner bearing (Timken #3884) (Use on shaft w/o identification groove)

2шт.

15

L33289

ROLLER BEARING,57.1565mm ID x 21.857mm Thk

CONE - inner bearing, 2-1/4 inch ID (Timken #387A) (Use on shaft w/identification groove)

2шт.

16

G10415

BEARING CUP

CUP - inner bearing, axle shaft

2шт.

20

A37925

GEAR

- final drive

2шт.

21

F62105

WASHER,38.89mm ID x 69.85mm OD x 6.35mm Thk

- take-up (1-17/32 x 2-3/4 x 1/4")

2шт.

22

A30075

WHEEL NUT

- axle shaft (1-1/2" N.F. slotted)

2шт.

23

132-157

COTTER PIN,Ext Prong Sq Cut, 1/4" x 2 1/2"

Pin, Split (Cotter), 1/4" x 2 1/2"

2шт.

Выбрано товаров: 22