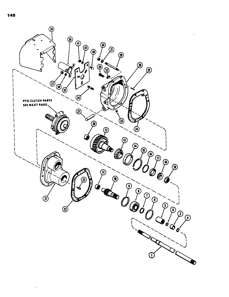
Запчасти Case 480B (148) - INDEPENDENT P.T.O.

Схема запчастей Case 480B - (148) - INDEPENDENT P.T.O.
FIT
1:1
100%

Артикул

Название

Примечание

Количество

1

A39077

SHAFT

ASSY. - drive (58-21/32" long), Includes: Ref. 3 and 4

1шт.

3

A38287

RACE

BEARING - needle

1шт.

4

A37643

SNAP RING,#102, .962", Ext

RING - snap

2шт.

5

A37662

COUPLING, BREAK AWAY

COUPLING - drive, Serial Range: shaft-gear

1шт.

6

A32441

RING, SNAP

RING - snap, coupling

1шт.

7

A21619

CIRCLIP

RING - snap, Serial Range: bearing-gear

1шт.

8

G13612

BALL BEARING

BEARING - input gear

1шт.

9

B18276

RING, SNAP

RING - snap, Serial Range: bearing-housing

2шт.

10

A37663

GEAR

- output

1шт.

11

F51104

NEEDLE BEARING,Needle, 25.4mm ID x 33.35mm OD x 19.05mm W

BEARING - needle, input gear

1шт.

12

A38278

GEAR WHEEL

GEAR - clutch drum

1шт.

13

G15211

ROLLER BEARING

CONE - rear bearing, drum gear

1шт.

14

A28168

CUP

- rear bearing, drum gear

1шт.

15

G46143

RING

- snap, rear bearing

1шт.

16

G46701

RING, SNAP

RING - snap, front bearing

1шт.

17

B12408

BEARING CUP,59.156 mm OD x 11.862 mm

CUP - front bearing, drum gear

1шт.

18

B12409

BEARING, ROLLER,31.763 mm ID x 16.84 mm

CONE - front bearing, drum gear

1шт.

19

G49010

LOCK NUT

- adjusting, drum gear

1шт.

20

F7232

BEARING

- needle, output shaft

1шт.

21

A38279

HOUSING

- front, P.T.O.

1шт.

22

G10447

GASKET

-, Serial Range: housing-transmission

1шт.

23

171-240

SCREW,Cross Flat Hd, 1/4" - 20 x 1", W/ Nylon Insert

- 1/4 x 1" flat hd. Spin Lock

2шт.

24

G46815

GASKET

- rear, Serial Range: housing-front

1шт.

25

G16764

PIN - dowel (1/2 x 1-7/8")

2шт.

26

A37677

HOUSING ASSY. - rear, P.T.O., Includes: Ref. 27

1шт.

27

A37679

SHAFT

- brake pivot

1шт.

28

165-102

CAPSCREW,Prev Torque, 3/8" - 16 x 1 3/4"

SCREW - lock, 3/8 x 1-3/4" N.C. socket hd.

2шт.

29

A37681

STUD

- P.T.O. N.F. x 5-9/32")

4шт.

30

25-116

NUT,Hex, 3/8"-24, G5

- 3/8" N.F. hex.

4шт.

31

92-6

LOCK WASHER,3/8"

4шт.

32

221-1851

PLUG,Hex Soc, 3/4"-14 NPTF

- 3/4" P.T. socket hd.

1шт.

33

221-1032

DRAIN PLUG,Sq Soc, 3/8"-18 NPTF

PLUG - 3/8" P.T. sq. socket hd.

1шт.

34

A7391

STUD

- mounting plate (3/8" N.C. - N.F. x 1-1/8")

3шт.

35

G16775

PLATE - guard mounting

1шт.

36

A38715

GUARD

- output shaft

1шт.

37

25-116

NUT,Hex, 3/8"-24, G5

- 3/8" N.F. hex.

3шт.

38

92-6

LOCK WASHER,3/8"

3шт.

39

A27335

GUARD

- universal joint

1шт.

40

11-612

BOLT

- 3/8 x 3/4" N.C. rd. sq. nk.

2шт.

41

25-106

NUT,3/8"-16, G5

- 3/8" N.C. hex.

2шт.

42

92-6

LOCK WASHER,3/8"

2шт.

Выбрано товаров: 41