Запчасти Case 480B (166) - OPERATORS CAB, CAB HEATER

Схема запчастей Case 480B - (166) - OPERATORS CAB, CAB HEATER
FIT
1:1
100%

Артикул

Название

Примечание

Количество

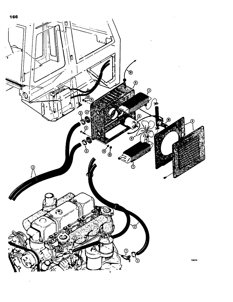
1

A16764

VALVE

- water shut-off

1шт.

2

F42219

HEATER HOSE

HOSE - heater, inlet and return

2шт.

3

214-253

HOSE CLAMP,#10, 0.56" - 1.06", Type F Worm

CLAMP - hose, 9/16" to 1-1/16"

4шт.

4

113-3

BOLT,Hex, 1/4" - 20 x 3/4", Gr 5

3шт.

5

113-5

BOLT,Hex, 1/4" - 20 x 1-1/2", Gr 5

Hex, 1/4"- 20 x 1 1/2", G5

1шт.

F93213

HEATER

ASSEMBLY - cab, Includes: Ref. 6 - 10

1шт.

6

F42221

CASE ASSEMBLY - heater

1шт.

7

F42221

CORE - heater

2шт.

7

F42222

CORE

- heater

2шт.

8

F42223

MOTOR

- heater, 12 volt

1шт.

9

F42224

FAN

- heater, 7" dia.

1шт.

10

F42225

SWITCH

- fan, 3 speed

1шт.

11

192-19

LOCK WASHER,Helical Spring, 0.256" ID, CST, ZND

WASHER, LOCK, 1/4"

4шт.

12

7770

NUT,Hex, 1/4 - 20, Cl 5

1/4"-20, G5

4шт.

13

A19940

PIPE

WIRE - jumper, heater to cab harness (40" long)

1шт.

15

221-1413

ELBOW,90 Degree, 3/8"-18, NPT

- street, 3/8" P.T. 90 deg.

1шт.

Выбрано товаров: 16