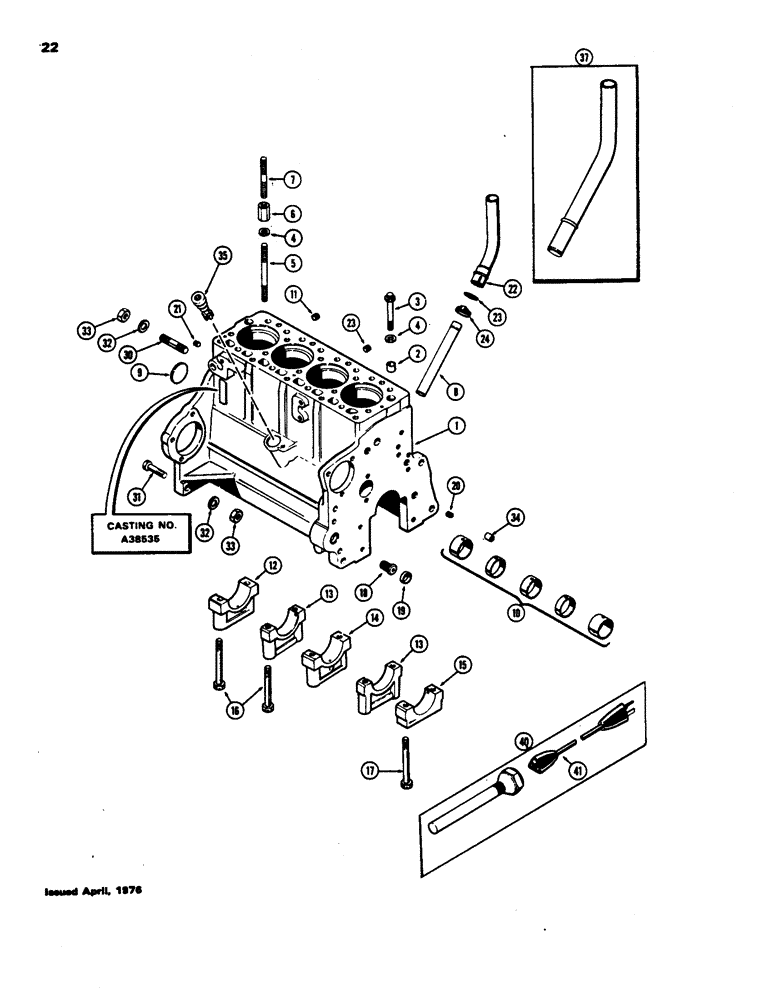
Запчасти Case 480B (022) - CYLINDER BLOCK, (188) DIESEL ENGINE, FIRST USED ENGINE S/N 2711005, USE WITH CYLINDER HEAD BOLTS

Схема запчастей Case 480B - (022) - CYLINDER BLOCK, (188) DIESEL ENGINE, FIRST USED ENGINE S/N 2711005, USE WITH CYLINDER HEAD BOLTS
FIT
1:1
100%

Артикул

Название

Примечание

Количество

A42814

CYLINDER BLOCK

BLOCK ASSY. - short (Casting #A38535) (Incl. crankshaft & brgs., connection rods & brgs., camshaft, piston assy. & timing gears), Includes: Ref. 1 - 24

1шт.

1

A41597

SKELETON ENGINE

BLOCK ASSY. - stripped (Casting #A38535), Includes: Ref. 2 - 24

1шт.

2

G49608

RING

- dowel, head locating

2шт.

3

A39047

12 PT SCREW

BOLT - 1/2 x 3-1/2' N.C., 12 pt. hd.

4шт.

3

A39048

12 PT SCREW

BOLT - 1/2 x 5-1/8" N.C., 12 pt. hd.

11шт.

3

A39049

12 PT SCREW

BOLT - 1/2 x 5-5/8" N.C., 12 pt. hd.

2шт.

4

A39046

WASHER,13.11mm ID x 22.23mm OD x 3.34mm Thk

- 1/2 x 7/8 x 1/8"

19шт.

5

A36902

STUD

- 1/2" N.C. x 5-5/8"

2шт.

6

A51114

NUT

- 1/2" N.C. x 3/8" N.C.

2шт.

7

A51271

STUD

- 3/8" N.C. x 3-1/2"

2шт.

8

A37149

TUBE

- oil filler & dipstick

1шт.

9

A39241

PLUG,Exp, 2.12" dia

- 2-1/8" exp. (Replaces A30033)

1шт.

10

A42746

CAM

BUSHING SET - camshaft

1шт.

11

221-1032

DRAIN PLUG,Sq Soc, 3/8"-18 NPTF

PLUG - 3/8" P.T., sckt. hd

1шт.

12

A51057

CAP

- main bearing, rear (Replaces A38385)

1шт.

13

A51055

CAP

- main bearing, intermediate (Replaces G2128)

2шт.

14

A51056

CAP

- main bearing, center (Replaces G2127)

1шт.

15

A51054

CAP

- main bearing, front (Replaces G2126)

1шт.

16

26-872

BOLT,Hex, 1/2" - 13 x 4-1/2", Gr 8

- 1/2 x 4-1/2" N.C. hex

8шт.

17

26-882

BOLT,Hex, 1/2" - 13 x 5-1/8", Gr 8

- 1/2 x 5-1/8" N.C. hex

2шт.

18

A153552

ADAPTER

- oil filter

1шт.

19

41-1016

PLUG,Cup, 1"

- 1" cup

1шт.

20

G49070

PLUG

- 1/4" P.T., drilled

1шт.

21

217-433

PLUG,Hex Soc, 1/4" - 18 NPTF

2шт.

22

A37407

TUBE

- oil filler extension (See Ref. 37)

1шт.

23

A27342

O-RING,1.109" ID x 1.387" OD x 0.139"

"O" RING - 1-1/8 x 1-3/8 x 1/8"

1шт.

24

214-256

HOSE CLAMP,#20, 0.81" - 1.75", Type F Worm

CLAMP - hose, 1-3/16 to 1-3/4"

1шт.

30

A29333

STUD

- 5/8" N.C./N.F. x 3"

2шт.

31

A38710

BOLT

BOLT - 5/8 x 3-1/2" N.F. hex

2шт.

32

92-10

LOCK WASHER,5/8"

WASHER, LOCK, 5/8"

4шт.

33

25-1110

NUT,5/8"-18, G5

- 5/8" N.F. hex

4шт.

34

A29442

RING

- dowel, timing gear cover

2шт.

35

A38942

DRIVE ASSY.

- tach., Serial Range: cable-camshaft

1шт.

36

221-662

PLUG,Hex Hd, 1/4"-18

- drain, cylinder block

1шт.

37

NSS

NOT SOLD SEPARAT

- oil filler & dipstick (12-3/8" long) (long one piece tube used in production instead of short tube & extension) (Can be ordered seperate if required)

1шт.

A140185 tube - The dipstick which fits this tube is A37406 (now subs to A136379).

1шт.

40

A44815

HEATER

- cyl. block (Replaces A40637), Includes: Ref. 41

1шт.

41

A44814

ELECTRIC CABLE

CORD - heater (12") (Replaces A40477), cyl block

1шт.

Выбрано товаров: 38