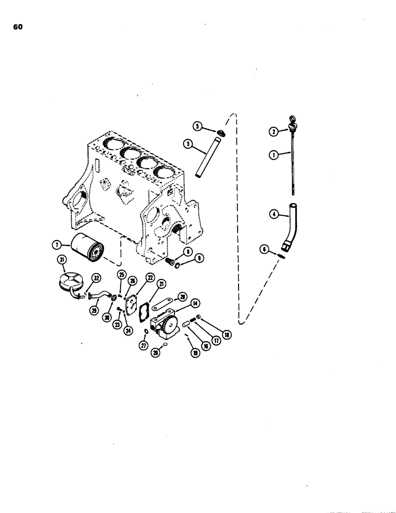
Запчасти Case 480B (060) - DIPSTICK AND OIL FILTER, (148B) SPARK IGNITION ENGINE

Схема запчастей Case 480B - (060) - DIPSTICK AND OIL FILTER, (148B) SPARK IGNITION ENGINE
FIT
1:1
100%

Артикул

Название

Примечание

Количество

1

A37406

DIPSTICK

- oil level, Includes: Ref. 2

1шт.

2

F62075

O-RING,0.139" Thk x 0.734" ID, -210, Cl 5, 75 Duro

"O" RING - dipstick seal (3/4 x 1 x 1/8")

2шт.

3

A37149

TUBE

- oil filler & dipstick (in block)

1шт.

4

A37407

TUBE

EXTENSION - filler tube

1шт.

5

214-256

HOSE CLAMP,#20, 0.81" - 1.75", Type F Worm

CLAMP - extension, 1-3/16" to 1-3/4"

1шт.

6

A27342

O-RING,1.109" ID x 1.387" OD x 0.139"

"O" RING - extension to tube (1-1/8 x 1-3/8 x 1/8")

1шт.

7

A37189

FILTER, ELEMENT

FILTER - engine oil

1шт.

8

A153552

ADAPTER

-, Serial Range: filter-block

1шт.

9

41-1016

PLUG,Cup, 1"

- adapter (1" cup type)

1шт.

14

A38369

PUMP

ASSY. - oil (Replaces G11844), oil pump, Includes: Ref. 16 - 26

1шт.

16

A155144

VALVE, PRESSURE RELI

- relief, oil pump

1шт.

17

G48513

VALVE SPRING

SPRING - relief valve, oil pump

1шт.

18

A29260

RETAINER

- relief spring, oil pump

1шт.

19

138-62

LOCK PIN,1/8" x 1 1/8", Slotted

PIN, , Oil pump 1/8" x 1 1/8", Slotted

1шт.

20

A39321

PLUG,Cup, 7/16"

- pump body (1/2" cup type) (Replaces A30020), oil pump

2шт.

21

G46852

GASKET

- pump cover, oil pump

1шт.

22

NSS

NOT SOLD SEPARAT

COVER - pump body, oil pump

1шт.

23

13-420

BOLT,Hex, 1/4" - 20 x 1-1/4", Gr 5

Oil pump Hex, 1/4"-20 x 1 1/4", G5

1шт.

23

13-412

BOLT,Hex, 1/4" - 20 x 3/4", Gr 5, Full Thd

Oil pump Hex, 1/4"-20 x 3/4", G5, Full Thd

3шт.

24

92-4

LOCK WASHER,1/4"

WASHER, LOCK, , Oil pump 1/4"

4шт.

25

73-410

SCREW,Slotted Flat Hd, 1/4"-20 x 5/8"

- mach. 1/4 5/8" N.C. flat hd., oil pump

2шт.

26

193-52

LOCK WASHER,Ext Csk Tooth, 1/4"

WASHER, LOCK, , Oil pump Ext Csk Tooth, 1/4"

2шт.

27

A27365

O-RING,0.103" Thk x 0.75" ID, -116, Cl 5, 75 Duro

"O" RING - oil port (3/4 x 15/16 x 3/32"), pump

1шт.

28

G11337

SHIM,.002" Thk

Pump to block, Oil pmp .002" Thk

1шт.

28

G11338

SHIM,.005" Thk

Pump to block, Oil pump .005" Thk

1шт.

29

A39035

TUBE

- suction, oil pump

1шт.

30

223-207

LOCK NUT

NUT - lock (3/8" tube), oil pump

1шт.

31

A39036

FLOAT

ASSY. - oil pan (includes screen), oil pump

1шт.

32

132-50

COTTER PIN,1/8" x 1 1/4"

Pin, Split (Cotter), , Oil pump 1/8" x 1 1/4"

1шт.

Выбрано товаров: 29