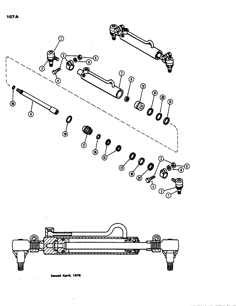
Запчасти Case 480B (107A) - A51731 STEERING CYLINDER, USED TRACTOR SERIAL NUMBERS 8735171 TO 8741258

Схема запчастей Case 480B - (107A) - A51731 STEERING CYLINDER, USED TRACTOR SERIAL NUMBERS 8735171 TO 8741258
FIT
1:1
100%

Артикул

Название

Примечание

Количество

A51731

CYLINDER

ASSY. - hydraulic (Replaces A37859) (Order A137503, Figure 106), Includes: Ref. 1 - 22

2шт.

234466A1R

REMAN-HYD CYLINDER

480B, Reman For New P/N A51731, USED TRAC. SN 8735171 TO 8741258

2шт.

234466A1C

CORE-HYD CYLINDER

Return Number

1шт.

1

A40962

BALL JOINT

END ASSY. - male thread, Includes: Ref. 2

2шт.

2

A41424

SEAL

BOOT - dust

1шт.

3

A27080

CLAMP

ASSY. - end, Includes: Ref. 4 - 6

2шт.

4

14-624

BOLT,Hex, 3/8" - 24 x 1-1/2", Gr 5

- 3/8 x 1-1/2" N.F. hex.

1шт.

5

25-116

NUT,Hex, 3/8"-24, G5

- 3/8" N.F. hex.

1шт.

6

92-6

LOCK WASHER,3/8"

1шт.

7

NSS

NOT SOLD SEPARAT

BODY - cylinder (Order A137503)

1шт.

8

A44642

ROD

- piston

1шт.

9

131-1145

JAM NUT,5/8" - 18

NUT - lock, 9/16" N.F. (Gripco)

1шт.

10

A44641

SPACER,31.62mm ID x 34.37mm OD x 7.7mm L

- head

1шт.

11

A44639

GLAND

ASSY. - (Includes bushing)

1шт.

12

A44640

PISTON

- cylinder

1шт.

A44644

SEAL KIT

KIT - cylinder repair, Includes: Ref. 15 - 21

1шт.

15

NSS

NOT SOLD SEPARAT

WIPER - rod

2шт.

16

F62075

O-RING,0.139" Thk x 0.734" ID, -210, Cl 5, 75 Duro

"O" RING - gland inner, 3/4 x 1 x 1/8"

1шт.

17

NSS

NOT SOLD SEPARAT

RING - lock, gland

1шт.

18

A41184

O-RING,1.234" ID x 1.512" OD x 0.139"

"O" RING - gland, 1-1/4 x 1-1/2 x 1/8"

1шт.

19

A30097

O-RING,0.549" ID x 0.755" OD x 0.103"

"O" RING - rod to piston, 9/16 x 3/4 x 3/32"

1шт.

20

A27577

O-RING,0.139" Thk x 1.234" ID, -218, Cl 5, 75 Duro

"O" RING - piston, 1-1/4 x 1-1/2 x 1/8"

1шт.

21

NSS

NOT SOLD SEPARAT

RING - back-up, leather

2шт.

22

A44654

SNAP RING,#125, 1.188", Ext Spiral

RING - lock, outer

1шт.

Выбрано товаров: 24