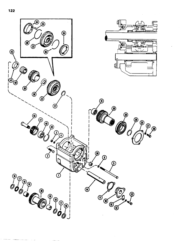
Запчасти Case 480B (122) - EIGHT-SPEED SHUTTLE GEAR BOX

Схема запчастей Case 480B - (122) - EIGHT-SPEED SHUTTLE GEAR BOX
FIT
1:1
100%

Артикул

Название

Примечание

Количество

1

G1205

HOUSING

- gear box

1шт.

2

14-628

BOLT,Hex, 3/8" - 24 x 1-3/4", Gr 5

- 3/8 x 1-3/4" N.F. hex.

3шт.

3

25-116

NUT,Hex, 3/8"-24, G5

- 3/8" N.F. hex.

3шт.

4

92-6

LOCK WASHER,3/8"

3шт.

5

13-6104

BOLT,Hex, 3/8" - 16 x 6-1/2", Gr 5

4шт.

6

193-30

LOCK WASHER,Int Tooth, 3/8"

WASHER, LOCK, Int Tooth, 3/8"

4шт.

10

G1206

RING

BUSHING - front, countershaft

1шт.

11

G16616

SHIM,.005" Thk

Cluster gear .005" Thk

1шт.

12

13-624

BOLT,Hex, 3/8" - 16 x 1-1/2", Gr 5

- 3/8 x 1-1/2" N.C. hex.

1шт.

12

13-618

BOLT,Hex, 3/8" - 16 x 1-1/8", Gr 5

2шт.

13

92-6

LOCK WASHER,3/8"

3шт.

14

G16617

SHAFT

COUNTERSHAFT - cluster gear

1шт.

15

G16618

LATCH

LOCK - countershaft

1шт.

16

G46081

BEARING WASHER

WASHER - thrust, outer (.031")

2шт.

17

G13609

THRUST BEARING,25.4mm ID x 39.67mm OD x 1.98mm W

BEARING, THRUST, Cluster gear

2шт.

18

G46082

WASHER

- thrust, inner (.125")

2шт.

19

G10420

NEEDLE BEARING

BEARING - needle, cluster gear

2шт.

20

G16615

GEAR

- cluster (25 T and 30 T)

1шт.

25

G16627

RETAINER

- bearing, input gear

1шт.

26

13-618

BOLT,Hex, 3/8" - 16 x 1-1/8", Gr 5

3шт.

27

92-6

LOCK WASHER,3/8"

3шт.

28

G13607

BALL BEARING

BEARING - ball, input gear

1шт.

29

A27209

RING

- snap, input gear bearing

1шт.

30

A37617

GEAR

- input

1шт.

31

A35767

NEEDLE BEARING,Needle, 34.91mm ID x 44.46mm OD x 19.05mm W

BEARING - needle, input gear

1шт.

32

A51874

SYNCHRONIZER

ASSY. - shuttle shift (Replaces G45049), Includes: Ref. 33 - 36

1шт.

33

NSS

NOT SOLD SEPARAT

HUB & SLEEVE - (Order G45049)

1шт.

34

G46077

RING

- blocking

2шт.

35

G46078

PLATE

- shifter

3шт.

36

A40766

SPRING

2шт.

37

A27365

O-RING,0.103" Thk x 0.75" ID, -116, Cl 5, 75 Duro

RING - snap, synchronizer (.076")

1шт.

37

A27566

RING

- snap, synchronizer (.080")

1шт.

37

A27567

RING

- snap, synchronizer (.083")

1шт.

37

G46097

RING

- snap, synchronizer (.087")

1шт.

37

A27568

RING

- snap, synchronizer (.091")

1шт.

38

G16625

COLLAR

- thrust, output gear

1шт.

39

G16624

GEAR

- output (27 T)

1шт.

40

G16619

SLEEVE

- output gear

1шт.

41

G13459

COLLAR

ASSY. - thrust, output gear, Includes: Ref. 42

1шт.

42

138-18

LOCK PIN,5/64" x 3/8", Slotted

PIN, 5/64" x 3/8", Slotted

1шт.

46

G16613

STUD

- reverse idler gear

1шт.

47

G16612

GEAR

- reverse idler (24 T)

1шт.

48

G13608

BALL BEARING

BEARING - idler gear

1шт.

49

A27150

RING

- snap, idler gear bearing

1шт.

50

G16614

NUT

- idler stud

1шт.

Выбрано товаров: 45