Запчасти Case 480CK (134) - A35685 CONTROL VALVE, DRAFT-O-MATIC

Схема запчастей Case 480CK - (134) - A35685 CONTROL VALVE, DRAFT-O-MATIC
FIT
1:1
100%

Артикул

Название

Примечание

Количество

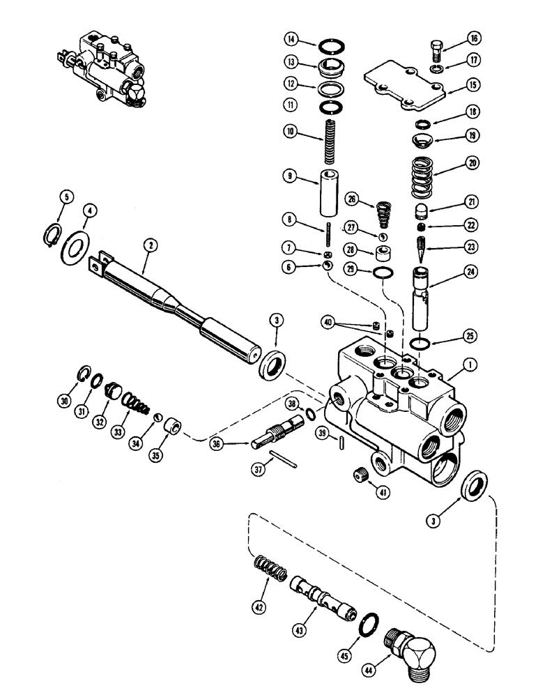
A35685

VALVE

ASSY. - draft control, complete, Includes: Ref. 1 - 45

1шт.

1

NSS

NOT SOLD SEPARAT

BODY - valve (Order A35685)

1шт.

2

A35092

SPOOL

- valve

1шт.

3

A11507

OIL SEAL

- oil, spool (7/8 x 1-3/8 x 1/4")

2шт.

4

A35093

WASHER

- spool stop

1шт.

5

A35094

SNAP RING,#81, Ext

Ring, Snap, , spool washer #81, Ext

1шт.

6

211-13

BALL,1/2" Dia

- lowering piston 1/2" Dia

1шт.

7

A35102

NUT

- set screw, lowering piston

1шт.

8

A35101

SET SCREW,Hex Skt, #10 - 32 x 1 1/4", Gr 5

- set, lowering piston

1шт.

9

A35695

PISTON

- lowering

1шт.

10

A35103

SPRING

- lowering piston (1-7/8" free length)

1шт.

11

A27365

O-RING,0.103" Thk x 0.75" ID, -116, Cl 5, 75 Duro

"O" RING - lowering piston (3/4 x 15/16 x 3/32")

1шт.

12

A35698

BACK-UP RING

RING - back up, lowering piston

1шт.

13

A35696

SLEEVE

- lowering piston

1шт.

14

A35104

O-RING,0.103" Thk x 0.862" ID, -118, Cl 5, 75 Duro

"O" RING - sleeve (7/8 x 1-1/6 x 3/32")

1шт.

15

A35105

COVER

- valve

1шт.

16

13-512

BOLT,Hex, 5/16" - 18 x 3/4", Gr 5

4шт.

17

92-5

LOCK WASHER,5/16"

4шт.

18

A36434

VALVE POPPET

POPPET ASSY. - open center, Includes: Ref. 19 - 22

1шт.

19

A35690

RING

- snap, open center poppet

1шт.

20

A35097

PLUG

- open center poppet

1шт.

21

A35785

SET SCREW,5/16" - 18 x 1/4"

- set, needle valve

1шт.

22

A35784

VALVE

- needle, poppet

1шт.

23

A36689

RETAINER - spring & plug, poppet

1шт.

24

A35691

SPRING

- valve trigger (1-5/8" free length)

1шт.

25

A35548

RING

GASKET - open center poppet

1шт.

26

A35099

SPRING

- load check (1-1/4" free length)

1шт.

27

211-12

BALL,7/16 Dia

- load check (7/16" dia.)

1шт.

28

L10120

SEAT

- ball

1шт.

29

A35547

RING

GASKET - load check opening

1шт.

30

A35694

SNAP RING,0.688", Int, #68

RING - snap, , choke plug 0.688", Int, #68

1шт.

31

A27410

O-RING,0.487" ID x 0.693" OD x 0.103"

"O" RING - check plug (1/2 x 11/16 x 3/32")

1шт.

32

A35693

PLUG

- check

1шт.

33

A35099

SPRING

- check (1-1/4" free length)

1шт.

34

211-13

BALL,1/2" Dia

- check (7/16" dia.)

1шт.

35

L10120

SEAT

- ball

1шт.

36

A35106

SPOOL - throttle

1шт.

37

138-65

LOCK PIN,1/8" x 1 1/2", Slotted

PIN, , Throttle spool 1/8" x 1 1/2", Slotted

1шт.

38

A30825

O-RING,0.364" ID x 0.504" OD x 0.07"

"O" RING - throttle spool (3/8 x 1/2 x 1/16")

1шт.

39

138-39

LOCK PIN,3/32" x 5/8", Slotted

PIN, , Throttle spool 3/32" x 5/8", Slotted

1шт.

40

221-1849

PLUG

- pipe, 1/8" hex, sckt. hd.

2шт.

41

221-1843

PLUG

- pipe, 3/8" hex. sckt. hd.

1шт.

42

A35700

SPRING

- flow regulator (1-25/64" free length)

1шт.

43

A35699

PISTON - flow regulator

1шт.

44

A37067

ELBOW ASSY. - pressure line, Includes: Ref. 45

1шт.

45

218-5009

O-RING,0.116" Thk x 1.048" ID, -914, Cl 6, 90 Duro

"O" RING - elbow to valve (1-3/64 x 1-9/32 x 1/8")

1шт.

Выбрано товаров: 46