Запчасти Case 480CK (018) - OIL PUMP, OIL FILTER, OIL PAN, (188) DIESEL ENGINE, CAST IRON OIL PAN, FIRST USED ENGINE S/N 2639536

Схема запчастей Case 480CK - (018) - OIL PUMP, OIL FILTER, OIL PAN, (188) DIESEL ENGINE, CAST IRON OIL PAN, FIRST USED ENGINE S/N 2639536
FIT
1:1
100%

Артикул

Название

Примечание

Количество

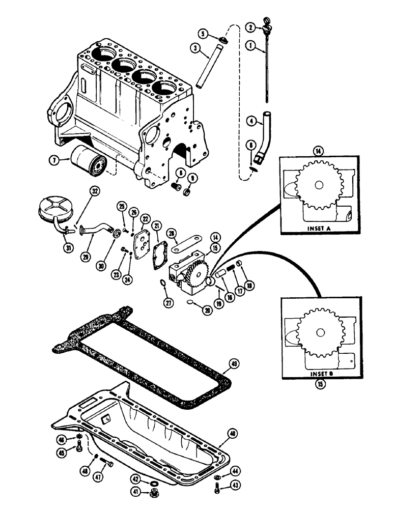
1

A37406

DIPSTICK

DIPSTICK ASSY. - engine oil level, Includes: Ref. 2

1шт.

2

F62075

O-RING,0.139" Thk x 0.734" ID, -210, Cl 5, 75 Duro

"O" RING - dipstick seal (3/4 x 1 x 1/8")

2шт.

3

A37149

TUBE

TUBE - oil filler & dipstick (In block)

1шт.

4

A37407

TUBE

EXTENSION - filler & dipstick tube

1шт.

5

214-256

HOSE CLAMP,#20, 0.81" - 1.75", Type F Worm

CLAMP - extension, 1-3/16" to 1-3/4"

1шт.

6

A27342

O-RING,1.109" ID x 1.387" OD x 0.139"

"O" RING - extension to tube (1-1/8 x 1-3/8 x 1/8")

1шт.

7

A37189

FILTER, ELEMENT

ELEMENT, FILTER FILTER - engine oil

1шт.

8

A153552

ADAPTER

ADAPTER -, Serial Range: filter-block

1шт.

9

41-1016

PLUG,Cup, 1"

PLUG - adapter opening (1" cup type)

1шт.

14

G37070

X

PUMP ASSY - oil (With A38425 pan) (See inset A) (Order A38372)

1шт.

15

A38372

PUMP

PUMP ASSY. - oil (With A38193 pan) (See inset B), Includes: Ref. 16 - 26, Serial Range: 2639536-2659967

1шт.

15

AR38372

REMAN-ENG OIL PUMP

REMAN-ENGINE OIL PUMP Remanufactured Oil Pump; For N.A. only

1шт.

15

AC38372

CORE-ENGINE OIL PUMP

CORE-ENGINE OIL PUMP Return number - For N.A. only

1шт.

16

A155144

VALVE, PRESSURE RELI

- relief

1шт.

17

G48500

SPRING

SPRING - relief valve

1шт.

18

A29260

RETAINER

RETAINER - relief spring

1шт.

19

138-62

LOCK PIN,1/8" x 1 1/8", Slotted

PIN, 1/8" x 1 1/8", Slotted

1шт.

20

41-102

PLUG,Exp, 1/2"

PLUG - pump body

1шт.

21

G46852

GASKET

GASKET - pump cover

1шт.

22

NSS

NOT SOLD SEPARAT

COVER - pump body

1шт.

23

13-420

BOLT,Hex, 1/4" - 20 x 1-1/4", Gr 5

BOLT, Hex, 1/4"-20 x 1 1/4", G5

1шт.

23

13-412

BOLT,Hex, 1/4" - 20 x 3/4", Gr 5, Full Thd

BOLT, Hex, 1/4"-20 x 3/4", G5, Full Thd

3шт.

24

92-4

LOCK WASHER,1/4"

WASHER, LOCK, 1/4"

4шт.

25

73-410

SCREW,Slotted Flat Hd, 1/4"-20 x 5/8"

SCREW - mach., 1/4 x 5/8" flat hd.

2шт.

26

193-52

LOCK WASHER,Ext Csk Tooth, 1/4"

WASHER, LOCK, Ext Csk Tooth, 1/4"

2шт.

27

A27365

O-RING,0.103" Thk x 0.75" ID, -116, Cl 5, 75 Duro

"O" RING - oil port (3/4 x 15/16 x 5/32")

1шт.

28

G11337

SHIM,.002" Thk

SHIM, , Pump to block .002" Thk

1шт.

28

G11338

SHIM,.005" Thk

SHIM, , Pump to block .005" Thk

1шт.

29

G45766

PIPE, EXHAUST SYSTEM

PIPE, EXHAUST PIPE - suction

1шт.

30

223-207

LOCK NUT

NUT - lock, pipe to pump, 3/8"

1шт.

31

A30126

SPARE PART FLOAT ASSY. (Includes screen)

1шт.

32

132-50

COTTER PIN,1/8" x 1 1/4"

Pin, Split (Cotter), 1/8" x 1 1/4"

1шт.

40

A38425

PAN

PAN - oil, Serial Range: -2659967

1шт.

40

A38193

SPARE PART PAN - oil (Order 1-A38425 & (14) 113-137), Serial Range: 2639536-2659967

1шт.

41

A14280

PLUG

PLUG - drain

1шт.

42

A58608

GASKET

GASKET - drain plug (Nylon) (3/4" x 1" x 1/16")

1шт.

43

113-137

X

BOLT - 5/16 x 1-3/4" N.C. hex (For A38425 pan)

14шт.

43

113-126

BOLT

BOLT - 5/16 x 1" N.C. hex (For A38425 pan)

2шт.

43

113-126

BOLT

BOLT - 5/16 x 1" N.C. hex (For A38193 pan)

16шт.

44

193-83

LOCK WASHER,Int Tooth, 5/16"

WASHER - lock, 5/16" int. Shakeproof

16шт.

45

113-135

BOLT

BOLT - oil pan, 5/16 x 4" N.C. hex

2шт.

46

195-1020

WASHER

WASHER - 11/32 x 7/8 x 1/16"

2шт.

47

113-663

BOLT (SPREADER)

BOLT - 5/8 x 2-1/4" N.C. hex (Pan to torque tube)

2шт.

48

92-10

LOCK WASHER,5/8"

WASHER, LOCK, 5/8"

2шт.

49

NSS

NOT SOLD SEPARAT

GASKET - oil pan (Order from figure 20)

1шт.

Выбрано товаров: 45