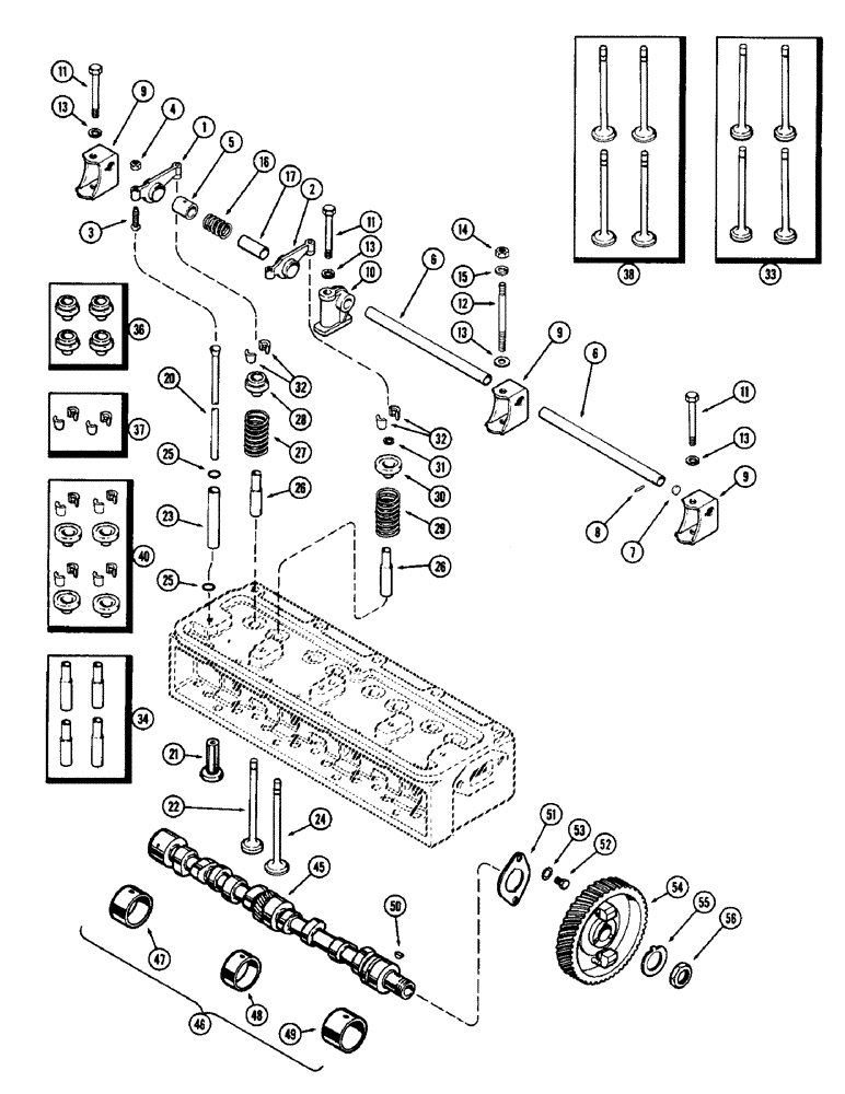
Запчасти Case 480CK (041A) - VALVE MECHANISM AND CAMSHAFT, (148B) SPARK IGNITION ENGINE, USED PRIOR TO ENGINE SERIAL NO. 2638707

Схема запчастей Case 480CK - (041A) - VALVE MECHANISM AND CAMSHAFT, (148B) SPARK IGNITION ENGINE, USED PRIOR TO ENGINE SERIAL NO. 2638707
FIT
1:1
100%

Артикул

Название

Примечание

Количество

1

G45234

ARM

ASSY. - R.H. rocker (Incl. ref. 3, 4 and 5)

4шт.

2

G45235

ARM

ASSY. - L.H. rocker (Incl. ref. 3, 4 and 5)

4шт.

3

A31056

ADJUSTMENT SCREW,5/16" - 24 x 1 11/32"

SCREW - adjusting

1шт.

4

25-155

JAM NUT,Jam, 5/16"-24, G5

- jam, 5/16" N.F. hex

1шт.

5

A31055

BUSHING

- rocker arm

1шт.

6

A37197

SHAFT

- rocker arm, Start Serial: 2612175

2шт.

6

A29444

SHAFT

- rocker arm (Order 1-A37197 & 1-138-57), Serial Range: -2612175

2шт.

7

A26796

PLUG

- shaft, rocker arm

2шт.

8

138-57

LOCK PIN,1/8" x 3/4", Slotted

PIN, (for A37197 shaft) 1/8" x 3/4", Slotted

2шт.

8

139-205

PIN - type 00 x 3/4" taper type (For A29444 shaft) 2/0 x 3/4", Tapered

2шт.

9

G46250

BRACKET

- rocker arm shaft

4шт.

10

G2107

BRACKET

- center, rocker arm shaft

1шт.

11

13-644

BOLT,Hex, 3/8" - 16 x 2-3/4", Gr 5

- bracket, 3/8 x 2-3/4" N.C. hex hd.

3шт.

12

G49505

STUD

- bracket & cover (3/8" N.C. x 4-5/8")

3шт.

13

A29277

WASHER

- bracket nut (13/32 x 1 x 1/8")

2шт.

14

25-106

NUT,3/8"-16, G5

- 3/8" N.C. hex

2шт.

15

92-6

LOCK WASHER,3/8"

5шт.

16

A30007

SPRING

- rocker arm shaft

4шт.

17

A30008

SPACER

- rocker arm shaft

2шт.

20

G11086

ROD

PUSH ROD - rocker arm

8шт.

21

A30006

TAPPET

LIFTER - push rod

8шт.

22

NSS

NOT SOLD SEPARAT

VALVE - exhaust (Order ref. 33)

4шт.

23

G11360

TUBE,0.687" OD x 3.687" L

- guide, push rod

8шт.

24

NSS

NOT SOLD SEPARAT

VALVE - intake (Order ref. 38)

4шт.

25

F62114

O-RING,0.103" Thk x 0.674" ID, -115, Cl 5, 75 Duro

"O" RING - tube seal (11/16 x 7/8 x 3/32")

16шт.

26

NSS

NOT SOLD SEPARAT

GUIDE - int. & exh. valve stem (Order ref. 34)

8шт.

27

G10004

SPRING

- exhaust valve

4шт.

28

NSS

NOT SOLD SEPARAT

ROTO-CAP - exhaust valve (Order ref. 36)

4шт.

29

A30025

SPRING

- intake valve

4шт.

30

NSS

NOT SOLD SEPARAT

RETAINER - intake valve spring (Order ref. 40)

4шт.

31

G46851

SEAL

- intake valve stem

4шт.

32

NSS

NOT SOLD SEPARAT

LOCK - valve spring (Order ref. 37)

16шт.

33

G11915

VALVE, ENG EXHAUST,

VALVE KIT - exhaust (Set of 4)

1шт.

34

A30270

GUIDE

KIT - int. & exh. valve stem (Set of 4)

2шт.

36

G11928

CAP

ROTO-CAP KIT - exhaust valve (Set of 4)

1шт.

37

G11929

LOCK

KIT - valve spring (Set of 4)

4шт.

38

G11914

VALVE

KIT - intake (Set of 4)

1шт.

40

G11927

RETAINER

KIT - intake valve spring (Set of 4 w/locks)

1шт.

45

G2055

CAMSHAFT

- engine

1шт.

46

A41225

KIT

BUSHING SET - camshaft (Replaces A30346), Includes: Ref. 47 - 49

1шт.

47

NSS

NOT SOLD SEPARAT

BUSHING - rear, 1-1/64" wide

1шт.

48

NSS

NOT SOLD SEPARAT

BUSHING - center, 23/32" wide

1шт.

49

NSS

NOT SOLD SEPARAT

BUSHING - front, 1-5/16" wide

1шт.

50

126-12

WOODRUFF KEY,#6, 5/32" x 5/8"

Gear to camshaft #6, 5/32" x 5/8"

1шт.

51

A29290

PLATE

- thrust, camshaft

1шт.

52

A30056

SCREW,Hex, 5/16" - 18 x 1/2"

- thrust plate

2шт.

53

193-9

LOCK WASHER,Ext Tooth, 5/16"

WASHER, LOCK, Ext Tooth, 5/16"

2шт.

54

G37066

GEAR

- camshaft

1шт.

55

A29438

LOCK NUT

WASHER - lock, camshaft nut

1шт.

56

A30063

NUT

- camshaft

1шт.

Выбрано товаров: 50