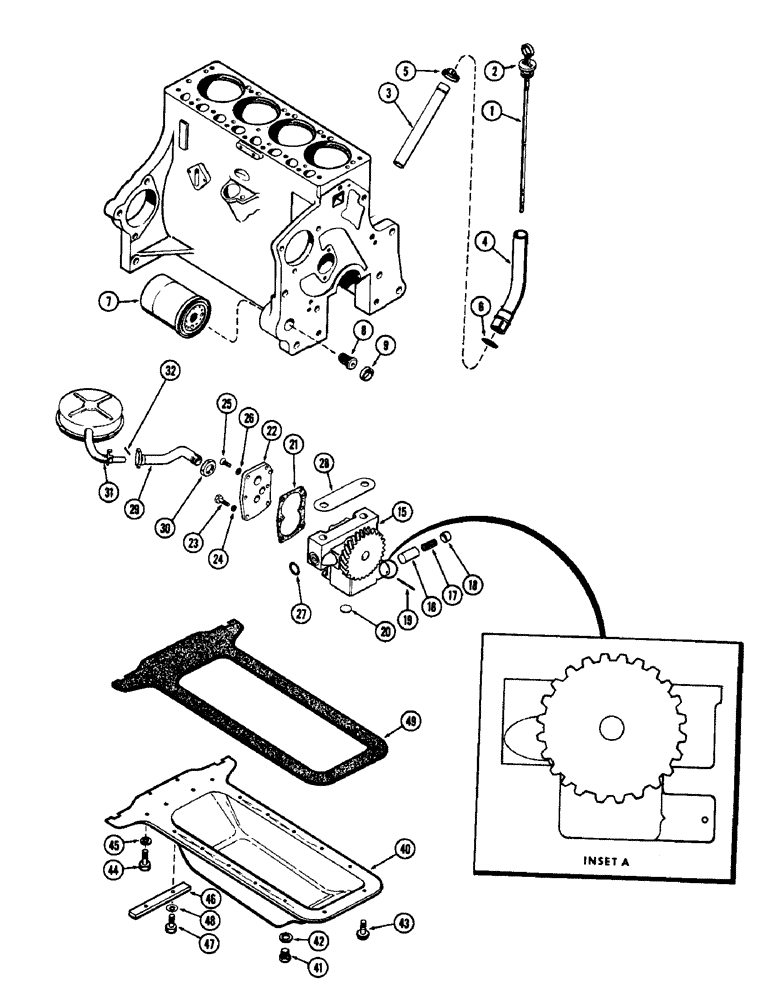
Запчасти Case 480CK (047A) - OIL PUMP, OIL FILTER, OIL PAN, (148B) SPARK IGNITION ENGINE, USED PRIOR TO ENGINE SERIAL NO. 2639790

Схема запчастей Case 480CK - (047A) - OIL PUMP, OIL FILTER, OIL PAN, (148B) SPARK IGNITION ENGINE, USED PRIOR TO ENGINE SERIAL NO. 2639790
FIT
1:1
100%

Артикул

Название

Примечание

Количество

1

A37406

DIPSTICK

ASSY. - engine oil level, Includes: Ref. 2

1шт.

2

F62075

O-RING,0.139" Thk x 0.734" ID, -210, Cl 5, 75 Duro

"O" RING - dipstick seal (3/4 x 1 x 1/8")

2шт.

3

A37149

TUBE

- oil filler & dipstick (In block)

1шт.

4

A37407

TUBE

EXTENSION - filler & dipstick tube

1шт.

5

214-256

HOSE CLAMP,#20, 0.81" - 1.75", Type F Worm

CLAMP - extension, 1-3/16" to 1-3/4"

1шт.

6

A27342

O-RING,1.109" ID x 1.387" OD x 0.139"

"O" RING - extension to tube (1-1/8 x 1-3/8 x 1/8")

1шт.

7

A37189

FILTER, ELEMENT

FILTER - engine oil

1шт.

8

A153552

ADAPTER

-, Serial Range: filter-block

1шт.

9

41-1016

PLUG,Cup, 1"

- adapter opening (1" cup type)

1шт.

15

G11844

PUMP, ENGINE OIL

PUMP ASSY. - oil, engine (See inset A), Includes: Ref. 16 - 26

1шт.

16

A155144

VALVE, PRESSURE RELI

- relief

1шт.

17

G48513

VALVE SPRING

SPRING - relief valve

1шт.

18

A29260

RETAINER

- relief spring

1шт.

19

138-62

LOCK PIN,1/8" x 1 1/8", Slotted

PIN - roll, 1/8 x 1-1/4"

1шт.

20

41-102

PLUG,Exp, 1/2"

- pump body

2шт.

21

G46852

GASKET

- pump cover

1шт.

22

NSS

NOT SOLD SEPARAT

COVER - pump body

1шт.

23

13-420

BOLT,Hex, 1/4" - 20 x 1-1/4", Gr 5

1шт.

23

13-412

BOLT,Hex, 1/4" - 20 x 3/4", Gr 5, Full Thd

3шт.

24

92-4

LOCK WASHER,1/4"

WASHER, LOCK, 1/4"

4шт.

25

73-410

SCREW,Slotted Flat Hd, 1/4"-20 x 5/8"

- mach., 1/4 x 5/8" flat hd.

2шт.

26

193-52

LOCK WASHER,Ext Csk Tooth, 1/4"

WASHER, LOCK, Ext Csk Tooth, 1/4"

1шт.

27

A27365

O-RING,0.103" Thk x 0.75" ID, -116, Cl 5, 75 Duro

"O" RING - oil port (3/4 x 15/16 x 3/32")

1шт.

28

G11337

SHIM,.002" Thk

Pump to block .002" Thk

1шт.

28

G11338

SHIM,.005" Thk

Pump to block .005" Thk

1шт.

29

G45766

PIPE, EXHAUST SYSTEM

PIPE - suction

1шт.

30

223-207

LOCK NUT

NUT - lock, Serial Range: pipe-pump

1шт.

31

A30126

FLOAT ASSY. (Includes screen)

1шт.

32

132-50

COTTER PIN,1/8" x 1 1/4"

Pin, Split (Cotter), 1/8" x 1 1/4"

1шт.

A36723

X

PAN ASSY. - oil (Stamped) (Order components), Includes: Ref. 40 - 42

1шт.

For replacement of stamped pan with cast pan order 1-A38426 cast oil pan, 1-A38390 oil seal retainer & 1-A36610 oil seal.

1шт.

40

A36724

PAN - oil

1шт.

41

A14280

PLUG

- drain

1шт.

42

A58608

GASKET

- drain plug (Nylon) (Replaces A27927)

1шт.

43

193-514

SCREW,SEMS, Hex Hd, 5/16"-18 x 3/4"

BOLT - oil pan (Includes lockwasher)

12шт.

44

13-512

BOLT,Hex, 5/16" - 18 x 3/4", Gr 5

2шт.

45

195-400

WASHER

- sealing

2шт.

46

G11372

STRIP

- reinforcing

1шт.

47

13-516

BOLT,Hex, 5/16" - 18 x 1", Gr 5

2шт.

48

193-29

LOCK WASHER,Int Tooth, 5/16"

WASHER, LOCK, Int Tooth, 5/16"

2шт.

49

NSS

NOT SOLD SEPARAT

GASKET - oil pan (Order from figure 48)

1шт.

Выбрано товаров: 41