Запчасти Case 480CK (075C) - HORN

Схема запчастей Case 480CK - (075C) - HORN
FIT
1:1
100%

Артикул

Название

Примечание

Количество

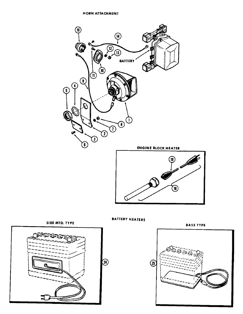
A36945

HORN ATTACHMENT (Mach. Item), Includes: Ref. 1 - 13

1шт.

1

A19581

HORN

- 12 volt

1шт.

2

A36946

BRACKET

- horn mounting

1шт.

3

A36947

PLATE ASSY.

PLATE - mounting bracket

1шт.

4

193-16

LOCK WASHER,Ext Tooth, 7/8"

WASHER - Shakeproof, 7/8" ext.

1шт.

5

L30866

LOCK NUT

- 7/8" N.F. hex (Replaces A19827)

1шт.

6

173-207

X

SCREW - bracket, 1/4 x 5/8" N.C. rd. hd.

2шт.

7

192-19

LOCK WASHER,Helical Spring, 0.256" ID, CST, ZND

WASHER, LOCK, 1/4"

2шт.

8

7770

NUT,Hex, 1/4 - 20, Cl 5

1/4"-20, G5

2шт.

9

A36949

WIRE -, Serial Range: button-horn

1шт.

10

A36948

SWITCH

- horn

1шт.

11

173-234

SCREW - button, #5 x 1/2" N.C. rd. hd.

2шт.

12

192-14

LOCK WASHER,Helical Spring, #5, 0.13" ID, CST, ZND

Washer, Lock, #5

2шт.

13

129-14

NUT,#5-40

2шт.

14

A13906

WIRE - button to volt regulator

1шт.

18

A40637

HEATER ASSY.

- block (188D only), Includes: Ref. 19

1шт.

19

A40477

ELECTRICAL WIRE

CORD ASSY. - block heater

1шт.

24

M20509

HEATER

ASSY. - side mounted type, battery

1шт.

25

M20510

HEATER

ASSY. - base type, battery

1шт.

Выбрано товаров: 19