Запчасти Case 480CK (084) - DUAL RANGE GEAR BOX

Схема запчастей Case 480CK - (084) - DUAL RANGE GEAR BOX
FIT
1:1
100%

Артикул

Название

Примечание

Количество

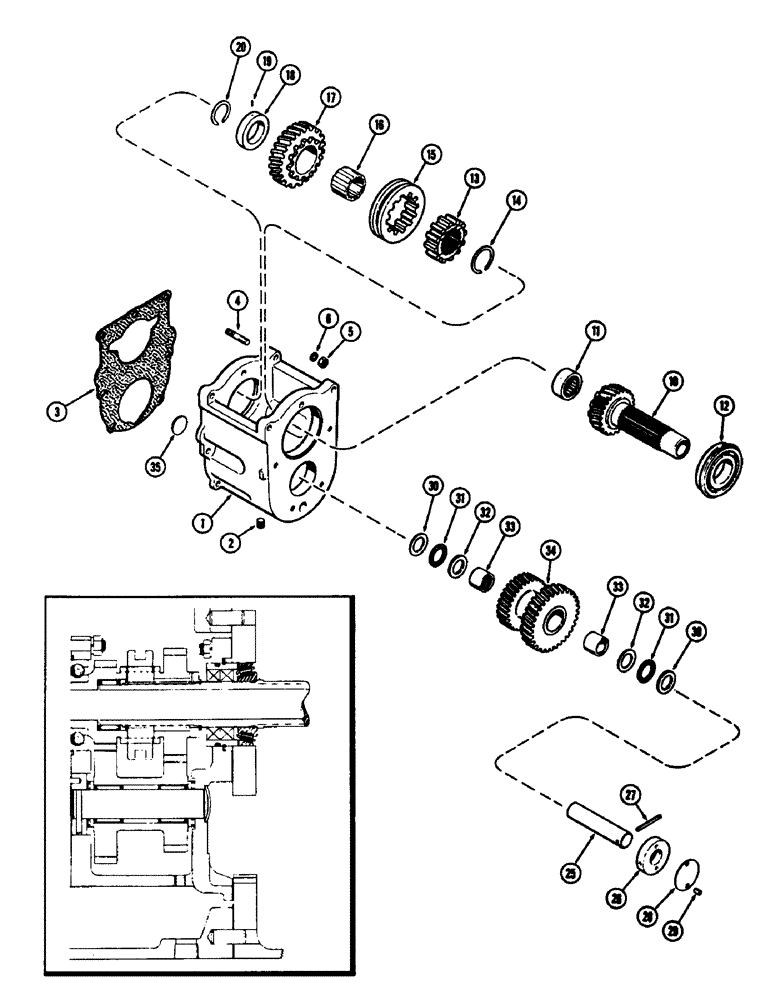
1

G1254

HOUSING - gear

1шт.

2

221-1849

PLUG

- 1/8" P.T. hex. socket hd

1шт.

3

G46841

GASKET

- housing to trans. case

1шт.

4

G10710

STUD

- housing to case (3/8" N.F. x 1-3/4")

7шт.

5

25-116

NUT,Hex, 3/8"-24, G5

- 3/8" N.F. hex

7шт.

6

92-6

LOCK WASHER,3/8"

7шт.

10

G16623

GEAR

- input (25T)

1шт.

11

G10419

NEEDLE BEARING

BEARING - needle, input gear

1шт.

12

G13606

BALL BEARING

BEARING - ball, input gear

1шт.

13

G16621

CARRIER

- shift collar (12 teeth)

1шт.

14

A27565

RING

- snap, shift collar (.075")

1шт.

14

A27566

RING

- snap, shift collar (.080")

1шт.

14

A27567

RING

- snap, shift collar (.083")

1шт.

14

G46097

RING

- snap, shift collar (.087")

1шт.

14

A27568

RING

- snap, shift collar (.091")

1шт.

15

A38153

COLLAR

- shift (Replaces G16622)

1шт.

16

G16619

SLEEVE

- output gear

1шт.

17

G16620

GEAR

- output (32 teeth)

1шт.

18

G13458

COLLAR

ASSY. - thrust, output gear, Includes: Ref. 19

1шт.

19

138-18

LOCK PIN,5/64" x 3/8", Slotted

PIN - roll, 5/16 x 3/8"

1шт.

20

A26946

RING

- snap, thrust collar

1шт.

25

G16606

SHAFT

COUNTERSHAFT - dual range

1шт.

26

G16607

COLLAR

- countershaft

1шт.

27

138-104

LOCK PIN,3/16" x 2", Slotted

PIN, , Collar 3/16" x 2", Slotted

1шт.

28

G16608

SHIM,.005" Thk

Countershaft .005" Thk

1шт.

29

138-88

LOCK PIN,3/16" x 1/2", Slotted

ROLL PIN - shim to collar, 5/16 x 3/8"

2шт.

30

G46081

BEARING WASHER

WASHER - thrust, outer (.031")

2шт.

31

G13609

THRUST BEARING,25.4mm ID x 39.67mm OD x 1.98mm W

BEARING, THRUST, Cluster gear

2шт.

32

G46082

WASHER

BEARING - thrust, inner (.125")

2шт.

33

F51079

NEEDLE BEARING

BEARING - needle, cluster gear

2шт.

34

G16611

GEAR

- cluster (34 and 27 teeth)

1шт.

35

A30084

PLUG

- rear, housing (1-1/2" dia.)

1шт.

Выбрано товаров: 0