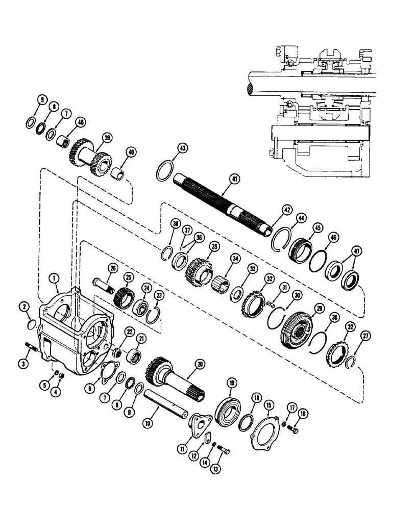
Запчасти Case 480CK (090) - FOUR SPEED SHUTTLE GEAR BOX

Схема запчастей Case 480CK - (090) - FOUR SPEED SHUTTLE GEAR BOX
FIT
1:1
100%

Артикул

Название

Примечание

Количество

1

A36428

HOUSING - shuttle gear

1шт.

2

A30084

PLUG

- housing, rear of countershaft

1шт.

3

G10710

STUD

- mtg., housing (3/8" N.F. x 1-3/4")

7шт.

4

25-116

NUT,Hex, 3/8"-24, G5

- hex., 3/8" N.F.

7шт.

5

92-6

LOCK WASHER,3/8"

7шт.

6

G16616

SHIM,.005" Thk

. Countershaft front bearing .005" Thk

1шт.

7

G46082

WASHER

- inner thrust, cluster gear (.125")

2шт.

8

G13609

THRUST BEARING,25.4mm ID x 39.67mm OD x 1.98mm W

BEARING, THRUST, Cluster gear

2шт.

9

G46081

BEARING WASHER

WASHER - outer thrust, cluster gear (.031")

2шт.

10

G16617

SHAFT

COUNTERSHAFT - cluster gear

1шт.

11

G1206

RING

BUSHING - front, countershaft

1шт.

12

G16618

LATCH

LOCK - countershaft

1шт.

13

13-624

BOLT,Hex, 3/8" - 16 x 1-1/2", Gr 5

- hex., hd., 3/8 x 1-1/2" N.C.

1шт.

13

13-618

BOLT,Hex, 3/8" - 16 x 1-1/8", Gr 5

2шт.

14

92-6

LOCK WASHER,3/8"

3шт.

15

G16627

RETAINER

- bearing, input gear

1шт.

16

13-618

BOLT,Hex, 3/8" - 16 x 1-1/8", Gr 5

3шт.

17

92-6

LOCK WASHER,3/8"

3шт.

18

A27209

RING

- snap, input gear bearing

1шт.

19

G13607

BALL BEARING

BEARING - ball, input gear

1шт.

20

A36611

GEAR

- shuttle input

1шт.

21

A35767

NEEDLE BEARING,Needle, 34.91mm ID x 44.46mm OD x 19.05mm W

BEARING - needle, input gear

1шт.

22

G16614

NUT

- hex., reverse idler gear stud

1шт.

23

A27150

RING

- snap, reverse idler brg.

1шт.

24

G13608

BALL BEARING

BEARING - ball, reverse idler gear

1шт.

25

G16612

GEAR

- reverse idler (24T)

1шт.

26

G16613

STUD

- reverse idler gear brg.

1шт.

27

A27565

RING

- snap, synchronizer ret. (.076")

1шт.

27

A27566

RING

- snap, synchronizer ret. (.080")

1шт.

27

A27567

RING

- snap, synchronizer ret. (.083")

1шт.

27

G46097

RING

- snap, synchronizer ret. (.087")

1шт.

27

A27568

RING

- snap, synchronizer ret. (.091")

1шт.

28

G45049

SYNCHRONIZER

ASSY. - shuttle, Includes: Ref. 29 - 32

1шт.

29

NSS

NOT SOLD SEPARAT

HUB & SLEEVE - synchronizer (Order G45049)

1шт.

30

A40766

SPRING

- shifter plate

2шт.

31

G46078

PLATE

- shifter

2шт.

32

G46077

RING

- blocking

2шт.

33

G16625

COLLAR

- thrust, output gear

1шт.

34

G16619

SLEEVE

- output gear

1шт.

35

G16624

GEAR

- output, shuttle (27T)

1шт.

36

G13458

COLLAR

ASSY. - thrust, output gear, Includes: Ref. 37

1шт.

37

138-18

LOCK PIN,5/64" x 3/8", Slotted

PIN, 5/64" x 3/8", Slotted

1шт.

38

A26946

RING

- snap, thrust collar

1шт.

39

G16615

GEAR

- cluster, countershaft (25T & 30T)

1шт.

40

G10420

NEEDLE BEARING

BEARING - needle, cluster gear

2шт.

41

A36427

SHAFT ASSY. - main drive, Includes: Ref. 42

1шт.

42

G10315

BUSHING

- main drive shaft

1шт.

43

G10341

SHIM,.005" Thk

Front brg. adj., main shaft .005" Thk

1шт.

43

G10340

SHIM,.007" Thk

Front bearing adj., main shaft .007" Thk

1шт.

44

A30092

RING

- snap, main shaft oil seal carrier

1шт.

45

G16605

HOUSING

CARRIER - main shaft oil seal

1шт.

46

G10389

O-RING,0.139" Thk x 2.609" ID, -231, Cl 5, 75 Duro

"O" RING - oil seal carrier

1шт.

47

G10422

OIL SEAL

- oil, main shaft front

1шт.

Выбрано товаров: 53