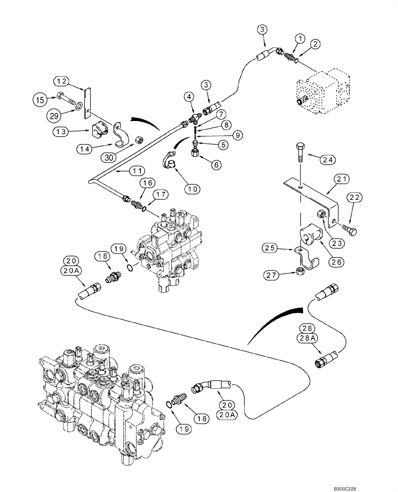
Запчасти Case 580M (08-02) - HYDRAULICS - PUMP AND LOADER VALVE TO BACKHOE VALVE (08) - HYDRAULICS

Схема запчастей Case 580M - (08-02) - HYDRAULICS - PUMP AND LOADER VALVE TO BACKHOE VALVE (08) - HYDRAULICS
11
3
7
12
20a
8
9
28a
19
4
23
17
27
16
18
1
14
21
20
15
6
3
19
26
28
6
29
2
10
20a
30
13
24
18
20
22
25
FIT
1:1
100%

Артикул

Название

Примечание

Количество

REF

INSTRUCTION

Equipment Pump and Loader Control Valve To Backhoe Control Valve

1шт.

1

218-5077

HYD CONNECTOR,1-1/16" - 12 Male JIC x 1-5/16" - 12 Male ORB

Incl. Ref 2

1шт.

2

237-6016

O-RING,0.116" Thk x 1.171" ID, -916, Cl 6, 90 Duro

Boss Seal

1шт.

3

144215A1

HOSE,19.05mm ID x 576mm L

576 mm (22-3/4 in), Large Pump Section Port

1шт.

4

218-587

TEE,37 Degree, 1 5/16"-12 x 1 1/16"-12, Br

1шт.

D137625

QUICK MALE COUPLING,1 - 1/16" - 12UNF - 2B ID

Quick Disconnect, Incl. Ref 5 - 9

1шт.

5

NSS

NOT SOLD SEPARAT

Housing

1шт.

6

425-1120

NUT,1 1/4"-12, G5

1шт.

7

NSS

NOT SOLD SEPARAT

Seat

1шт.

8

NSS

NOT SOLD SEPARAT

Spring

1шт.

9

NSS

NOT SOLD SEPARAT

Poppet, Valve

1шт.

10

H434163

DUST CAP

1шт.

11

370137A1

TUBE,25.4 mm OD, 845, 524 mm Length

Tee To Loader Control Valve Inlet

1шт.

12

383925A1

BRACKET

1шт.

13

D67297

BLOCK

1шт.

14

D143410

CLAMP,36.58mm ID, 10.31mm Bolt Hole, J Type

1шт.

15

711-10060

CARRIAGE BOLT,Sq Nk, M10 x 1.5 x 60mm, Cl 8.8

1шт.

16

218-5069

HYD CONNECTOR,1-5/16" - 12 Male JIC x 1-5/16" - 12 Male ORB

Incl. Ref 17

1шт.

17

237-6016

O-RING,0.116" Thk x 1.171" ID, -916, Cl 6, 90 Duro

Boss Seal

1шт.

18

218-5069

HYD CONNECTOR,1-5/16" - 12 Male JIC x 1-5/16" - 12 Male ORB

Incl. Ref 19

2шт.

19

237-6016

O-RING,0.116" Thk x 1.171" ID, -916, Cl 6, 90 Duro

Boss Seal

1шт.

20

144240A1

HOSE,3/4" ID, 1028mm L

1028 mm (40-1/2 in), Loader Valve Power Beyond Port, To Backhoe Control Valve Inlet; Models With Two Spool Loader Control Valve, With Hand Held And/Or Backhoe Auxiliary Hydraulics

1шт.

20a

144241A1

HOSE,19.05mm ID x 977mm L

977 mm (38-15/32 in), Loader Valve Power Beyond Port, To Backhoe Control Valve Inlet; Models With Three Spool Loader Control Valve, With Hand Held And/Or Backhoe Auxiliary Hydraulics

1шт.

21

136008A1

SUPPORT

1шт.

22

614-12035

BOLT,Hex, M12 x 1.75 x 35mm, Cl 8.8, Full Thd

1шт.

23

829-1412

NUT,M12, Cl 10.9

1шт.

24

614-10025

BOLT,Hex, M10 x 1.5 x 25mm, Cl 8.8

1шт.

25

144479A1

CLAMP

1шт.

26

144477A1

ISOLATOR

1шт.

27

829-1410

NUT,M10 x 1.5, Cl 10.9

1шт.

28

315284A1

HOSE ASSY.,3/4" ID, 1006mm L

1006 mm (39-5/8 in), Loader Valve Power Beyond Port, To Backhoe Control Valve Inlet; Models With Two Spool Loader Control Valve, Without Hand Held Or Backhoe Auxiliary Hydraulics

1шт.

28a

325662A1

HOSE ASSY.

956 mm (37-21/32 in), Loader Valve Power Beyond Port, To Backhoe Control Valve Inlet; Models With Three Spool Loader Control Valve, Without Hand Held Or Backhoe Auxiliary Hydraulics

1шт.

29

120303A1

SPACER,11mm ID x 15.82mm OD x 15mm Thk

1шт.

30

829-1410

NUT,M10 x 1.5, Cl 10.9

1шт.

Выбрано товаров: 34