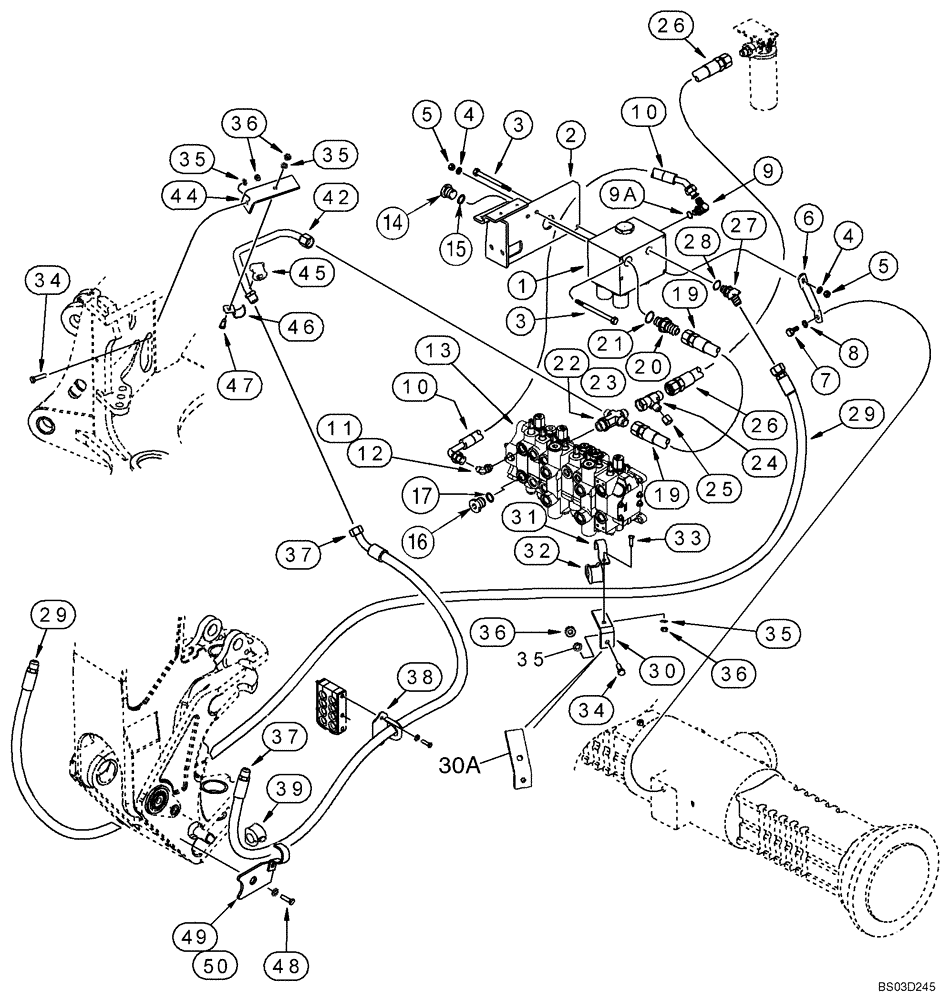
Запчасти Case 580M (08-19) - HYDRAULICS - BACKHOE AUXILIARY (08) - HYDRAULICS

Схема запчастей Case 580M - (08-19) - HYDRAULICS - BACKHOE AUXILIARY (08) - HYDRAULICS
42
22
17
2
11
30a
6
15
13
45
36
5
3
37
35
36
29
37
24
9
1
21
10
9a
46
10
7
33
32
25
19
38
26
47
35
3
49
36
30
8
23
4
35
34
19
20
34
39
16
29
5
50
26
28
14
4
12
27
31
48
44
35
FIT
1:1
100%

Артикул

Название

Примечание

Количество

REF

INSTRUCTION

Auxiliary and Backhoe Control Valves To Swing Tower

1шт.

1

301132A1

VALVE

Backhoe Auxiliary Valve, See Figure 08-48

1шт.

2

300580A1

BRACKET

1шт.

3

814-10180

BOLT,Hex, M10 x 1.5 x 180mm, Cl 8.8

M10 x 180

2шт.

5

829-1410

NUT,M10 x 1.5, Cl 10.9

2шт.

6

302641A1

STRUT

1шт.

7

614-18035

BOLT,Hex, M18 x 2.5 x 35mm, Cl 8.8, Full Thd

M18 x 35

1шт.

8

892-11018

LOCK WASHER,M18

18 mm

1шт.

9

218-5108

ELBOW,90 Degree Elbow, 1-1/16" - 12 Male JIC x 1-1/16" - 12 Male ORB

Incl. Ref 9A

1шт.

9a

237-6012

O-RING,0.116" Thk x 0.924" ID, -912, Cl 6, 90 Duro

Boss Seal

1шт.

10

300905A1

HOSE

610 mm (24 in), Auxiliary Valve To Upper Port Of Auxiliary Section Backhoe Valve

1шт.

11

218-5108

ELBOW,90 Degree Elbow, 1-1/16" - 12 Male JIC x 1-1/16" - 12 Male ORB

Incl. Ref 12

1шт.

12

237-6012

O-RING,0.116" Thk x 0.924" ID, -912, Cl 6, 90 Duro

Boss Seal

1шт.

13

REF

INSTRUCTION

Valve Assy, Control; Backhoe Control Valve, 7 or 8 Spool Valve With Auxiliary Hydraulics; For Correct Assembly and Components, See Figure(s) 08-34 - 08-36

1шт.

14

86625138

PLUG,7/18" - 14

Includes Ref. 15

1шт.

15

237-6010

O-RING,0.097" Thk x 0.755" ID, -910, Cl 6, 90 Duro

Boss Seal

1шт.

16

218-5158

PLUG,Hex Hd, 1 1/16"-12 ORB

Incl. Ref 17

1шт.

17

237-6012

O-RING,0.116" Thk x 0.924" ID, -912, Cl 6, 90 Duro

Boss Seal

1шт.

19

300907A1

HOSE

720 mm (28-3/8 in), Return

1шт.

20

218-5069

HYD CONNECTOR,1-5/16" - 12 Male JIC x 1-5/16" - 12 Male ORB

Incl. Ref 21

1шт.

21

237-6016

O-RING,0.116" Thk x 1.171" ID, -916, Cl 6, 90 Duro

Boss Seal

1шт.

22

302097A1

FITTING

Incl. Ref 23

1шт.

23

237-6016

O-RING,0.116" Thk x 1.171" ID, -916, Cl 6, 90 Duro

Boss Seal

1шт.

24

218-5490

TEE,37 Degree, 1 1/16"-12x1 1/16"-12, Fem Sw Runx7/8"-14 Br

1шт.

25

218-756

CAP,37 Degree, 7/8"-14

If Used; Not Required On Models With Hand Held Auxiliary Hydraulics

1шт.

26

293269A1

HOSE ASSY.

755 mm (29-3/4 in), Main Return

1шт.

27

218-5138

ELBOW,45 Degree Elbow, 1-1/16" - 12 Male JIC x 1-1/16" - 12 Male ORB

1-1/16-12 fl x Or, Incl. Ref 28

1шт.

28

237-6012

O-RING,0.116" Thk x 0.924" ID, -912, Cl 6, 90 Duro

Boss Seal

1шт.

29

302472A1

HOSE,19.05mm ID x 2603mm L

2603 mm (102-1/2 in), Pressure Port

1шт.

30

256412A1

BRACKET

No Longer Available; Order 413778A1, Ref. 30A

1шт.

30a

413778A1

BRACKET

1шт.

31

144479A1

CLAMP

1шт.

32

144477A1

ISOLATOR

1шт.

33

614-10030

BOLT,Hex, M10 x 1.5 x 30mm, Cl 8.8, Full Thd

1шт.

34

814-10040

BOLT,Hex, M10 x 1.5 x 40mm, Cl 8.8

2шт.

35

892-11010

LOCK WASHER,M10

4шт.

36

829-1410

NUT,M10 x 1.5, Cl 10.9

4шт.

37

253740A1

HOSE,19.05mm ID x 1760mm L

1760 mm (69-5/16 in), Lower Port Auxiliary Section Of Backhoe, Serial Range: Valve-Dipper

1шт.

38

252737A1

BRACKET

2шт.

39

144477A1

ISOLATOR

2шт.

42

300939A1

TUBE

Low Pressure Return

1шт.

44

282842A1

BRACKET

1шт.

45

D74182

GROMMET,3/4" ID x 1.46" L

1шт.

46

D143411

CLAMP,28.96mm ID, 10.31mm Bolt Hole, J Type

3/4 ID

1шт.

47

614-10025

BOLT,Hex, M10 x 1.5 x 25mm, Cl 8.8

1шт.

48

604-20045

BOLT,Hex, M20 x 45mm, Cl 8.8

M20 x 45

2шт.

49

329799A1

SUPPORT

Left-Hand

1шт.

50

329797A1

SUPPORT

Right-Hand

1шт.

4

895-11010

WASHER,11mm ID x 20mm OD x 2mm Thk

11 x 21 x 2 mm

2шт.

Выбрано товаров: 49