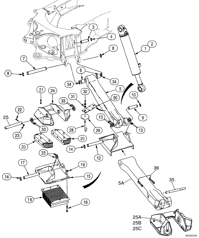
Запчасти Case 580M (09-20) - BACKHOE - STABILIZERS, PLATES AND PADS (09) - CHASSIS/ATTACHMENTS

Схема запчастей Case 580M - (09-20) - BACKHOE - STABILIZERS, PLATES AND PADS (09) - CHASSIS/ATTACHMENTS
33
13
23
28
21
5a
34
6
34
36
8
14
12
3
18
25
8
14
20
9
15
33
33
2
29
31
17
20
1
24
5
4
10
25b
25a
16
19
7
13
35
32
25c
30
22
FIT
1:1
100%

Артикул

Название

Примечание

Количество

1

195503A1

CYLINDER ASSY.,Double Acting, 50.8mm Rod, 553.3mm Stroke

102 ID x 553 mm strk; Stabilizer; Right-Hand; See Figure 08-54

1шт.

1

195503A1R

REMAN-HYD CYLINDER

580M LOADER BACKHOE (NA), 102 ID x 553 mm strk; Stabilizer; Right-Hand

1шт.

1

195503A1C

CORE-HYD CYLINDER

Return Number

1шт.

2

195504A1

CYLINDER,Double Acting, 50.8mm Rod, 553.3mm Stroke

102 ID x 553 mm strk; Stabilizer; Left-Hand; See Figure 08-54

1шт.

2

195504A1R

REMAN-HYD CYLINDER

580M LOADER BACKHOE (NA), Stabilizer, Right-Hand

1шт.

2

195504A1C

CORE-HYD CYLINDER

Return Number

1шт.

3

D38907

PIN,1.75" OD x 5 5/16 L

2шт.

4

103-16175

SNAP RING,#175, Ext

4шт.

5

D133428

STABILIZER

Incl. 6; No Longer Used, Order 446222A1, Ref. 5A

2шт.

5a

446222A1

STABILIZER

1135 mm (44-11/16 in), Leg; Replaces D133428; Incl. Ref 6

2шт.

6

D50146

BUSHING,44.68mm ID x 57.15mm OD x 38.1mm L

2шт.

7

121665A1

PIN,44.4mm OD x 308mm L

2шт.

8

103-16175

SNAP RING,#175, Ext

4шт.

9

D26002

PIN,38.1mm OD x 187.32mm L

2шт.

10

D25279

SNAP RING,M35, Int

4шт.

11

D88427

PLATE

Cleated, If Used

2шт.

12

D28648

PIN,1.5" OD x 10 7/16" L

2шт.

13

D143406

WASHER,38.23mm ID x 63.88mm OD x 2.9mm Thk

Used as a Spacer

1шт.

14

D25279

SNAP RING,M35, Int

4шт.

15

D142519

SHOE (ASSY)

Street or Cemetery, If Used

2шт.

16

D61368

PAD

Rubber; If used

2шт.

17

D39256

AXLE PIN,38.1mm OD x 238.13mm L

2шт.

18

413-1228

BOLT,Hex, 3/4" - 10 x 1-3/4", Gr 5

8шт.

19

425-1012

NUT,3/4"-10, G5

8шт.

386088A3

PAD

Flip Over; Incl. Ref 20 - 25; No Longer Used; Order 416669A1

2шт.

20

395753A2

PAD, RUBBER

2шт.

21

231-4247

LOCK NUT,7/16"-14, GB

6шт.

22

413-632

BOLT,Hex, 3/8" - 16 x 2", Gr 5

2шт.

23

230-4216

LOCK NUT,3/8"-16, GA

2шт.

24

386000A2

PAD

Flip Over

1шт.

25

D149033

PIN,38.1mm OD x 323.5mm L

1шт.

416669A1

Stabilizer, Flip; Replaces 386088A3; Order Components, Incl. Ref 25A - 25C

2шт.

25a

416667A1

PAD

Stabilizer, Flip

1шт.

25b

339680A2

PAD, RUBBER

Flip

2шт.

25c

832-41312

NUT,M12 x 1.75, Cl 10

8шт.

28

190035A1

BOLT,J, 3/8" - 16 x 6", Gr 2

2шт.

29

190967A1

LARGE PLATE

PLATE, LARGE

2шт.

30

190036A1

LARGE PLATE

PLATE, LARGE

1шт.

31

495-21044

WASHER,3/8"

(7/16 x 1 x 5/64)

2шт.

32

230-4216

LOCK NUT,3/8"-16, GA

2шт.

33

D143406

WASHER,38.23mm ID x 63.88mm OD x 2.9mm Thk

Used as a Spacer

1шт.

34

495-81282

WASHER,2 1/16" x 3" x .109"

1шт.

35

408405A1

PIVOT PIN,25.4mm OD x 300mm L

If Used; Used With 416669A1 Pad/A Only

1шт.

36

446454A1

PIN,4.5mm OD x 305mm L

Used With 416669A1 Pad/A

1шт.

Выбрано товаров: 44