Запчасти Case 580M (05-07) - AXLE, FRONT (377979A1 / 86990837) - MOUNTING (IF USED) (05) - STEERING

Схема запчастей Case 580M - (05-07) - AXLE, FRONT (377979A1 / 86990837) - MOUNTING (IF USED) (05) - STEERING
12
2
5
8a
4
10
6
14
5
16
14
15
13
14a
16
1
3
2
17
11
9
14a
1a
8
17
3
FIT
1:1
100%

Артикул

Название

Примечание

Количество

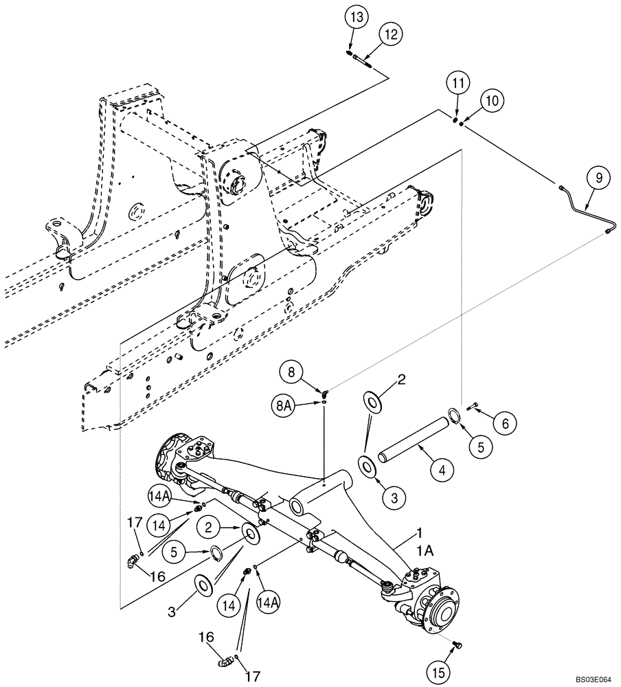
1

377979A1

AXLE, FRONT

Steering, Two Wheel Drive, See Figure 05-08 - 05-11; If Used

1шт.

1a

86990837

AXLE

Front, Two Wheel Drive, See Figure 05-08 - 05-11; If Used

1шт.

2

191796A1

WASHER,51.6mm ID x 92mm OD x 1.98mm Thk

2 x 4 x 1/16

1шт.

3

D123684

WASHER,52.3mm ID x 114mm OD x 4.78mm Thk

Thrust, 2-1/2 x 4-1/2 x 3/16

1шт.

4

391451A1

PIVOT PIN,50mm OD x 431.5mm L

431.5 mm (17 in) lg; One Hole Opposite Tapered End

1шт.

5

800-44050

SNAP RING,M50, Ext

No. 50

2шт.

6

614-12025

BOLT,Hex, M12 x 1.75 x 25mm, Cl 8.8, Full Thd

1шт.

8

218-5103

90 ELBOW,90 Degree Elbow, 7/16" - 20 Male JIC x 7/16" - 20 Male ORB

90 deg, 7/16 fl x adj Or; Incl. Ref 8A

1шт.

8a

237-6004

O-RING,0.072" Thk x 0.351" ID, -904, Cl 6, 90 Duro

1шт.

9

381386A1

HOSE ASSY.,1/8" ID x 500mm L, ES-B120 Class 16

500 mm (19-11/16 in), Lubrication Line

1шт.

10

218-1275

NUT,Blkhd, 7/16"-20

7/16

1шт.

11

495-11047

WASHER,7/16", SAE

(15/32 x 59/64 x 1/16")

1шт.

12

381442A1

CONNECTION

1шт.

13

219-1

LUBE NIPPLE,1/8" - 27 NPTF

1шт.

14

218-5351

HYD CONNECTOR,3/4"-16, 37 Degree x 9/16"-18, O-Ring

3/4 fl x 9/16 Or, Incl. Ref 14A; If Used

2шт.

14a

237-6006

O-RING,0.078" Thk x 0.468" ID, -906, Cl 6, 90 Duro

1шт.

15

A38208

WHEEL BOLT,5/8-18 UNF Class 2A

16шт.

16

218-5529

ELBOW,45 Degree, 9/16" - 18 ORB x 3/4" - 16 JIC

45 deg, 3/4 fl x 9/16 adj Or, Incl. Ref 17; If Used

2шт.

17

237-6006

O-RING,0.078" Thk x 0.468" ID, -906, Cl 6, 90 Duro

1шт.

Выбрано товаров: 19