Запчасти Case 580M (02-01) - RADIATOR - MOUNTING (02) - ENGINE

Схема запчастей Case 580M - (02-01) - RADIATOR - MOUNTING (02) - ENGINE
6
40
44
21
9
22
24
30
7
1
4a
18
38
4
20
42
27
36
14
23
18
11
3
45
31
17
15
5
15
16
13
43
29
41
19
37
28
39
12
10
2
21
17
FIT
1:1
100%

Артикул

Название

Примечание

Количество

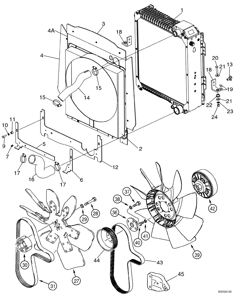
1

87410096

RADIATOR

3 Row Radiator, Models With Or Without Air Conditioning; See Figure 02-03

1шт.

87434793

SHROUD

ASSEMBLY; Incl. Ref 2 - 4A

1шт.

2

87417301

SHROUD

Fan

1шт.

3

87434775

SEAL

Top

1шт.

4

87434774

SEAL

Sides

2шт.

4a

87301355

RIVET,Pop, 3/16" x .575"

9шт.

5

87434614

RETAINING PLATE

Plate, Lower Left-Hand Shroud; With 1 Slot, 3 Holes; If Used

1шт.

5

87446082

RETAINING PLATE,390mm x 195mm x 43mm L

Plate, Lower Left-Hand Shroud; With 2 Slots, 2 Holes; If Used

1шт.

6

87434649

RETAINING PLATE

Plate, Lower Right-Hand Shroud; 199 mm (7-27/32 in) Long; If Used

1шт.

6

87446081

RETAINING PLATE,195mm x 62mm x 43mm L

Plate, Lower Right-Hand Shroud; 195 mm (7-11/16 in) Long; If Used

1шт.

7

87301356

RIVET,Pop, 3/16" x .700"

3шт.

9

614-8030

BOLT,Hex, M8 x 1.25 x 30mm, Cl 8.8, Full Thd

2шт.

10

895-11008

WASHER,9mm ID x 16mm OD x 1.6mm Thk

2шт.

11

407962A1

SPACER,9.8mm ID x 12.9mm OD x 11mm L

2шт.

12

87434978

INSULATOR

Lower

1шт.

13

81465471

DRAINCOCK/TAP SUPPLY

1/4

1шт.

14

87413237

RADIATOR HOSE,45.00 mm ID x 289.50 mm, SAE J20R4

Upper, Part Number Stamped on Hose, If Used

1шт.

14

87454377

LARGE HOSE,45.00 mm ID x 289.50 mm, SAE 20R4 CLASS D-1

HOSE,LARGE Upper; Part Number Stamped On Hose; If Used

1шт.

15

87647029

HOSE CLAMP,40-64mm

Replaces 214-1432 Clamp Used On Some Models

2шт.

16

87407272

HOSE,57.00 mm ID x 217.70 mm, SAE J20, SAE J20R4 CLASS C

Lower; Part Number Stamped On Hose; If Used

1шт.

16

87454378

RADIATOR HOSE,57.15 mm ID x 217.70 mm, SAE 20R4 CLASS D-1

Lower

1шт.

17

214-1440

HOSE CLAMP,#40, 2.06" - 3", Type F Worm

2шт.

18

87407771

BRACKET, SUPPORTING

Radiator Mounting Support

2шт.

19

614-8016

BOLT,Hex, M8 x 1.25 x 16mm, Cl 8.8, Full Thd

4шт.

20

814-10050

BOLT,Hex, M10 x 1.5 x 50mm, Cl 8.8

2шт.

21

K691987

WASHER,10.5mm ID x 30mm OD x 3.0mm Thk

Flat, 10 mm

4шт.

22

D52276

ISOLATOR,10.16mm ID x 28.07mm OD x mm L

Rubber

2шт.

23

895-11010

WASHER,11mm ID x 20mm OD x 2mm Thk

2шт.

24

832-10410

NUT,M10 x 1.5, Cl 8

2шт.

27

228133A2

FAN,7 Blades, 20 OD, CW Rotation

39 Degrees; With White Identification Dot; Standard Fan Drive; With Air Conditioning; With Turbo

1шт.

27

127181A2

FAN

27 Degrees; Standard Fan Drive; Without Air Conditioning; With Or Without Turbo

1шт.

28

814-10090

BOLT,Hex, M10 x 1.5 x 90mm, Cl 8.8

4шт.

29

496-21041

WASHER,13/32" x 13/16" x .089", HDN

4шт.

30

87353191

SPACER

Die Cast, 59 mm Long, Standard Fan Drive; With Or Without Air Conditioning; With Or Without Turbo; Replaces 85826229 Aluminium 59 mm Long Spacer that has Part Number Stamped On Spacer Used On Some Models

1шт.

31

85826230

V-BELT,28.48 mm W x 1440.00 mm L, 8 Ribs

Standard Fan Drive, With Or Without Air Conditioning, With Or Without Turbo

1шт.

36

303192A1

ADAPTER

Viscous Fan Drive, With Air Conditioning; With Turbo

1шт.

37

614-10030

BOLT,Hex, M10 x 1.5 x 30mm, Cl 8.8, Full Thd

4шт.

38

896-11010

WASHER,11mm ID x 21mm OD x 2.5mm Thk

4шт.

39

277800A1

FAN,9 Blades, 500.1mm OD

9 Blade, Viscous Fan Drive; With Air Conditioning; With Turbo

1шт.

40

614-8016

BOLT,Hex, M8 x 1.25 x 16mm, Cl 8.8, Full Thd

4шт.

41

892-11008

LOCK WASHER,8mm ID

4шт.

42

87340008

DRIVE

Fan; Component Parts Not Serviced Separately; Viscous Fan Drive; With Air Conditioning; With Turbo; Replaces 303195A1, 47049810

1шт.

43

87415774

V-BELT,28.28 mm W x 1406.00 mm L

Viscous Fan Drive, With Air Conditioning; With Turbo

1шт.

87419385

BODY

Fan 1.4:1 Ratio Pulley Kit; Includes Ref 44, 45; Viscous Fan Drive; With Air Conditioning; No Longer Available For Service, Order Components

1шт.

44

4890343

PULLEY,130.25mm OD

1шт.

45

87442419

BRACKET

Pulley Tensioner Support, Painted, Replaces 2852621, 504069572 Which Were Used With 86990708 And 86990709 Engines

1шт.

Выбрано товаров: 46