Запчасти Case 580M (08-02) - HYDRAULICS - LOADER VALVE AND FILTER TO BACKHOE VALVE (08) - HYDRAULICS

Схема запчастей Case 580M - (08-02) - HYDRAULICS - LOADER VALVE AND FILTER TO BACKHOE VALVE (08) - HYDRAULICS
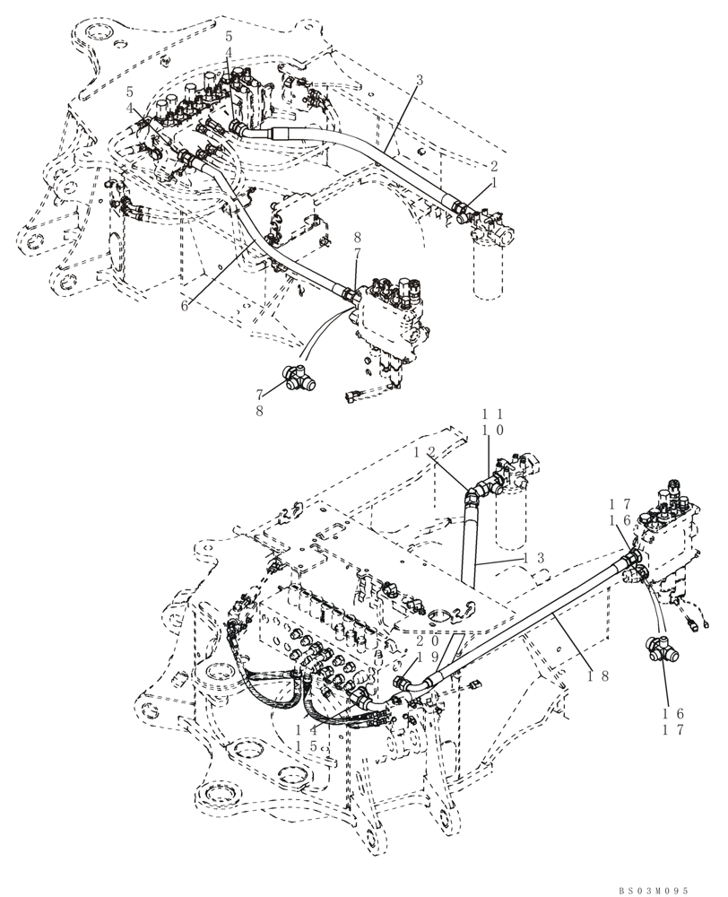
3
2
8
5
4
20
bs03m095
10
16
17
15
18
1
12
7
8
5
4
19
11
16
17
7
6
13
14
FIT
1:1
100%

Артикул

Название

Примечание

Количество

REF

INSTRUCTION

MODELS WITHOUT PILOT CONTROLS

1шт.

1

218-5584

TEE,37 Degree, 1 5/16"-12, 1 5/16"-12 O-Ring Run, 1 1/16"-12

Incl. Ref 2

1шт.

2

237-6016

O-RING,0.116" Thk x 1.171" ID, -916, Cl 6, 90 Duro

1шт.

3

313648A1

HYDRAULIC HOSE,1.0” ID x 910mm L

910 mm (35-7/8"); Return; Models Without Pilot Controls

1шт.

4

218-5069

HYD CONNECTOR,1-5/16" - 12 Male JIC x 1-5/16" - 12 Male ORB

Incl. Ref 5

2шт.

5

237-6016

O-RING,0.116" Thk x 1.171" ID, -916, Cl 6, 90 Duro

1шт.

6

87437441

HYDRAULIC HOSE,¾” ID x 1025mm L

1025 mm (40-3/8 in); 2 or 3 Spool Valve; Without Auxiliary Hydraulics, Without Pilot Controls; Loader Valve Power Beyond to Backhoe Valve

1шт.

6

87437232

HYDRAULIC HOSE,¾” ID x 370mm L

420 mm (16-9/16 in); 2 Spool Valve; With Auxiliary Hydraulics; With or Without Pilot Controls; Loader Valve Power Beyond to Backhoe Valve

1шт.

6

87437231

HYDRAULIC HOSE

370 mm (14-5/8 in); 3 Spool Valve; With Auxiliary Hydraulics; With or Without Pilot Controls; Loader Valve Power Beyond to Backhoe Valve

1шт.

7

87436066

FITTING,1" 5/16 - 12 ORFS x 1" 5/16 - 12 ORB x 1 1/16" - 12 ORB x 7/8" - 14 ORB

4-Way Special Tee, Incl. Ref 8; If Used; May Be Replaced By 218-5034 Adapter On Some Models

1шт.

7

218-5034

HYD CONNECTOR,1-5/16" - 12 Male JIC x 1-5/16" - 12 Male ORB

Incl. Ref 8; replaces 4-Way Fitting On Some Models

1шт.

8

237-6016

O-RING,0.116" Thk x 1.171" ID, -916, Cl 6, 90 Duro

1шт.

REF

INSTRUCTION

MODELS WITH PILOT CONTROLS

1шт.

10

218-5584

TEE,37 Degree, 1 5/16"-12, 1 5/16"-12 O-Ring Run, 1 1/16"-12

Incl. Ref 11

1шт.

11

237-6016

O-RING,0.116" Thk x 1.171" ID, -916, Cl 6, 90 Duro

1шт.

12

218-5176

ELBOW,45 Degree Elbow, 1-5/16" - 12 Male JIC x 1-5/16" - 12 Female JIC

Used With 87437934 1230 mm Hose; If Used

1шт.

13

87437934

HOSE ASSY.,1.0” ID x 1230mm L

1230 mm (48-7/16 in); Return; Models With Pilot Controls; Used With Ref 12 Elbow; If Used

1шт.

13

87450456

HYDRAULIC HOSE,1.0” ID x 1254mm L

1254 mm (49-3/8 in); Return; Models With Pilot Controls; Replaces Ref 12 Elbow and 87437934 1230 mm Hose Used On Some Models

1шт.

14

218-5110

ELBOW,90 Degree Elbow, 1-5/16" - 12 Male JIC x 1-5/16" - 12 Male ORB

Incl. Ref 15

1шт.

15

237-6016

O-RING,0.116" Thk x 1.171" ID, -916, Cl 6, 90 Duro

1шт.

16

87436066

FITTING,1" 5/16 - 12 ORFS x 1" 5/16 - 12 ORB x 1 1/16" - 12 ORB x 7/8" - 14 ORB

4-Way, Special, 1-5/16 fl x Or; Incl. Ref 17

1шт.

17

237-6016

O-RING,0.116" Thk x 1.171" ID, -916, Cl 6, 90 Duro

1шт.

18

87455832

HYDRAULIC HOSE,19.05mm ID x 1020mm L

1020 mm (40-5/32 in); 2 or 3 Spool Valve; Without Auxiliary Hydraulics, With Pilot Controls; Power Beyond; Replaces 87437442 1050 mm (41-3/8 in) Hose

1шт.

18

87437232

HYDRAULIC HOSE,¾” ID x 370mm L

420 mm (16-9/16 in); 2 Spool Valve; With Auxiliary Hydraulics; With or Without Pilot Controls; Loader Valve Power Beyond to Backhoe Valve

1шт.

18

87437231

HYDRAULIC HOSE

370 mm (14-5/8 in); 3 Spool Valve; With Auxiliary Hydraulics; With or Without Pilot Controls; Loader Valve Power Beyond to Backhoe Valve

1шт.

19

218-5064

HYD CONNECTOR,1-1/16" - 12 Male JIC x 1-1/16" - 12 Male ORB

Incl. Ref 20

1шт.

20

237-6012

O-RING,0.116" Thk x 0.924" ID, -912, Cl 6, 90 Duro

1шт.

Выбрано товаров: 27