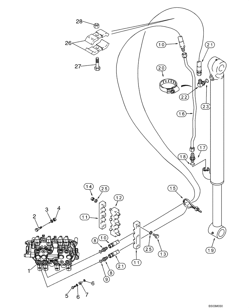
Запчасти Case 580M (08-12) - HYDRAULICS - CYLINDER, BACKHOE BUCKET (MODELS WITHOUT EXTENDABLE DIPPER) (08) - HYDRAULICS

Схема запчастей Case 580M - (08-12) - HYDRAULICS - CYLINDER, BACKHOE BUCKET (MODELS WITHOUT EXTENDABLE DIPPER) (08) - HYDRAULICS
11
8
21
22
15
2
25
11
25
8
14
12
19
26
17
23
13
6
1
9
6
28
3
21
18
16
4
10
5
10
7
27
20
FIT
1:1
100%

Артикул

Название

Примечание

Количество

1

REF

INSTRUCTION

Valve Assy, Control; Backhoe Control Valve; For Correct Assembly and Components, See Figures 08-32 - 08-39

1шт.

2

814-10080

BOLT,Hex, M10 x 1.5 x 80mm, Cl 8.8

2шт.

3

896-11010

WASHER,11mm ID x 21mm OD x 2.5mm Thk

2шт.

4

829-1410

NUT,M10 x 1.5, Cl 10.9

2шт.

5

614-10035

BOLT,Hex, M10 x 1.5 x 35mm, Cl 8.8, Full Thd

Replaces 614-10040 M10 x 40 Bolt Used On Some Models

1шт.

6

496-41041

WASHER,13/32" x 1 1/8" x .134"

2шт.

7

D52276

ISOLATOR,10.16mm ID x 28.07mm OD x mm L

1шт.

8

218-5063

HYD CONNECTOR,7/8" - 14 Male JIC x 1-1/16" - 12 Male ORB

Incl. Ref 9

2шт.

9

237-6012

O-RING,0.116" Thk x 0.924" ID, -912, Cl 6, 90 Duro

Boss Seal

1шт.

10

397788A1

HOSE ASSY.,12.7mm ID x 3860mm L

3860 mm (152 in)

1шт.

11

178951A1

CLAMP

2шт.

12

178952A1

CLAMP

1шт.

13

814-10120

BOLT,Hex, M10 x 1.5 x 120mm, Cl 8.8

3шт.

14

832-10410

NUT,M10 x 1.5, Cl 8

3шт.

15

L18337

CABLE TIE,9.95"-12.1" lg

CABLE STRAP

2-4шт.

16

396339A1

TUBE

Models Without Backhoe Auxiliary Hydraulics

1шт.

16

357470A1

TUBE,15.88 mm OD, 923, 75 mm Length

Models With Backhoe Auxiliary Hydraulics

1шт.

17

218-5062

HYD CONNECTOR,7/8"-14, 37 Degree x 7/8"-14, O-Ring

Incl. Ref 18

1шт.

18

237-6010

O-RING,0.097" Thk x 0.755" ID, -910, Cl 6, 90 Duro

Boss Seal

1шт.

19

128760A1

CYLINDER ASSY.,Double Acting, 57.2mm Rod, 871.7mm Stroke

83 ID x 872 mm strk; Bucket Cylinder, See Figure 08-65

1шт.

19

128760A1R

REMAN-HYD CYLINDER

Bucket Cylinder - For N.A. Only

1шт.

19

128760A1C

CORE-HYD CYLINDER

Bucket Cylinder - For N.A. Only

1шт.

20

214-1464

HOSE CLAMP,#64, 3.56" - 4.5", Type F Worm

1шт.

21

393360A1

HOSE ASSY.,12.7mm ID x 3860mm L

3860 mm (152 in)

1шт.

22

218-5107

90 ELBOW,90 Degree Elbow, 7/8" - 14 Male JIC x 7/8" - 14 Male ORB

Incl. Ref 23

1шт.

23

237-6010

O-RING,0.097" Thk x 0.755" ID, -910, Cl 6, 90 Duro

1шт.

25

895-11010

WASHER,11mm ID x 20mm OD x 2mm Thk

6шт.

26

D143846

CLAMP

2шт.

27

814-10055

BOLT,Hex, M10 x 1.5 x 55mm, Cl 8.8

1шт.

28

832-10410

NUT,M10 x 1.5, Cl 8

1шт.

Выбрано товаров: 0