Запчасти Case 580M (08-22) - HYDRAULICS - PILOT CONTROLS (08) - HYDRAULICS

Схема запчастей Case 580M - (08-22) - HYDRAULICS - PILOT CONTROLS (08) - HYDRAULICS
42
50
50
12
1
11
6
41
20
2
21
23
32
42
48
44b
36
9
25
12
18a
37
26
15
24
44a
40
31
35
39a
53
13
46
42
1
41
49
16
17
18
14
9
22
30
9
23
39
47
11
1
19
23
38
43
27
4
34
33
3
52
49
37
5
22
8
22
12
11
29
41
44
28
10
2
5
45
1
7
FIT
1:1
100%

Артикул

Название

Примечание

Количество

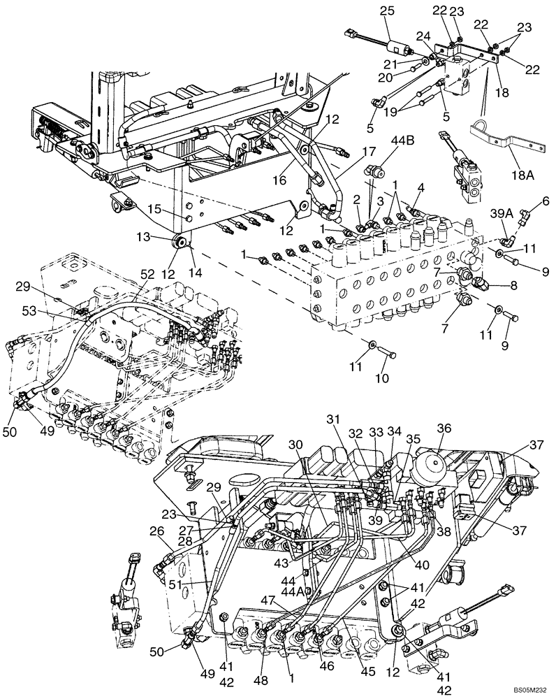
1

218-5089

HYD CONNECTOR,7/16" - 20 Male JIC x 9/16" - 18 Male ORB

Incl. 237-6006 O-Ring

9шт.

2

87423401

FITTING,1/4" JIC x 3/8" ORB

Special Orifice; 7/16 fl x 9/16 Or; Incl. 237-6006 O-Ring; If Unit Experiences Dipper Stuttering, As Dipper Is Moving Toward the Unit, Replace Ref 2 Fitting & Ref 30 & 45 Tubes, With (1) 87594363 Snubber, (2) 87594364 Hoses

1шт.

2

87594363

DAMPING VALVE

Snubber Fitting; Incl. 237-6006 O-ring; Used In Place of 87423401 Fitting On Models With Dipper Stuttering

1шт.

3

218-5283

ELBOW,90 Degree, 7/16"-20, 37 Degree x 9/16"-18, O-Ring

Includes 237-6006 O-Ring; If Used

1шт.

4

218-5365

ELBOW,45 Degree, 7/16"-20, 37 Degree x 9/16"-18, O-Ring

Includes 237-6006 O-Ring

1шт.

5

218-5105

ELBOW,90 Degree Elbow, 9/16" - 18 Male JIC x 9/16" - 18 Male ORB

Includes 237-6006; 2 Used on Models With Auto Up; 4 Used on Models Without Auto Up

2-4шт.

6

218-980

ELBOW,90 Degree, 9/16"-18, 37 Degree x 9/16"-18, 37 Degree Fem Sw

1шт.

7

218-5063

HYD CONNECTOR,7/8" - 14 Male JIC x 1-1/16" - 12 Male ORB

Includes 237-6012 O-Ring

2шт.

8

218-5232

ELBOW,90 Degree, 7/8"-14, 37 Degree x 7/8"-14, 37 Degree Fem Sw

1шт.

9

814-10045

BOLT,Hex, M10 x 1.5 x 45mm, Cl 8.8

2шт.

10

814-10060

BOLT,Hex, M10 x 1.5 x 60mm, Cl 8.8

1шт.

11

896-15010

WASHER,11mm ID x 24mm OD x 3mm Thk

3шт.

12

496-41041

WASHER,13/32" x 1 1/8" x .134"

5шт.

13

D52276

ISOLATOR,10.16mm ID x 28.07mm OD x mm L

Mount

1шт.

14

87440712

BRACKET

Valve Mounting Bracket

1шт.

15

614-10030

BOLT,Hex, M10 x 1.5 x 30mm, Cl 8.8, Full Thd

2шт.

16

87426488

TUBE

Swing Dampening Upper Port

1шт.

17

87427948

TUBE

Swing Dampening Lower Port

1шт.

18

87423034

BRACKET, SUPPORTING

No Longer Available, Order 87450318 Bracket, Ref 18A

2шт.

18a

87450318

BRACKET

2шт.

19

814-8055

BOLT,Hex, M8 x 1.25 x 55mm, Cl 8.8

4шт.

20

814-8035

BOLT,Hex, M8 x 1.25 x 35mm, Cl 8.8

2шт.

21

496-81028

WASHER,10.31mm ID x 31.75mm OD x 4.06mm Thk

Replaces 496-41041 Washer, 13/32 x 1-1/8 x .134 Used On Some Models

2шт.

21a

87437840

SPACER,11.5mm L

Not Illustrated

2шт.

22

895-11008

WASHER,9mm ID x 16mm OD x 1.6mm Thk

6шт.

23

829-1408

NUT,Hex, M8 x 1.25, Cl 10.9

7шт.

24

87423033

TEE

Includes 237-6004 O-Ring, 237-6006 O-Ring; Models With Auto Up, If Used

2шт.

25

87552560

PRESSURE SWITCH

Includes 237-6004 O-Ring; Models With Auto Up, 12 inch Wire Lead; With Rubber Snubbing; CNH Part Number Stamped On Body Of Switch; North American Models; Replaces 87439163 Switch

2шт.

25

86992557

PRESSURE SWITCH

Includes 237-6004 O-Ring; Models With Auto Up, 6 inch Wire Lead; CNH Part Number Stamped On Body Of Switch; European Models

2шт.

26

87434777

HYD TUBE

Reducing Valve Tank to Backhoe Valve

1шт.

27

895-11008

WASHER,9mm ID x 16mm OD x 1.6mm Thk

1шт.

28

614-8025

BOLT,Hex, M8 x 1.25 x 25mm, Cl 8.8, Full Thd

1шт.

29

515-2295

CLAMP,3/8", Insul, 5/16" Bolt

1-2шт.

30

87437623

TUBE,.25" OD

Selector A2 to Dipper Port A; If Unit Experiences Dipper Stuttering, As Dipper Is Moving Toward the Unit, Replace Ref 2 Fitting & Ref 30 & 45 Tubes, With (1) 87594363 Snubber, (2) 87594364 Hoses

1шт.

30

87594364

HYDRAULIC HOSE,6mm ID x 550mm L

550 mm (21-21/32 in); Used in Place of 87437623 Tube On Models With Dipper Stuttering

1шт.

31

86596853

QUICK MALE COUPLING,9/16"-18

Includes 9617873 O-Ring

1шт.

32

218-5243

TEE,9/16" - 18 Male JIC x 9/16" - 18 Male JIC x 9/16" - 18 Male ORB

Includes 237-6006 O-Ring

1шт.

33

218-5057

HYD CONNECTOR,9/16" - 18 JIC x 9/16" - 18 ORB

Incl. 237-6006 O-Ring

1шт.

34

218-5222

TEE,37 Degree, 9/16"-18, x 9/16"-18, Fem Sw Run

2шт.

35

218-836

TEE,37 Degree, 9/16"-18 x 9/16"-18, Fem Sw Br

1шт.

36

87425225

ACCUMULATOR,0.16L

Includes 237-6008 O-Ring

1шт.

37

840-1416

SCREW,Pan, M4 x 16mm, Cl 4.8

See Figure 08-15 - 08-20 For Pilot Control Power Supply Control Unit; See Figure 04-20 For Relay

3шт.

38

218-5053

HYD CONNECTOR,7/16" - 20 JIC x 7/16" - 20 ORB

Incl. 237-6004 O-Ring

12шт.

39

218-5105

ELBOW,90 Degree Elbow, 9/16" - 18 Male JIC x 9/16" - 18 Male ORB

Includes 237-6006 O-Ring

1шт.

39a

87448990

ELBOW

Includes Orifice; Includes 237-6006 O-Ring

1шт.

40

87439215

HYD TUBE

Selector A4 to Boom Port A

1шт.

41

829-1410

NUT,M10 x 1.5, Cl 10.9

5шт.

42

892-11010

LOCK WASHER,M10

4шт.

43

87437627

HYD TUBE

Reducing Valve to Left-Hand Stabilizer Port A

1шт.

44

87437631

TUBE,.25" OD

Reducing Valve to Right-Hand Stabilizer Port A; Used With 90 deg 218-5283 Elbow (Ref 3); No Longer Available, Order 87445557 Tube and 218-5365 45 deg Elbow, Ref 44A, 44B

1шт.

44a

87445557

HYD TUBE

Reducing Valve to Right-Hand Stabilizer Port A; Used With 45 deg Elbow, Ref 44B

1шт.

44b

218-5365

ELBOW,45 Degree, 7/16"-20, 37 Degree x 9/16"-18, O-Ring

Includes 237-6006 O-Ring

1шт.

45

87437621

TUBE,.25" OD

Selector A1 to Dipper Port B; If Unit Experiences Dipper Stuttering, As Dipper Is Moving Toward the Unit, Replace Ref 2 Fitting & Ref 30 & 45 Tubes, With (1) 87594363 Snubber, (2) 87594364 Hoses

1шт.

45

87594364

HYDRAULIC HOSE,6mm ID x 550mm L

550 mm (21-21/32 in); Used in Place of 87437621 Tube On Models With Dipper Stuttering

1шт.

46

87437629

HYD TUBE

Reducing Valve to Right-Hand Stabilizer Port B

1шт.

47

87437625

HYD TUBE

Reducing Valve to Left-Hand Stabilizer Port B

1шт.

48

87439213

HYD TUBE

Selector A3 to Boom Port B

1шт.

49

218-5182

TEE,9/16" - 18 Male JIC x 9/16" - 18 Male JIC x 9/16" - 18 Male ORB

Includes 237-6006 O-Ring

1шт.

50

218-754

CAP,37 Degree, 9/16"-18

1шт.

51

87437641

TUBE,.375" OD

Reducing Valve Pressure to Backhoe Valve; No Longer Available, Order 87352590 Hose, Ref 52

1шт.

52

87352590

HYDRAULIC HOSE

809 mm (31-7/8 in); Reducing Valve Pressure to Backhoe Valve

1шт.

53

515-22127

CLAMP,1/2", Insul, 5/16" Bolt

1шт.

Выбрано товаров: 62