Запчасти Case 580M (09-19A) - CONTROLS - BACKHOE, EXCAVATOR CONTROL PATTERN (09) - CHASSIS/ATTACHMENTS

Схема запчастей Case 580M - (09-19A) - CONTROLS - BACKHOE, EXCAVATOR CONTROL PATTERN (09) - CHASSIS/ATTACHMENTS
4
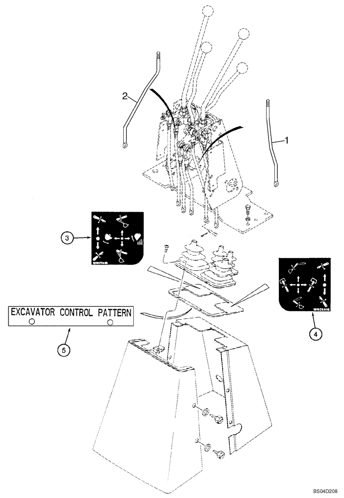
5
1
2
3
FIT
1:1
100%

Артикул

Название

Примечание

Количество

87447088

SERVICE KIT

Excavator Control Pattern; Incl. Ref 1 - 5; Purchase From Parts and Components; Machine Must Be Equipped With Hand Swing Controls; If Machine Is Equipped With Foot Swing Controls, Foot Swing to Hand Swing Controls Kit Must Be Ordered and Installed First

1шт.

1

87422272

THREADED ROD

Dipper; Replaces Existing Boom Control Rod; Right-Hand Control Lever Which Used To Control The Dipper, Now Controls The Boom

1шт.

2

87422270

THREADED ROD

Boom; Replaces Existing Dipper Control Rod; The Left-Hand Control Lever Which Used To Control The Boom, Now Controls The Dipper

1шт.

3

E49498

DECAL

Control; Right-Hand

1шт.

4

E49497

DECAL

Control; Left-Hand

1шт.

5

198410A1

LARGE PLATE

PLATE, LARGE Excavator Control Pattern

1шт.

Выбрано товаров: 6