Качественные детали и логистика
Оригинальные и аналоговые запчасти с доставкой по России, Казахстану и Беларуси
©2022 PartSell ООО "Система" ИНН 2463123282 ОГРН 1212400004838
Центральный офис: г. Красноярск, Академика Киренского, д.87, пом.4
Телефон: 8 (800) 777-65-74 Email: zakaz@partsell.ru
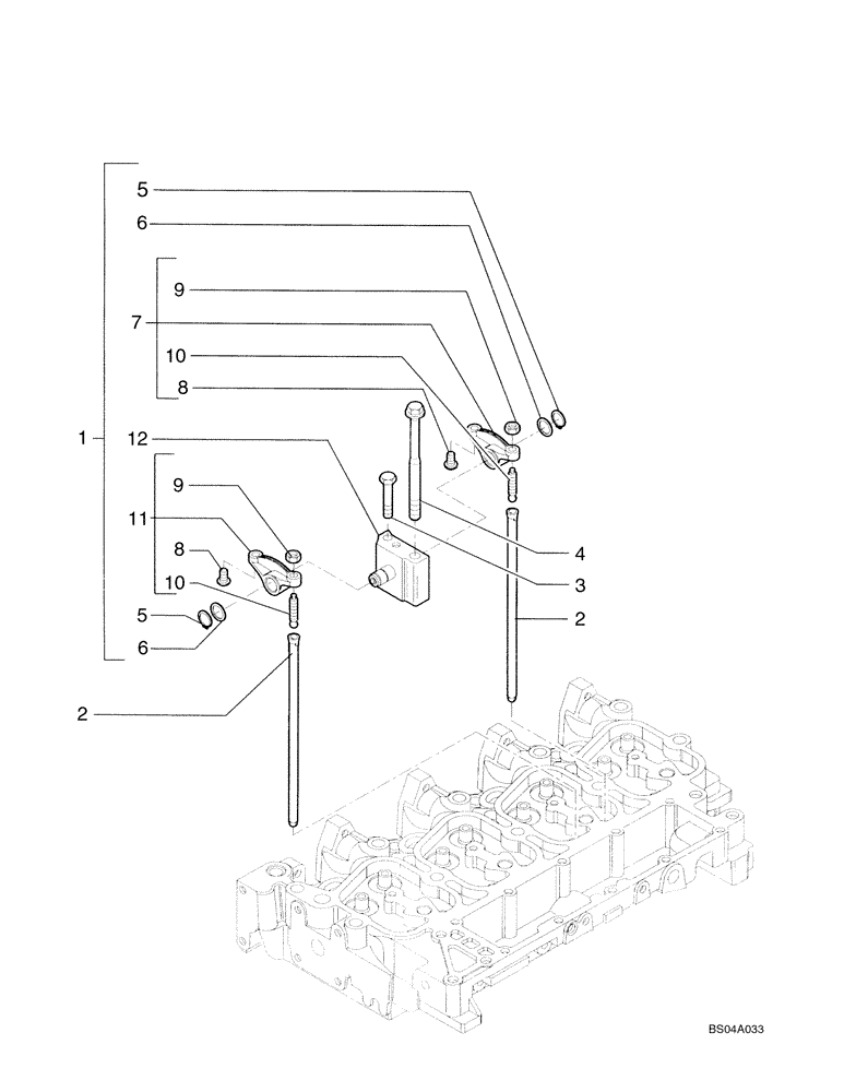
(02-18) - CYLINDER HEAD - VALVE MECHANISM
№
Артикул
Название
Примечание
Количество
1
4895195
ROCKER
Incl. Ref 5 - 12
4шт.
2
4895361
PUSH ROD
8шт.
3
4895193
SCREW
Hex
4
4892860
BOLT,Flng, M12 x 1.75 x 183mm
5
4895363
SNAP RING
2шт.
6
4895364
WASHER
7
4895196
ROCKER ARM,Exhaust
Incl. Ref 8 - 10
1шт.
8
4895365
INSERT
9
4895198
NUT,3/8"-24, Heavy
10
4895199
ADJUSTMENT SCREW,3/8" - 24 x 25.85mm
11
4895200
ROCKER ARM,Intake
12
4895204
SHAFT
Выбрано товаров: 0