Запчасти Case 580M (04-20) - ELECTRICAL - BACKHOE AUXILIARY HYDRAULIC, WITH PILOT CONTROLS (04) - ELECTRICAL SYSTEMS

Схема запчастей Case 580M - (04-20) - ELECTRICAL - BACKHOE AUXILIARY HYDRAULIC, WITH PILOT CONTROLS (04) - ELECTRICAL SYSTEMS
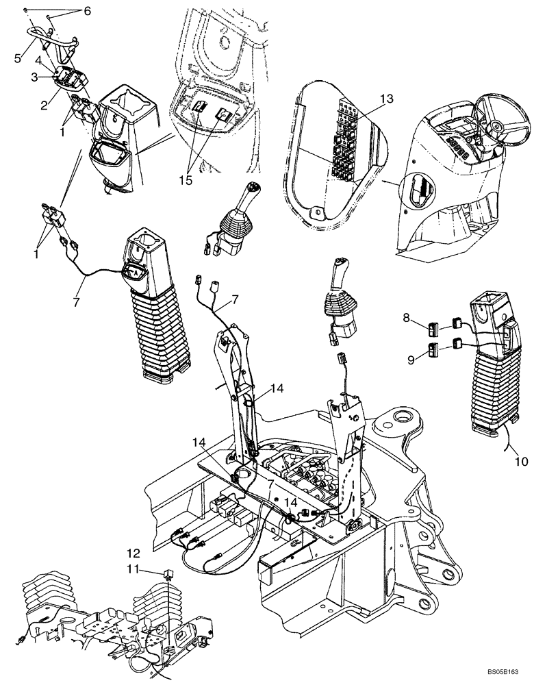
7
14
10
1
2
3
8
7
14
12
4
6
1
13
5
11
9
15
FIT
1:1
100%

Артикул

Название

Примечание

Количество

1

86988086

JOYSTICK

Stabilizer

2шт.

2

87435381

MOUNTING PLATE

1шт.

3

84214042

SCREW,Phil Pan Hd, M3 x 8mm, Full Thd, SST

Replaces 87022296 Screw With BZN Finish Used On Some Models

8шт.

4

87423812

DECAL

Stabilizer Switch

1шт.

5

87307656

GUARD

Stabilizer Switch Guard; Replaces 87436396

1шт.

6

87310085

SELF-TAP SCREW,HWH, M10 x 25.4mm

Hex Washer Head, No. 10-16 x 1, Full Thread; Replaces 140-106 Pan Head Cross Recess No. 10-24 x 1/2 Screw and 87310083 Hex Washer Hd, Self-Tapping, No. 10-16 x 1/2, Full Thread Screw Used On Some Models

2шт.

7

87436676

WIRE HARNESS

Pilot Control Joystick, Left-Hand

1шт.

8

87423802

ROCKER SWITCH

Pilot Control, On/Off Momentary

1шт.

9

87410105

ROCKER SWITCH

Pilot Control Pattern Selection W/Lock

1шт.

10

87425636

WIRE HARNESS

Pilot Control Joystick, Right-Hand

1шт.

11

87436836

RELAY,12V, 40 Amp

1шт.

12

840-1416

SCREW,Pan, M4 x 16mm, Cl 4.8

3шт.

13

121413A1

FUSE,15A, Mini, Blue

1шт.

14

L18337

CABLE TIE,9.95"-12.1" lg

6шт.

15

87452511

NUT,7.5mm ID

J-Type; If Used

2шт.

Выбрано товаров: 15