Запчасти Case 580M (05-01) - STEERING WHEEL - COLUMN (05) - STEERING

Схема запчастей Case 580M - (05-01) - STEERING WHEEL - COLUMN (05) - STEERING
1
13
20
24
21
23
11
16
3
9
18
2
22
12
15
5
12
6a
6
21
17
19
19
8
4
10
7
25
20
14
FIT
1:1
100%

Артикул

Название

Примечание

Количество

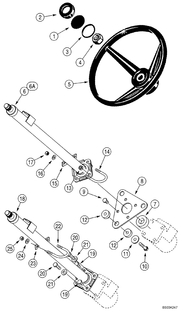
1

87435569

EMBLEM

Insert, Case

1шт.

2

114882A2

CAP,Polystyrene

1шт.

3

238-5227

O-RING,0.139" Thk x 2.109" ID, -227, Cl 5, 75 Duro

1шт.

4

1959509C1

NUT,Hex, M20 x 5, RH

1шт.

5

A65544

STEERING WHEEL

1шт.

6

352568A1

STEERING COLUMN

COLUMN-STEERING Cab Models, Without Tilt Steering, See Figure 05-03

1шт.

6a

352569A4

STEERING COLUMN,Tilting

Cab Models, With Tilt Steering, 712 mm Long, See Figure 05-03

1шт.

7

352401A1

SEAL,25mm ID x 48mm OD x 19mm Thk

25 x 40 x 19 mm, Sound Insulation

1шт.

8

388116A2

PLATE

1шт.

9

614-10020

BOLT,Hex, M10 x 1.5 x 20mm, Cl 8.8, Full Thd

4шт.

10

814-10050

BOLT,Hex, M10 x 1.5 x 50mm, Cl 8.8

3шт.

11

496-81028

WASHER,10.31mm ID x 31.75mm OD x 4.06mm Thk

3шт.

12

87447450

ISOLATOR

10 mm Hole; Replaces 141747A1 Isolator With 9.5 mm Hole Used On Some Models

3шт.

13

832-10410

NUT,M10 x 1.5, Cl 8

2шт.

14

379846A1

U-BOLT,M8 x 1.25, Round, 58.7mm W, 78mm L

BOLT "U"

1шт.

15

352727A1

SPACER

1шт.

16

895-15008

WASHER,9mm ID x 20mm OD x 1.6mm Thk

2шт.

17

832-10408

NUT,M8 x 1.25, Cl 8.8

2шт.

18

348794A1

STEERING COLUMN

COLUMN-STEERING Canopy Models, See Figure 05-03

1шт.

19

614-10020

BOLT,Hex, M10 x 1.5 x 20mm, Cl 8.8, Full Thd

2шт.

20

614-10035

BOLT,Hex, M10 x 1.5 x 35mm, Cl 8.8, Full Thd

2шт.

21

895-15010

WASHER,11mm ID x 24mm OD x 2mm Thk

2шт.

22

379846A1

U-BOLT,M8 x 1.25, Round, 58.7mm W, 78mm L

BOLT "U"

1шт.

23

352727A1

SPACER

1шт.

24

895-15008

WASHER,9mm ID x 20mm OD x 1.6mm Thk

2шт.

25

832-10408

NUT,M8 x 1.25, Cl 8.8

2шт.

Выбрано товаров: 26