Запчасти Case 580M (08-40) - VALVE SECTION - BACKHOE SWING (WITH PILOT CONTROLS) (08) - HYDRAULICS

Схема запчастей Case 580M - (08-40) - VALVE SECTION - BACKHOE SWING (WITH PILOT CONTROLS) (08) - HYDRAULICS
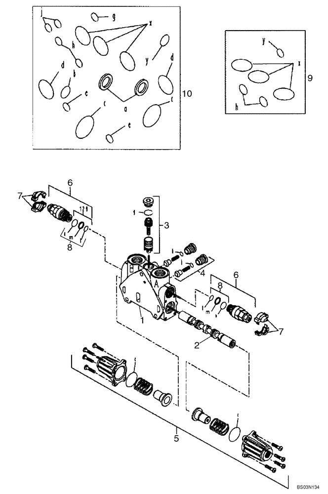
5
1
10
6
2
7
6
3
9
4
8
7
8
FIT
1:1
100%

Артикул

Название

Примечание

Количество

85826339

HYD VALVE SECTION

Swing; Incl. Ref 1 - 10

1шт.

1

NSS

NOT SOLD SEPARAT

HOUSING

1шт.

2

NSS

NOT SOLD SEPARAT

SPOOL

1шт.

3

85826345

KIT,Pressure Compensator

Pressure Compensator; Component Parts Not Serviced Separately

1шт.

4

85811938

KIT,Check Valve

Component Parts Not Serviced Separately

2шт.

5

85826344

KIT,Operation

End Cap; Component Parts Not Serviced Separately

1шт.

6

85812114

HYDRAULIC VALVE,205Bar

Pressure Relief Valve; Some Component Parts Not Serviced Separately; Serviceable Includes 85811933, Ref 8 Kit

2шт.

7

85811934

COVER,Half, Orange

2шт.

8

85811933

SEAL KIT,Secondary Valve

Includes (2) O-Rings, (1) Thrust Ring; Component Parts Not Serviced Separately

2шт.

9

85819148

SEAL KIT,Between Control Valve Sections

Includes (6) O-Rings; Component Parts Not Serviced Separately

1шт.

10

85824282

KIT

Seal, Includes (15) O-Rings, (2) Lip Seals; Component Parts Not Serviced Separately

1шт.

Выбрано товаров: 11