Запчасти Case 580M (02-07A) - ENGINE - BLOCK HEATER (02) - ENGINE

Схема запчастей Case 580M - (02-07A) - ENGINE - BLOCK HEATER (02) - ENGINE
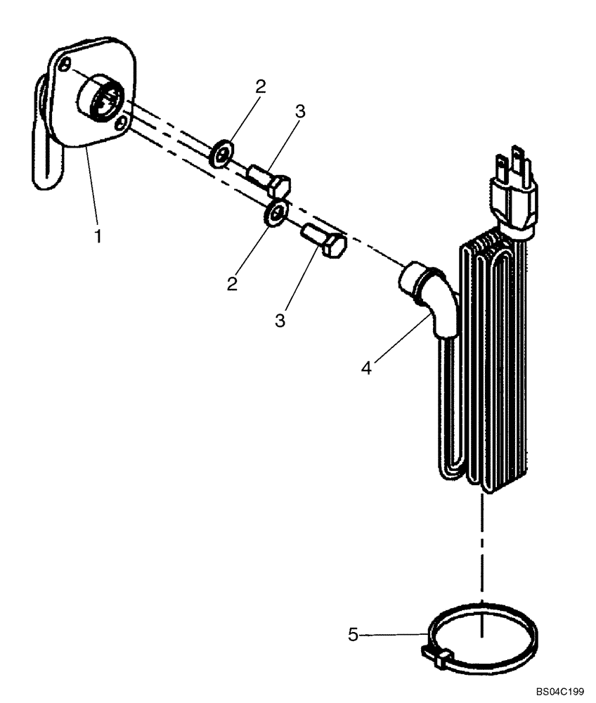
3
2
5
4
3
1
2
FIT
1:1
100%

Артикул

Название

Примечание

Количество

87447135

SERVICE KIT

Engine Block Heater; Incl. Ref 1 - 5 and Instructions

1шт.

1

8602005

HEATER,750W, 120V

Block; 750W, 120V

1шт.

2

896-11008

WASHER,9mm ID x 17mm OD x 2mm Thk

2шт.

3

627-8020

BOLT,Hex, M8 x 1.25 x 20mm, Cl 10.9, Full Thd

2шт.

4

196466A1

ELECTRIC CABLE

1829 mm (72 in)

1шт.

5

L18331

CABLE TIE,375.9mm L, Nylon, Black

CABLE STRAP

1шт.

Выбрано товаров: 6