Запчасти Case 580M (09-59) - CAB - WASHER, WINDSHIELD (09) - CHASSIS/ATTACHMENTS

Схема запчастей Case 580M - (09-59) - CAB - WASHER, WINDSHIELD (09) - CHASSIS/ATTACHMENTS
2
25
9
17
14
1
3
5
10
8
13
6
26
24
11
7
8
10
16
1
20
9
27
21
22
8
4
9
17
1
12
18
1
19
15
FIT
1:1
100%

Артикул

Название

Примечание

Количество

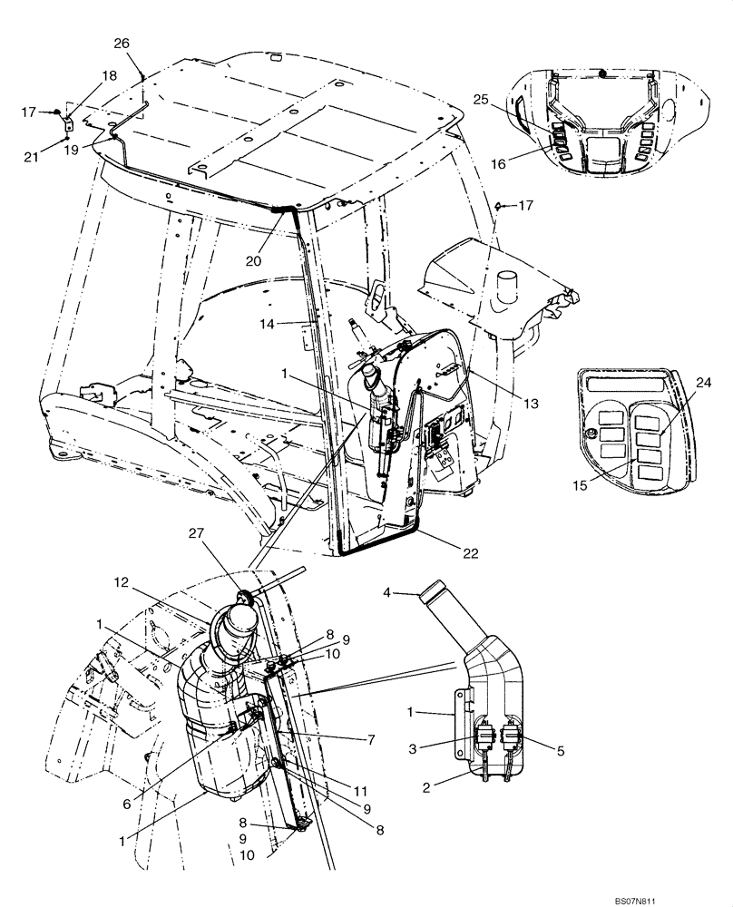
1

87675208

RESERVOIR, WINDSHIEL

1шт.

2

87700794

HOSE WASHER,4.76 mm ID x 135.00 mm

Bottle

2шт.

3

86507198

PUMP,Windshield Washer

Window

2шт.

4

87711985

FILLER CAP

Washer Bottle

1шт.

5

L11541

CABLE TIE,203.2mm L, Nylon

CABLE STRAP

2шт.

6

214-3180

HOSE CLAMP,4-1/4" - 5-1/8", HD Worm

1шт.

7

87491347

BRACKET

Replaces 87676276

2шт.

8

614-8020

BOLT,Hex, M8 x 1.25 x 20mm

5шт.

9

895-11008

WASHER,9mm ID x 16mm OD x 1.6mm Thk

5шт.

10

833-40408

NUT,M8, U

3шт.

11

832-10408

NUT,M8 x 1.25, Cl 8.8

2шт.

12

87748047

SEAL,78mm ID x 106.6mm OD x 7mm Thk

1шт.

13

87699640

HOSE WASHER,3.56 mm ID, 4.37 mm ID x 700.00 mm, SAE J1037

Cut From 87282056

1шт.

14

87741446

HOSE WASHER,4.37 mm ID x 5500.00 mm

Rear Washer; Cut From 1968141CX

1шт.

15

386788A1

WINDSHIELD WIPER SWI

Rocker; Rear Washer

1шт.

16

386787A1

WINDSHIELD WASHER SW

Rocker; Front

1шт.

17

E43769

SPRAY

Nozzle, Windshield Spray

2шт.

18

386720A1

BRACKET

Washer Nozzle, Rear

1шт.

19

87442441

GROMMET,27mm OD, 9.53mm ID, 11.1mm L

Washer Hose, Rear

1шт.

20

408965A1

GUARD

550 mm, Rear Washer Hose, Cut From 397155A2

1шт.

21

825-2408

FLANGE NUT,M8 x 1.25, Flg, Cl 8

1шт.

22

87741447

HOSE PROTECTION,10.5mm ID x 1800mm L

Guard; 1800 mm, Front Washer Hose, Cut From 397155A2

1шт.

24

386786A1

ROCKER SWITCH

Rocker; Wiper, Rear

1шт.

25

386785A1

WINDSHIELD WIPER SWI

Rocker; Wiper, Front

1шт.

26

614-8020

BOLT,Hex, M8 x 1.25 x 20mm

1шт.

27

87637384

GROMMET,35mm OD, 9mm ID, 12mm L

Washer Hose

1шт.

Выбрано товаров: 26