Запчасти Case 580N (21.111.060) - VAR - 423061 - TRANSMISSION, SEMI-POWERSHIFT, DIPSTICK, 4WD (21) - TRANSMISSION

Схема запчастей Case 580N - (21.111.060) - VAR - 423061 - TRANSMISSION, SEMI-POWERSHIFT, DIPSTICK, 4WD (21) - TRANSMISSION
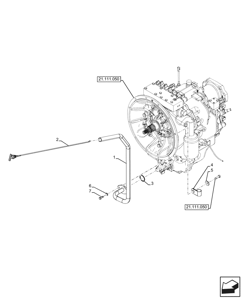
21.111.050
4
7
2
6
5
1
3
21.111.050
FIT
1:1
100%

Артикул

Название

Примечание

Количество

1

84329368

TUBE

Dipstick, Semi-Powershift Transmission

1шт.

2

87601345

DIPSTICK,824mm L

Transmission Oil

1шт.

3

272218

O-RING,0.103" Thk x 1.424" ID, -127, Cl 5, 75 Duro

1шт.

4

D35908

CLAMP,1" Clamping pipe

1шт.

5

87687101

WASHER,10.65mm ID x 31mm OD x 3.3mm Thk

1шт.

6

87655042

SPECIAL WASHER,8.8mm ID x 17.5mm OD x 2.2mm Thk

2шт.

7

43127

BOLT,Hex, M8 x 1.25 x 25mm, Cl 8.8

2шт.

Выбрано товаров: 7