Запчасти Case 580N (21.112.010) - VAR - 423058 - TRANSMISSION, POWERSHUTTLE, 2WD (21) - TRANSMISSION

Схема запчастей Case 580N - (21.112.010) - VAR - 423058 - TRANSMISSION, POWERSHUTTLE, 2WD (21) - TRANSMISSION
23.314.060
11
5
4
4
1
7
10
11
12
8
9
7
7
6
7
10
5
13
9
2
3
5
8
21.112.030
21.134.030
23.314.040
55.031.020
21.700.020
21.134.020
10.001.010
21.154.010
55.031.010
33.110.010
39.100.040
39.100.090
21.113.010
21.700.010
21.104.020
FIT
1:1
100%

Артикул

Название

Примечание

Количество

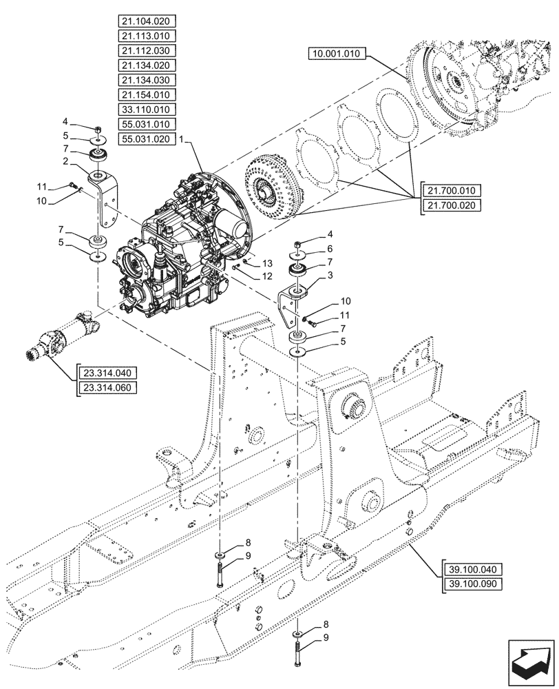
1

87395300

TRANSMISSION

ASSY, TLB 1 Up with SAHR

1шт.

2

84567307

BRACKET

Transmission Mount,LH

1шт.

3

84567310

BRACKET

Transmission Mount,RH

1шт.

4

832-10416

NUT,M16 x 2, Cl 8

2шт.

5

47395221

WASHER,0.66" ID x 3" OD x 0.18" Thk

3шт.

6

47395114

WASHER,16.7mm ID x 76.2mm OD x 4.55m Thk, HTS

1шт.

7

84383342

MOUNT

55 Durometer

4шт.

8

86592702

WASHER,17mm ID x 45mm OD x 6mm Thk

2шт.

9

321246

BOLT,Hex, M16 x 2 x 120mm, Cl 8.8

2шт.

10

614-12030

BOLT,Hex, M12 x 1.75 x 30mm, Cl 8.8, Full Thd

7шт.

11

896-11012

WASHER,13.5mm ID x 24mm OD x 3mm Thk

7шт.

12

627-10030

BOLT,Hex, M10 x 1.5 x 30mm, Cl 10.9, Full Thd

12шт.

13

87655046

SPECIAL WASHER,10.65mm ID x 23mm OD x 2.2mm Thk

12шт.

Выбрано товаров: 13