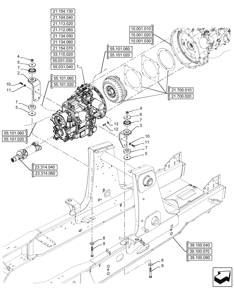
Запчасти Case 580N (21.112.050) - VAR - 423059 - TRANSMISSION, POWERSHUTTLE, 4WD (21) - TRANSMISSION

Схема запчастей Case 580N - (21.112.050) - VAR - 423059 - TRANSMISSION, POWERSHUTTLE, 4WD (21) - TRANSMISSION
23.314.060
9
11
5
5
7
11
6
3
7
1
8
10
9
7
4
4
2
12
10
8
7
13
5
21.154.130
21.112.060
21.113.020
33.110.020
10.001.030
23.314.040
21.154.070
21.700.020
21.134.060
55.101.020
55.101.020
55.101.020
55.101.060
55.101.060
55.101.060
55.031.040
10.001.010
39.100.040
55.031.030
39.100.070
21.104.040
39.100.090
21.134.050
21.700.010
10.001.020
FIT
1:1
100%

Артикул

Название

Примечание

Количество

1

87395301

TRANSMISSION

ASSY, TLB 1 Up with SAHR

1шт.

2

84567307

BRACKET

Transmission Mount LH

1шт.

3

84567310

BRACKET

Transmission Mount RH

1шт.

4

832-10416

NUT,M16 x 2, Cl 8

2шт.

5

47395221

WASHER,0.66" ID x 3" OD x 0.18" Thk

3шт.

6

47395114

WASHER,16.7mm ID x 76.2mm OD x 4.55m Thk, HTS

1шт.

7

84383342

MOUNT

55 Durometer

4шт.

8

86592702

WASHER,17mm ID x 45mm OD x 6mm Thk

2шт.

9

321246

BOLT,Hex, M16 x 2 x 120mm, Cl 8.8

2шт.

10

614-12030

BOLT,Hex, M12 x 1.75 x 30mm, Cl 8.8, Full Thd

7шт.

11

896-11012

WASHER,13.5mm ID x 24mm OD x 3mm Thk

7шт.

12

627-10030

BOLT,Hex, M10 x 1.5 x 30mm, Cl 10.9, Full Thd

12шт.

13

87655046

SPECIAL WASHER,10.65mm ID x 23mm OD x 2.2mm Thk

12шт.

Выбрано товаров: 13