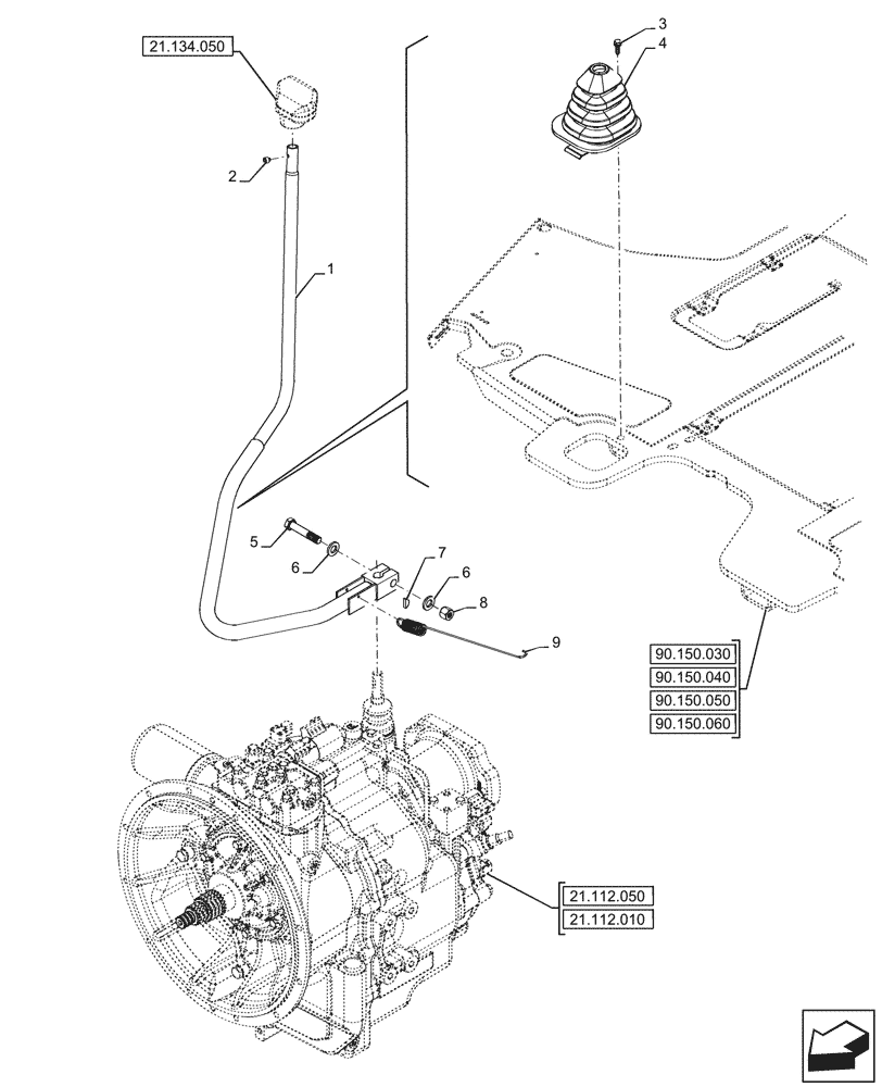
Запчасти Case 580N (21.134.010) - VAR - 423058, 423059 - TRANSMISSION, POWERSHUTTLE, CONTROL LEVER, RANGE, 2WD (21) - TRANSMISSION

Схема запчастей Case 580N - (21.134.010) - VAR - 423058, 423059 - TRANSMISSION, POWERSHUTTLE, CONTROL LEVER, RANGE, 2WD (21) - TRANSMISSION
21.134.050
4
8
9
5
7
3
1
6
6
2
90.150.060
90.150.040
21.112.010
21.112.050
90.150.030
90.150.050
FIT
1:1
100%

Артикул

Название

Примечание

Количество

1

379314A4

LEVER

Gear Shift

1шт.

2

484-6316

SET SCREW,Hex Soc, 5/16"-24 x 3/8"

1шт.

3

87310096

BOLT,Hex, M6 x 25, Cl. 8.8, W/ Washer

1шт.

4

400588A2

BOOT

Gear Shift Lever

1шт.

5

827-12065

BOLT,Hex, M12 x 1.75 x 65mm, Cl 10.9

1шт.

6

87655043

WASHER,M12, 13.65mm ID x 24.90mm OD x 3.20mm, HT Boron, ZNM

2шт.

7

126-116

WOODRUFF KEY,#9, 3/16" x 3/4", HT

1шт.

8

832-10412

NUT,M12 x 1.75, Cl 8

1шт.

9

380537A2

SPRING,Extension, 20.10mm x 38mm L

1шт.

Выбрано товаров: 9