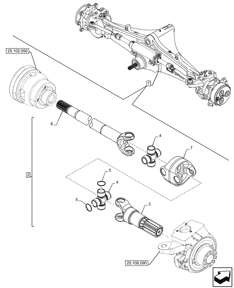
Запчасти Case 580N (25.108.110) - FRONT AXLE, SHAFT, 4WD (25) - FRONT AXLE SYSTEM

Схема запчастей Case 580N - (25.108.110) - FRONT AXLE, SHAFT, 4WD (25) - FRONT AXLE SYSTEM
25.108.090
2
3
4
1
7
5
4
6
5
25.102.050
FIT
1:1
100%

Артикул

Название

Примечание

Количество

1

84497927

FRONT AXLE

ASSY, Grey, STD ACP, 12.1-1, Incl 2 - 7

1шт.

See also Front Axle Components in Figures 25.100.080, 25.100.090, 25.102.050, 25.102.060, 25.108.090, 25.108.100, 25.310.030, 41.106.060, 41.216.060

1шт.

2

47438514

HALF SHAFT,936.7mm L

ASSY, Incl 3 - 7

1шт.

3

47438518

SHAFT,12T, 167.7mm L

Front Axle

1шт.

4

84258434

U-JOINT SPIDER

Journal and Bearing

2шт.

5

274234

SNAP RING,M27, Int

Circlip

8шт.

6

84523241

HALF SHAFT,705mm L

Axle

1шт.

7

84258432

UNIVERSAL JOINT

Front Axle

1шт.

Выбрано товаров: 8