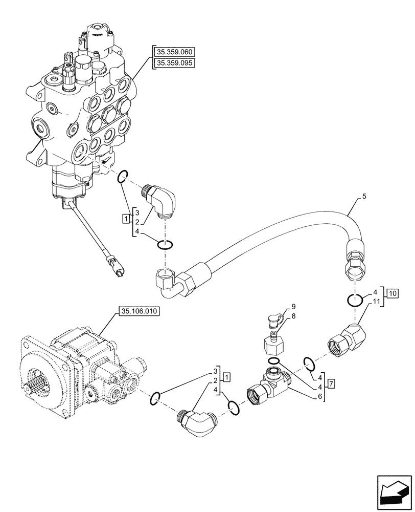
Запчасти Case 580N (35.106.120) - VAR - 747776, 747864 - LOADER, HYDRAULIC PUMP, CONTROL VALVE, 3-SPOOL, LINE (35) - HYDRAULIC SYSTEMS

Схема запчастей Case 580N - (35.106.120) - VAR - 747776, 747864 - LOADER, HYDRAULIC PUMP, CONTROL VALVE, 3-SPOOL, LINE (35) - HYDRAULIC SYSTEMS
35.359.095
3
9
5
11
4
2
4
7
10
6
1
2
1
4
8
4
3
4
35.106.010
35.359.060
FIT
1:1
100%

Артикул

Название

Примечание

Количество

1

9846848

90 ELBOW,1-3/16"-12 ORFS x 1-1/16"-12 ORB

ASSY, Incl 2, 3, 4 (Qty 2)

2шт.

2

NSS

NOT SOLD SEPARAT

90° Elbow, Incl in 1

2шт.

3

167266

O-RING,0.116" Thk x 0.924" ID, -912, Cl 6, 90 Duro

2шт.

4

9991976

O-RING,0.07" Thk x 0.739" ID, -18, Cl 6, 90 Duro

5шт.

5

84391232

HOSE ASSY.,16mm ID x 695mm L

Pump to Valve

1шт.

6

NSS

NOT SOLD SEPARAT

Union Tee, Incl in 7

1шт.

7

87016915

TEE,1-3/16"-12 ORFS x 13.9mm ORB

1шт.

8

84241474

DIAGNOSTIC COUPLER

1шт.

9

H434163

DUST CAP

1шт.

10

84214051

45 ELBOW,1-3/16"-12 ORFS x 14mm

1шт.

11

NSS

NOT SOLD SEPARAT

45° Elbow, Incl in 10

1шт.

Выбрано товаров: 11