Запчасти Case 580N (35.355.040) - VAR - 742369 - BACKHOE ARM, MECHANICAL, CONTROL, SLEWING/SWING,, SUPPORT (35) - HYDRAULIC SYSTEMS

Схема запчастей Case 580N - (35.355.040) - VAR - 742369 - BACKHOE ARM, MECHANICAL, CONTROL, SLEWING/SWING,, SUPPORT (35) - HYDRAULIC SYSTEMS
39.100.090
10
5
11
6
6
7
7
6
5
2
8
9
4
10
11
10
3
10
7
11
1
7
10
9
9
11
13
11
12
6
35.355.010
39.100.010
35.359.495
35.359.515
35.359.565
39.100.040
39.100.070
FIT
1:1
100%

Артикул

Название

Примечание

Количество

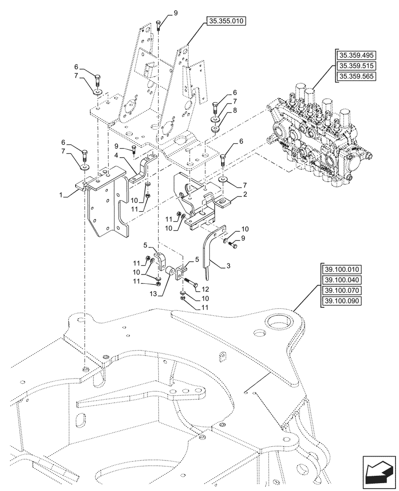
1

87703557

BRACKET

1шт.

2

84270125

BRACKET

Valve Mounting LH

1шт.

3

87633538

BRACKET

Swing Hose Support LH

1шт.

4

87449995

BRACKET

Boom Latch Rod

1шт.

5

87449996

BRACKET

Boom Latch Cable

2шт.

6

614-10035

BOLT,Hex, M10 x 1.5 x 35mm, Cl 8.8, Full Thd

8шт.

7

87687101

WASHER,10.65mm ID x 31mm OD x 3.3mm Thk

8шт.

8

179956A1

INSULATOR,10.16mm ID x 27.7mm OD x 11.2mm L

2шт.

9

614-8030

BOLT,Hex, M8 x 1.25 x 30mm, Cl 8.8, Full Thd

6шт.

10

87655042

SPECIAL WASHER,8.8mm ID x 17.5mm OD x 2.2mm Thk

9шт.

11

829-1408

NUT,Hex, M8 x 1.25, Cl 10.9

7шт.

12

814-8050

BOLT,Hex, M8 x 1.25 x 50mm, Cl 8.8

1шт.

13

86984547

GUIDE

1шт.

Выбрано товаров: 13