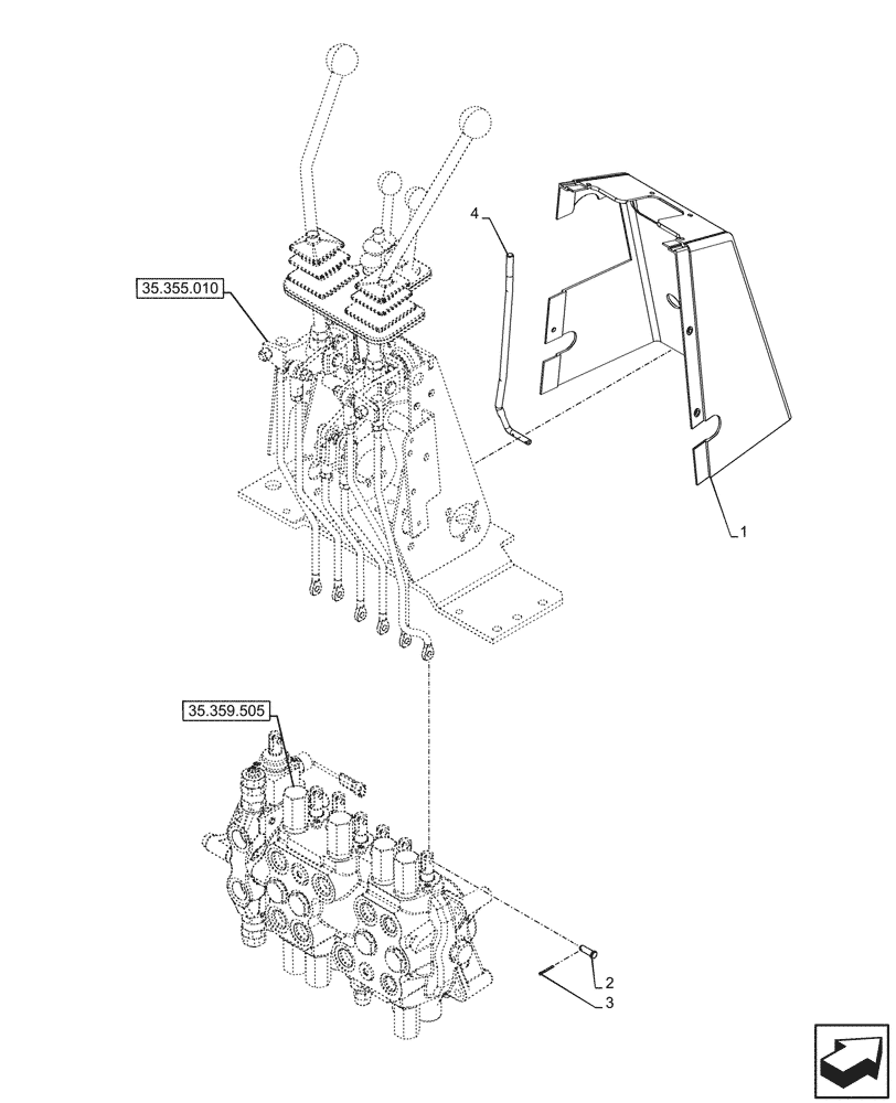
Запчасти Case 580N (35.355.050) - 7-SPOOL, BACKHOE CONTROL VALVE, MECHANICAL CONTROLS, STANDARD DIPPER, HAND SWING, W/ 2 LEVER CONTROLS, W/ DOUBLE AUXILIARY, MOUNTING PARTS (35) - HYDRAULIC SYSTEMS

Схема запчастей Case 580N - (35.355.050) - 7-SPOOL, BACKHOE CONTROL VALVE, MECHANICAL CONTROLS, STANDARD DIPPER, HAND SWING, W/ 2 LEVER CONTROLS, W/ DOUBLE AUXILIARY, MOUNTING PARTS (35) - HYDRAULIC SYSTEMS
35.359.505
2
3
4
35.355.010
1
FIT
1:1
100%

Артикул

Название

Примечание

Количество

1

47945899

TRIM PANEL

1шт.

2

D149287

PIN,7.9mm OD x 26.72mm L

6шт.

3

432-612

COTTER PIN,3/32" x 3/4"

6шт.

4

84398267

ADJUSTMENT ROD,9.525mm D x 315.2mm L

1шт.

Выбрано товаров: 4