Запчасти Case 580N (35.356.130) - BACKHOE CONTROL VALVE, 6-SPOOL, MECHANICAL CONTROL, STANDARD DIPPER, FOOT SWING, BRAZIL, W/O 2 LEVER CONTROLS, MOUNTING PARTS (35) - HYDRAULIC SYSTEMS

Схема запчастей Case 580N - (35.356.130) - BACKHOE CONTROL VALVE, 6-SPOOL, MECHANICAL CONTROL, STANDARD DIPPER, FOOT SWING, BRAZIL, W/O 2 LEVER CONTROLS, MOUNTING PARTS (35) - HYDRAULIC SYSTEMS
90.150.050
39
4
28
3
30
41
30
12
30
22
24
28
35
40
36
24
28
37
28
18
8
24
31
14
28
23
41
30
29
3
3
23
19
20
16
3
13
3
24
17
25
17
10
30
33
28
15
19
7
26
34
3
14
30
9
6
28
27
41
30
27
32
23
2
9
3
17
30
1
38
3
25
21
33
11
30
41
3
5
31
26
33
31
35.359.280
90.150.060
FIT
1:1
100%

Артикул

Название

Примечание

Количество

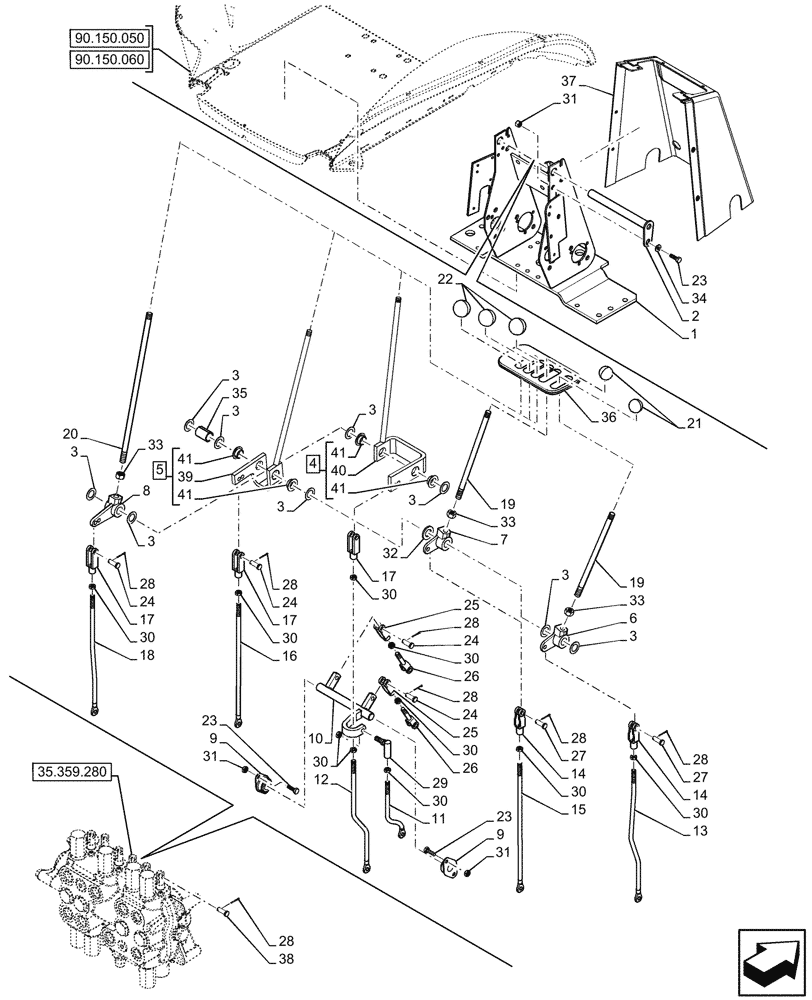
1

87418516

SUPPORT

Backhoe Control Tower

1шт.

2

87401203

SHAFT,198mm L

Pivot Backhoe Controls

1шт.

3

A30881

SEALING WASHER,19.45mm ID x 31.35mm OD

10шт.

4

136267A1

LEVER

ASSY, Boom, Incl 40, 41 (Qty 2)

1шт.

5

136269A1

LEVER

ASSY, Bucket, Incl 39, 41 (Qty 2)

1шт.

6

D150434

CRANK LEVER

1шт.

7

D150435

CRANK LEVER

1шт.

8

D150397

CRANK LEVER

1шт.

9

D139039

BEARING ASSY,19mm ID

2шт.

10

D148994

SHAFT,182.10mm L

Swing

1шт.

11

87422239

THREADED ROD,9.53mm D x 151mm L

1шт.

12

87422241

THREADED ROD,9.53mm D x 363mm L

1шт.

13

87422243

THREADED ROD,9.53mm D x 368mm L

1шт.

14

D150493

END

2шт.

15

87422245

THREADED ROD,9.53mm D x 368mm L

1шт.

16

87422247

THREADED ROD,9.53mm D x 352mm L

1шт.

17

213-126

ADJUSTABLE CLEVIS,3/8"-24 x 2 1/2"

3шт.

18

87422249

THREADED ROD,9.53mm D x 368mm L

1шт.

19

136261A1

THREADED ROD,1/2"-20 UNF x 260mm L

Stabilizer Lever

2шт.

20

136263A1

ROD,12.7mm OD x 407mm L

Handle

1шт.

21

D59912

KNOB

Control Handle

2шт.

22

L54563

KNOB

3шт.

23

614-8025

BOLT,Hex, M8 x 1.25 x 25mm, Cl 8.8, Full Thd

5шт.

24

D149288

PIN,8.33mm OD x 30.66mm L

5шт.

25

D149262

CLEVIS,3/8-24"

2шт.

26

D150503

END

2шт.

27

427-6088

CLEVIS PIN,3/8" x 3/4"

2шт.

28

432-612

COTTER PIN,3/32" x 3/4"

13шт.

29

D149295

BALL JOINT,3/8"

1шт.

30

425-156

JAM NUT,Jam, 3/8"-24, G5

9шт.

31

832-10408

NUT,M8 x 1.25, Cl 8.8

5шт.

32

D34666

WASHER,33.34mm ID x 63.5mm OD x 2.38mm Thk

1шт.

33

425-118

NUT,1/2"-20, G5

3шт.

34

87655042

SPECIAL WASHER,8.8mm ID x 17.5mm OD x 2.2mm Thk

1шт.

35

D150486

SPACER,19.76mm ID x 25.4mm OD x 35mm L

1шт.

36

D149866

BOOT

1шт.

37

47945922

COVER

1шт.

38

D149287

PIN,7.9mm OD x 26.72mm L

6шт.

39

NSS

NOT SOLD SEPARAT

Lever, Incl in 5

1шт.

40

NSS

NOT SOLD SEPARAT

Lever, Incl in 4

1шт.

41

D148992

BUSHING,19.15mm ID x 23.83mm OD x 10.6mm L

4шт.

Выбрано товаров: 41