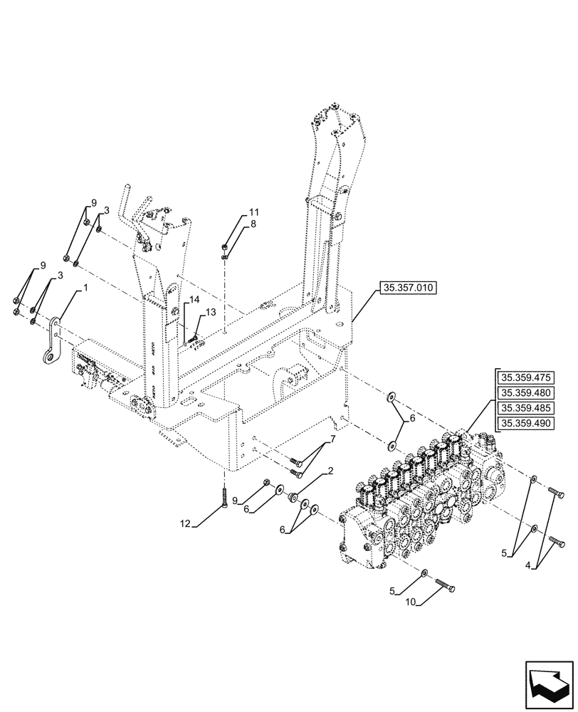
Запчасти Case 580N (35.357.040) - VAR - 747669 - BACKHOE ARM, PILOT CONTROLS, BRACKET (35) - HYDRAULIC SYSTEMS

Схема запчастей Case 580N - (35.357.040) - VAR - 747669 - BACKHOE ARM, PILOT CONTROLS, BRACKET (35) - HYDRAULIC SYSTEMS
35.359.480
12
6
9
7
3
6
2
1
4
3
10
9
13
5
6
9
14
8
11
5
35.359.485
35.357.010
35.359.475
35.359.490
FIT
1:1
100%

Артикул

Название

Примечание

Количество

1

87440712

BRACKET

Backhoe Valve

1шт.

2

D52276

ISOLATOR,10.16mm ID x 28.07mm OD x mm L

1шт.

3

892-11010

LOCK WASHER,M10

4шт.

4

814-10045

BOLT,Hex, M10 x 1.5 x 45mm, Cl 8.8

2шт.

5

87655046

SPECIAL WASHER,10.65mm ID x 23mm OD x 2.2mm Thk

3шт.

6

87687101

WASHER,10.65mm ID x 31mm OD x 3.3mm Thk

5шт.

7

614-10030

BOLT,Hex, M10 x 1.5 x 30mm, Cl 8.8, Full Thd

2шт.

8

87655042

SPECIAL WASHER,8.8mm ID x 17.5mm OD x 2.2mm Thk

2шт.

9

829-1410

NUT,M10 x 1.5, Cl 10.9

5шт.

10

814-10060

BOLT,Hex, M10 x 1.5 x 60mm, Cl 8.8

1шт.

11

832-10408

NUT,M8 x 1.25, Cl 8.8

2шт.

12

864-8055

HEX SOC SCREW,M8 x 55mm, Cl 8.8

2шт.

13

840-1416

SCREW,Pan, M4 x 16mm, Cl 4.8

3шт.

14

893-11004

LOCK WASHER,Ext Tooth, M4

1шт.

Выбрано товаров: 14