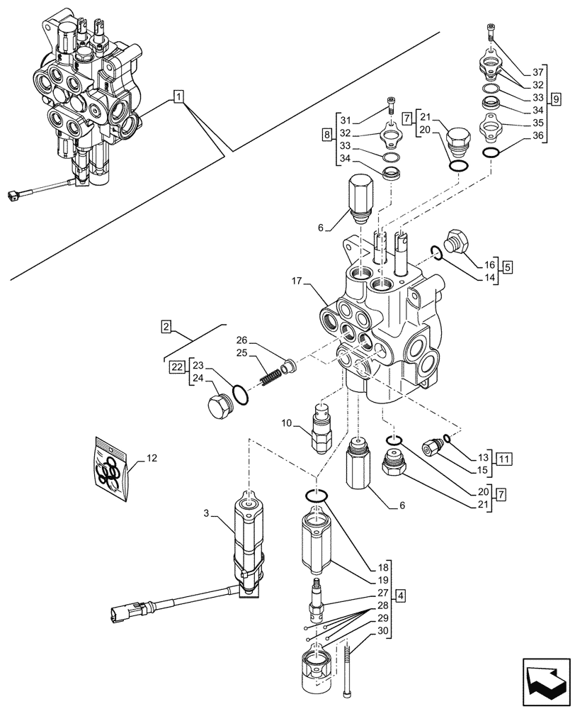
Запчасти Case 580N (35.359.015) - LOADER, CONTROL VALVE, MECHANICAL, 2-SPOOL, COMPONENTS (35) - HYDRAULIC SYSTEMS

Схема запчастей Case 580N - (35.359.015) - LOADER, CONTROL VALVE, MECHANICAL, 2-SPOOL, COMPONENTS (35) - HYDRAULIC SYSTEMS
2
14
13
35
37
16
21
25
6
22
15
18
33
28
34
17
31
10
1
8
33
11
19
30
6
20
32
26
20
12
9
21
36
5
34
27
29
4
7
24
32
23
7
3
FIT
1:1
100%

Артикул

Название

Примечание

Количество

1

84218271

VALVE

ASSY, Loader 2 Spool, Incl 2 - 37

1шт.

2

87426238

VALVE, CHECK

ASSY, Incl 22 - 26

2шт.

3

84296814

KIT

Magnetic Detent Group

1шт.

4

87426227

DETENT

ASSY, Incl 18, 19, 27 - 30

1шт.

5

9625178

PLUG,9/16" - 18 ORB

ASSY, Incl 14, 16

2шт.

6

84296801

VALVE PRESSURE RELIE,1-1/4" - 12

LDR Dump

2шт.

7

81868381

CHECK VALVE,1-1/16" - 12

ASSY, Anti Void, Incl 20, 21

2шт.

8

84315193

SEAL

Plate ASSY, Incl 31 - 34

1шт.

9

84327674

KIT

ASSY, Seal Plate, Incl 32 - 37

1шт.

10

87570539

HYDRAULIC VALVE

Relief

1шт.

11

86590562

PLUG,Hex Soc, 3/4" - 16 ORB

ASSY, Incl 13, 15

1шт.

12

84296788

SEAL KIT

Mechanical Loader Control Valve

1шт.

13

128825

O-RING,0.087" Thk x 0.644" ID, -908, Cl 6, 90 Duro

1шт.

14

9617873

O-RING,0.078" Thk x 0.468" ID, -906, Cl 6, 90 Duro

2шт.

15

NSS

NOT SOLD SEPARAT

Plug, Incl in 11

1шт.

16

NSS

NOT SOLD SEPARAT

Plug, Incl in 5

2шт.

17

NSS

NOT SOLD SEPARAT

Body, Incl in 1

1шт.

18

87454547

O-RING

1шт.

19

NSS

NOT SOLD SEPARAT

Endcap, Incl in 4

1шт.

20

87455580

O-RING KIT

Backhoe Control Valve, Anti-Void Check Valve

2шт.

21

NSS

NOT SOLD SEPARAT

Check Valve, Incl in 7

2шт.

22

87455581

PLUG,Hex, 1/16" - 12 ORB

ASSY, Incl 23, 24

2шт.

23

87455975

O-RING

2шт.

24

NSS

NOT SOLD SEPARAT

Plug, Incl in 22

2шт.

25

87455582

SPRING

2шт.

26

NSS

NOT SOLD SEPARAT

Load Check, Incl in 2

2шт.

27

NSS

NOT SOLD SEPARAT

Spool End, Incl in 4

1шт.

28

87310276

BALL BEARING

4шт.

29

NSS

NOT SOLD SEPARAT

Spool Cap, Incl in 4

1шт.

30

87310275

SCREW

2шт.

31

87455540

HEX SOC SCREW

2шт.

32

87455536

RETAINING PLATE

1шт.

33

71103058

O-RING

1шт.

34

85999136

SEAL,17.6mm ID x 26.84mm OD x 5.42mm Thk

1шт.

35

87455539

SPACER

1шт.

36

87455538

O-RING,0.125" Thk x 1" ID, -214, 70 Duro

1шт.

37

87455534

HEX SOC SCREW

2шт.

Выбрано товаров: 37