Запчасти Case 580N (35.359.045) - LOADER, CONTROL VALVE, MECHANICAL, 3-SPOOL, COMPONENTS (35) - HYDRAULIC SYSTEMS

Схема запчастей Case 580N - (35.359.045) - LOADER, CONTROL VALVE, MECHANICAL, 3-SPOOL, COMPONENTS (35) - HYDRAULIC SYSTEMS
18
4
31
2
12
27
17
37
21
20
29
35
5
19
36
34
28
3
22
6
8
7
10
25
1
35
7
14
26
16
6
36
23
15
9
22
23
13
30
33
32
24
11
13
FIT
1:1
100%

Артикул

Название

Примечание

Количество

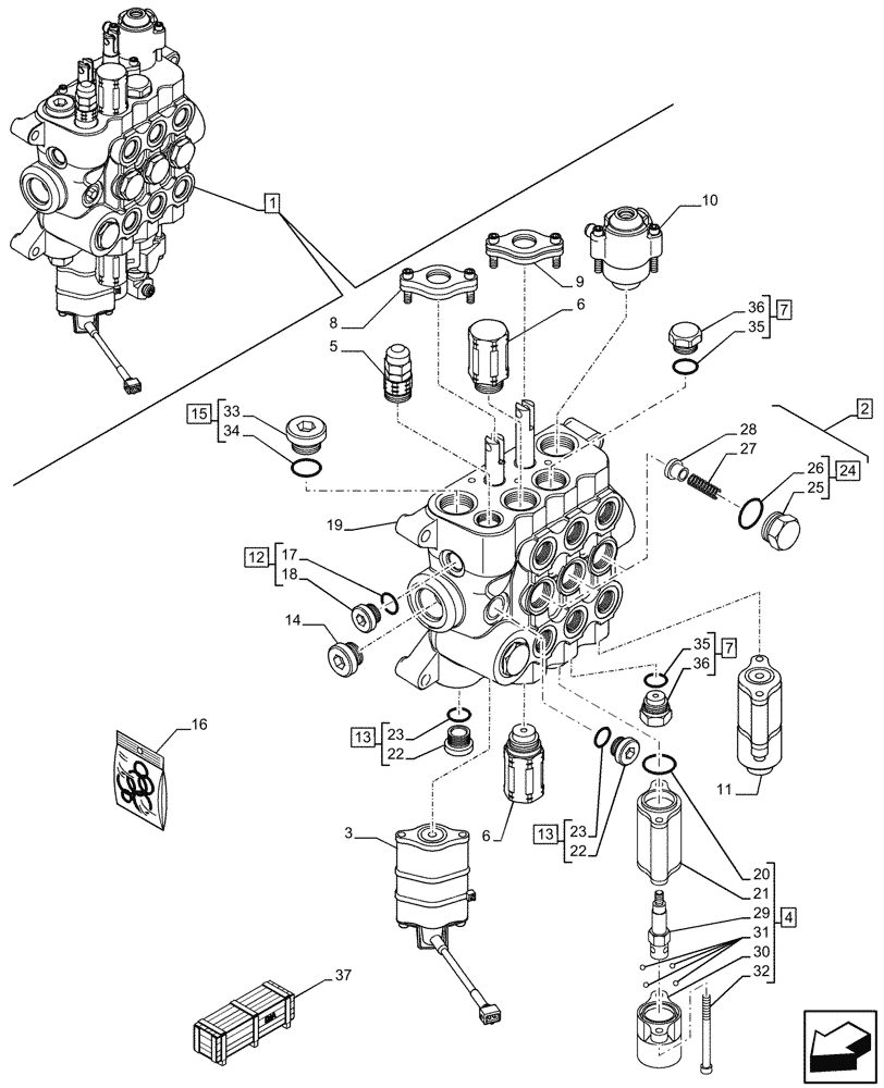
1

47907477

VALVE

ASSY, Loader, 3-Spool, Incl 2 - 36

1шт.

2

87426238

VALVE, CHECK

ASSY, Incl 24 - 28

3шт.

3

84296814

KIT

Magnetic Detent Group

1шт.

4

87426227

DETENT

ASSY, Incl 20, 21, 29 - 32

1шт.

5

87570539

HYDRAULIC VALVE

Relief

1шт.

6

84296801

VALVE PRESSURE RELIE,1-1/4" - 12

LDR Dump

2шт.

7

81868381

CHECK VALVE,1-1/16" - 12

ASSY, Anti Void, Incl 35 (Qty 1), 36 (Qty 1)

2шт.

8

84315193

SEAL

1шт.

9

84327674

KIT

Seal Plate

1шт.

10

87757931

END

1шт.

11

87757932

END

1шт.

12

86590562

PLUG,Hex Soc, 3/4" - 16 ORB

ASSY, Incl 17, 18

1шт.

13

86625138

PLUG,7/18" - 14

ASSY, Incl 22 (Qty 1), 23 (Qty 1)

2шт.

14

218-5213

PLUG,Hex Soc, 1 3/16"-12 ORB

1шт.

15

87363628

PLUG,1 - 5/16" - 12

ASSY, Incl 33, 34

1шт.

16

84296788

SEAL KIT

Mechanical Loader Control Valve

1шт.

17

128825

O-RING,0.087" Thk x 0.644" ID, -908, Cl 6, 90 Duro

1шт.

18

NSS

NOT SOLD SEPARAT

Plug, Incl in 12

1шт.

19

NSS

NOT SOLD SEPARAT

Body, Incl in 1

1шт.

20

87454547

O-RING

1шт.

21

NSS

NOT SOLD SEPARAT

Endcap, Incl in 4

1шт.

22

NSS

NOT SOLD SEPARAT

Plug, Incl in 13

2шт.

23

167269

O-RING,0.097" Thk x 0.755" ID, -910, Cl 6, 90 Duro

2шт.

24

87455581

PLUG,Hex, 1/16" - 12 ORB

ASSY, Incl 25, 26

3шт.

25

NSS

NOT SOLD SEPARAT

Plug, Incl in 24

3шт.

26

87455975

O-RING

3шт.

27

87455582

SPRING

3шт.

28

NSS

NOT SOLD SEPARAT

Load Check, Incl in 2

3шт.

29

NSS

NOT SOLD SEPARAT

Spool End, Incl in 4

1шт.

30

NSS

NOT SOLD SEPARAT

Spool Cap, Incl in 4

1шт.

31

87310276

BALL BEARING

4шт.

32

87310275

SCREW

2шт.

33

NSS

NOT SOLD SEPARAT

Plug, Incl in 15

1шт.

34

167268

O-RING,0.116" Thk x 1.171" ID, -916, Cl 6, 90 Duro

1шт.

35

87455580

O-RING KIT

Backhoe Control Valve, Anti-Void Check Valve

2шт.

36

NSS

NOT SOLD SEPARAT

Check Valve, Incl in 7

2шт.

37

47955708

CONSTRUCTION DIA

Loader Valve 3 Spool, Incl 1 - 36

1шт.

Valid for 580N (Livery) NRC Model Only, W/ Mechanical Control and Powershuttle Transmission

1шт.

To See Full DIA KIT Composition Look for all the Figures Where the DIA KIT P/N Is Shown

1шт.

37

47955719

CONSTRUCTION DIA

Loader Valve 3 Spool, Incl 1 - 36

1шт.

Valid for 580N (Livery) NRC Model Only, W/ Mechanical Control and Powershift Transmission

1шт.

To See Full DIA KIT Composition Look for all the Figures Where the DIA KIT P/N Is Shown

1шт.

Выбрано товаров: 42